管道更换工程施工方案编制人:(签章)一、工程概况工程建设概况本管道更换工程建在香山植物讨论院内,管道所在水塔支筒高度大于 45 米。日...
技术交底记录表式(C2-5)编 号工程名称102 省道给水管网工程部位名称给水工程工序名称PE 管道及附属构件施工施工单位太平洋建设集团交...
CB18单元工程施工质量报验单(承包[2025]质报 073 号)合同名称:日照市东港区小型农田水利重点县 2025 年项目(三标段)施工合同合同...
PE 给水管安装施工方案 一、管槽开挖 1.管槽开挖以直线为宜,槽底开挖宽度为 DN+0。30m。遇到管道在地下连接时,应适当增加接口处槽底...
PE 给水管安装施工方案 一、管槽开挖 1。管槽开挖以直线为宜,槽底开挖宽度为 DN+0.30m。遇到管道在地下连接时,应适当增加接口处槽底宽...
3.2.3。1 测量放线3。2.3。1。1 测量概况 测量先行是施工管理中的要求,测量工作的质量直接影响到工程的质量,我公司在工程施工管理中,历...
瑞安市天然气利用工程(一期)Ⅱ标段PE管道焊接施工方案编制:审核:审批:天津市管道工程集团有限公司2025 年 5 月 28 日目 录一、...
PE 管道焊接技术施工方案1 概述 PE 管材料属聚烯烃类高分子化合物,其分子由碳、氢元素组成,无有害元素,卫生可靠。在加工 、使用及...
目 录第一章 工程总说明第二章 总体部署2 。1 施工组织安排2 。2 现场施工组织管理机构第三章 施工总平面布置3 。1 施工总平面布...
(3)PE 管道安装施工 1)施工前的准备 ① 熟悉施工图并到施工现场了解情况,请设计单位做设计交底。 ② 根据施工工艺要求。准备相应的...
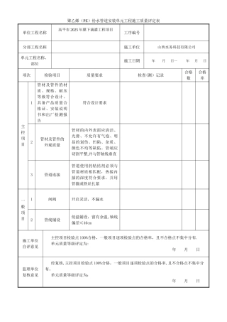
聚乙烯(PE)给水管道安装单元工程施工质量评定表单位工程名称高平市 2025 年膜下滴灌工程项目工序编号分部工程名称施工单位山西水务科技...
PE 管道定向钻穿越公路工程施工方案编制:马建民审核:宋雪燕审批:刘金西施工单位:北京市市政一建设工程有限责任公司编制时间:2014 年 ...
PE 管管材存放、搬运、运输管理规定PE 管管材存放管理规定1.管材应存放在通风良好、温度不超过 40°的库房或简易棚内。2.堆放场所应实行...
1、 PE 管道安装(1)管道连接前,应对管材和管件及附属设备按设计要求进行核对,并应在施工现场进行外观检查,符合要求方可使用。主要检查...
目 录1 、 总 则 … … … … … … … … … … … … … … … … … … … … … … … … … … … ...
PE 管的安装施工方案1.PE 管材、管件及附件的质量要求:(1 ) 首 先 检 查 以 下 内 容 且 应 符 合 《 PE 管 材 、...
PE 管道安装施工合同样本(用心整理的精品 word 文档,可以编辑,欢迎下载)作者:------------------------------------------日期:--...
PE 管热熔对接机施工方案某小区给水管网改造工程为某市水务集团管网改造工程。本工程位于某大道北侧某集团以北,某小区内,共需埋设 PE 给...
目 录第一章、编制依据及原则第二章、工程概况第三章、主要工程项目施工方案第四章、各分项工程施工顺序第五章、施工进度网络图(附表四)...
PE 管材料购销合同(用心整理的精品 word 文档,可以编辑,欢迎下载)作者:------------------------------------------日期:--------...

