电脑桌面
添加小米粒文库到电脑桌面
安装后可以在桌面快捷访问

PE管道安装质量评定表

PE管道安装质量评定表_第1页
1/5
PE管道安装质量评定表_第2页
2/5
PE管道安装质量评定表_第3页
3/5
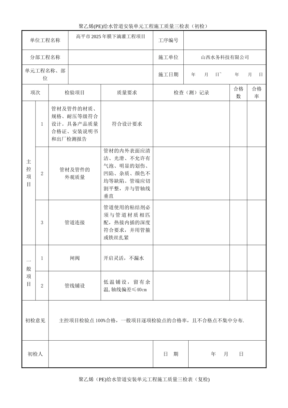
聚乙烯(PE)给水管道安装单元工程施工质量评定表单位工程名称高平市 2025 年膜下滴灌工程项目工序编号分部工程名称施工单位山西水务科技有限公司单元工程名称、部位施工日期 年 月 日~ 年 月 日项次检验项目质量要求检查(测)记录合格数合格率主控项目1管材及管件的材质、规格、耐压等级符合设计。具备产品质量合格证、安装说明书和出厂检测报告符合设计要求2管材及管件的外观质量管材的内外表面应清洁、光滑、不允许有气泡、明显的划伤、凹陷、杂质、颜色不均等缺陷。管端应切割平整,并与管轴线垂直3管道连接管道使用的粘结剂必须与管道材质相匹配,热接内插的深度符合要求,并用管箍或铁丝扎紧一般项目1闸阀开启灵活,不漏水2管线铺设低温铺设,留有余温,轴线偏差≤40cm施工单位自评意见 主控项目检验点 100%合格,一般项目逐项检验点的合格率,且不合格点不集中分布. 单元质量等级评定为: 年 月 日监理单位复核意见 经复核,主控项目检验点 100%合格,一般项目逐项检验点的合格率,且不合格点不集中分布。 单元质量等级评定为: 年 月 日聚乙烯(PE)给水管道安装单元工程施工质量三检表(初检)单位工程名称高平市 2025 年膜下滴灌工程项目工序编号分部工程名称施工单位山西水务科技有限公司单元工程名称、部位施工日期 年 月 日~ 年 月 日项次检验项目质量要求检查(测)记录合格数合格率主控项目1管材及管件的材质、规格、耐压等级符合设计。具备产品质量合格证、安装说明书和出厂检测报告符合设计要求2管材及管件的外观质量管材的内外表面应清洁、光滑、不允许有气泡、明显的划伤、凹陷、杂质、颜色不均等缺陷。管端应切割平整,并与管轴线垂直3管道连接管道使用的粘结剂必须 与 管 道 材 质 相 匹配,热接内插的深度符合要求,并用管箍或铁丝扎紧一般项目1闸阀开启灵活,不漏水2管线铺设低 温 铺 设 , 留 有 余温,轴线偏差≤40cm初检意见 主控项目检验点 100%合格,一般项目逐项检验点的合格率,且不合格点不集中分布.初检人日 期年 月 日聚乙烯(PE)给水管道安装单元工程施工质量三检表(复检)单位工程名称高平市 2025 年膜下滴灌工程项目工序编号分部工程名称施工单位山西水务科技有限公司单元工程名称、部位施工日期 年 月 日~ 年 月 日项次检验项目质量要求检查(测)记录合格数合格率主控项目1管材及管件的材质、规格、耐压等级符合设计。具备产品质量合格证、安装说明书和出...

1、当您付费下载文档后,您只拥有了使用权限,并不意味着购买了版权,文档只能用于自身使用,不得用于其他商业用途(如 [转卖]进行直接盈利或[编辑后售卖]进行间接盈利)。
2、本站所有内容均由合作方或网友上传,本站不对文档的完整性、权威性及其观点立场正确性做任何保证或承诺!文档内容仅供研究参考,付费前请自行鉴别。
3、如文档内容存在违规,或者侵犯商业秘密、侵犯著作权等,请点击“违规举报”。

碎片内容

PE管道安装质量评定表

您可能关注的文档

一帆文传+ 关注
实名认证
内容提供者

欢迎光临店铺,各类公文供您挑选。

确认删除?
VIP
微信客服
  • 扫码咨询
会员Q群
  • 会员专属群点击这里加入QQ群
客服邮箱
回到顶部