风管与配件(部件)安装常见质量问题及防治措施一、风管刚度不够、噪声过大1、现象风管采用钢板厚度达不到标准及不按规定加固,造成风管强...
风管与配件制作检验批质量验收记录表(非金属、复合材料风管)GB50243-2002(Ⅱ)080101080201080301080401080501单位(子单位)工程名称分部...
风管系统安装检验批质量验收记录表(送、排风,防排烟,除尘系统)GB50243-2002(Ⅰ)080103080203080303080403080503单位(子单位)工程名称...
酚醛彩钢复合风管制作安装施工工法酚醛彩钢复合板是酚醛泡沫板与彩钢板复合制成夹芯板。现场按设计规格尺寸加工,成型,一次吊装,无须再加...
第1页共2页编号:时间:2021年x月x日书山有路勤为径,学海无涯苦作舟页码:第1页共2页风管系统安装(空调系统)检验批质量验收记录(GB50243-...
第1页共17页编号:时间:2021年x月x日书山有路勤为径,学海无涯苦作舟页码:第1页共17页风管及部件安装质量管理依据标准:《建筑工程施工质...
第519页共2页编号:时间:2021年x月x日书山有路勤为径,学海无涯苦作舟页码:第519页共2页风管与配件制作检验批质量验收记录表(金属风管)GB...
风管部件与消声器制作工程检验批质量验收记录表GB50243—2002080102□□080402□□080502□□单位(子单位)工程名称分部(子分部)工程名...
第519页共2页编号:时间:2021年x月x日书山有路勤为径,学海无涯苦作舟页码:第519页共2页风管与配件制作检验批质量验收记录表(非金属、复...
第519页共2页编号:时间:2021年x月x日书山有路勤为径,学海无涯苦作舟页码:第519页共2页风管系统安装检验批质量验收记录表(空调系统)GB50...
风管部件与消声器制作检验批质量验收记录(GB50243-2002)表C.2.2编号:WZCXJZ/QR080103/080406/080506□□□工程名称分项工程名称验收部位施...
第519页共2页编号:时间:2021年x月x日书山有路勤为径,学海无涯苦作舟页码:第519页共2页风管与配件制作检验批质量验收记录表(金属风管)GB...
第519页共2页编号:时间:2021年x月x日书山有路勤为径,学海无涯苦作舟页码:第519页共2页风管与配件制作检验批质量验收记录表(非金属、复...
第519页共2页编号:时间:2021年x月x日书山有路勤为径,学海无涯苦作舟页码:第519页共2页风管与配件制作检验批质量验收记录表(非金属、复...
第519页共2页编号:时间:2021年x月x日书山有路勤为径,学海无涯苦作舟页码:第519页共2页风管系统安装检验批质量验收记录表(送、排风,防...
第1页共9页编号:时间:2021年x月x日书山有路勤为径,学海无涯苦作舟页码:第1页共9页风管部件制作质量管理依据标准:《建筑工程施工质量验...
第1页共1页编号:时间:2021年x月x日书山有路勤为径,学海无涯苦作舟页码:第1页共1页客户销售报告表月份页次预计实际预计实际预计实际预计...
第519页共2页编号:时间:2021年x月x日书山有路勤为径,学海无涯苦作舟页码:第519页共2页风管系统安装检验批质量验收记录表(送、排风,防...
第1页共2页编号:时间:2021年x月x日书山有路勤为径,学海无涯苦作舟页码:第1页共2页风管系统安装(送、排风、排烟系统)检验批质量验收记录...
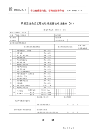
第1页共2页编号:时间:2021年x月x日书山有路勤为径,学海无涯苦作舟页码:第1页共2页风管系统安装工程检验批质量验收记录表(Ⅲ)(净化空...

