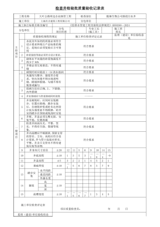
检查井检验批质量验收记录表工程名称大叶公路周边企业纳管工程检查部位傲珈生物公司路段污水井施工单位上海庆吉建筑工程有限公司分包单位施...
雨水检查进检验批质量检验记录 编号:工程名称施工单位分部工程名称子分部工程名称分项工程名称验收批部位工程数量项目经理施工负责人技术...
检查井施工方案一、工程概况本工程除排水、路灯管线外,由于其余综合管线有可能不与道路同步实施,为避开道路建成后对车行道进行开挖,对道...
道路检查井施工操作规程道路检查井周围路面沉降、裂缝和破损历来是城市道路建设中的顽症,也是我市长期以来存在的一项通病,其不仅严重影响...
检查井施工方案一、编制依据(一)、临离高速公路路基二合同段招标文件、图纸、参考资料、我单位投标书等。 (二)、现行施工法律规范、规程...
古交市汾河市区段河道治理污水收集工程检查井施工专项方案编制人审核人审批人山西国基建设集团有限公司二 0 一四年八月度第一章 工 程...
第十三节检查井工程本工程污雨水检查分为圆形混凝土检查井、矩形混凝土检查井。圆形混凝土检查井采纳预制装配式混凝土检查井,井室按法律规...
检查井施工技术交底一、施工准备 1、明挖管道铺设接口强度达到设计强度 80%; 2、选定好砂、石子、水泥、砖、钢筋等原材料,送样到试验室...
检查井砌筑报验表工程名称:蒙城县许疃镇污水处理厂配套污水管网延伸工程施工 编号:致:合肥市工程建设监理有限公司(项目监理机构) 我...
检查井施工方案一、施工准备(一)、测量人员仔细核对图纸,了解设计意图,并进行了现场施工放样。(二)、人员和机械设备已经就绪,施工场地...
检查井施工工艺(一)1、施工排水:1。1 在检查井施工过程中,必须做到不间断排水,严禁带水操作。1。2 沟槽开挖采纳明沟排水施工时,应在...
检查井工程检验批质量验收记录表市政验收—14工程名称分部分项工程名称验收部位施工单位项目经理技术负责人施工执行标准名称及编号 主控项...
检查井及雨水口施工方案1、检查井及雨水口材料检查井和雨水口结构有砖石砌体和混凝土结构(包括现浇混凝土和预制装配式构件)以及踏步,井盖...
检查井加固维修方案检查井是在地下管线位置上每隔一定距离修建的竖井.主要供检修管道、清除污泥及用以连接不同方向、不同高度的管线使用 ...
望京北路(利泽西二路~溪阳东路)道路大修工程检查井、雨水口施工方案北京城建道桥建设集团有限公司望京北路(利泽西二路~溪阳东路)道路...
检查井加固维修方案检查井是在地下管线位置上每隔一定距离修建的竖井。主要供检修管道、清除污泥及用以连接不同方向、不同高度的管线使用。...
输水管道工程检查井工序质量评定表监理单位:新疆水利水电工程建设监理中心库什塔依水电站工程监理部 合同编号:KSTY—1605—1222承建单位:...
烟台经济技术开发区嘉陵江路改造工程排水工程检查井加固施工方案审 核 人 :审 批 人 :编 制 人 :北京市政建设集团有限责任公司...
编 制:审 核:泸州市市政建设有限责任公司泸州市 2024 年江阳区、龙那潭区市政工程施工项目经理部二零一七年七月一日目 录1、施工概况...
雨水井、检查井施工措施工艺流程: 井基础垫层混凝土-—-井室模板支搭-——井室钢筋绑扎安装———井室混凝土浇注-—-井室模板拆除—-—井...

