断路器施工强制性条文执行记录表 表号:5-B-1 编号: 单位工程名称 分部工程名称 检查项目 施工单位 江西省火电建设公司 项目经理...
宁夏京能宁东水洞沟电厂一期2×660MW 机组工程电气专业强制性条文实施细则 编号:HANDGC-2009-C003 出版日期:2009 年 09 月 第 1 ...
电梯工程施工质量验收与强制性标准条文
大唐巩义发电有限责任公司 强 制 性 条 文 执 行 实 施 计 划 2016 年 2 月 大唐巩义“上大压小”新建工程 强制性条文执...
输 变 电 工 程 施 工 强 制 性 条 文 执 行 记 录 表 工 程 名 称 施 工 单 位 项 目 经 理 监 理 单 位...
电力建设工程强制性条文实施计划
xxxxxxxx 工程建设标准强制性条文 执 行 情 况 检 查 表 xxxxxx 有限公司 11xxxx 项目部 2009 年 10 月 《强制性条文》执...
安 居 110kV 变 电 站 工 程 电 缆 沟 强 制性条文执行记录表 1 边 坡 、 基 坑 支 护 施 工 质 量 强 制 性 ...
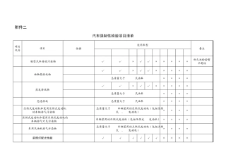
附件二 汽车强制性检验项目清单 项目代号 项目 依据 适用车型 备注 M1 M2 M3 N1 N2 N3 O1 O2 O3 O4 01 轻型汽车排放污染...
编号:CNCA— 02C— 058: 2005 机动车辆产品强制性认证实施规则 汽车外部照明及光信号装置产品 2005-10-10 发布 2005-12-01 实施...
汽车产品强制性标准检验项目清单 项目代号 检验项目 依据 适用车型(GB/T15089-2001) 标准执行日期 备注 M1 M2 M3 N1 N2 N3 O1...
制造商:车型系列代号:申请编号:车辆类别:申请检测机构:样品数量:车型型号:产品名称: 车型型号:检验类别:GB 7258-2012GB13392-2005GB...
- 1 - 汽轮发电机安装工程强制性条文执行计划表 表 4-A 工程编号 工程名称 责任单位 强制性条文 执行表号 单 位 工 程 分 ...
华能玉环电厂一期工程 汽机专业强制性条文实施细则 ( B 版) 编制人:祁民强 审核人:陈流长 批准人:张学超 编制单位:浙江省火...
江苏省住宅工程质量通病控制标准(上) 1 总则 2 术语 3 基本规定 4 基础与基础工程 4.1沉降变形对上部建筑的影响 4.2桩身质量(地...
水运工程强制性条文 第一篇 综合类 1 《海港总平面设计规范》(JT J 211—99) 2 《河港工程设计规范》(GB 50192—93) 3 《渠化工...
民用建筑供暖通风与空气调节设计规范 3.0.6 设计最小新风量应符合下列规定: 1 公共建筑主要房间每人所需最小新风量应符合表3.0.6...
1 *********工程 建设标准强制性条文(水利工程)监理实施细则 编制: 审核: 审批: 2 0 1 8 年 1 0 月 1 0 日 2 1概述...
.W ORD.格式. 专业整理 资料分享 目 录 一 、 编 写 依 据 ..................................................................
水利工程建设标准强制性条文 (2016 版) 二〇一五年十二月 目 录 第一篇 水利工程设计 ...........................................

