大坝浆砌石施工方案坝体浆砌石是拦河大坝工程的主要分部工程,共分为五个坝段,即中间三个溢流坝段和左、右岸两个挡水坝段。其中左岸挡水坝...
第1页共13页编号:时间:2021年x月x日书山有路勤为径,学海无涯苦作舟页码:第1页共13页浆砌片石挡土墙施工技术交底中铁十六局集团有限公司...
水电建筑工程中的土方、石方、堆砌石工程单价编制薛瑞斌各位同行大家好!集团公司组织的工程造价培训班的目的,是想让大家掌握工程造价的编...
第1页共83页编号:时间:2021年x月x日书山有路勤为径,学海无涯苦作舟页码:第1页共83页大坝C15混凝土砌毛石及坝体混凝土施工方案第一节工...
第1页共5页编号:时间:2021年x月x日书山有路勤为径,学海无涯苦作舟页码:第1页共5页幸福闸进口浆砌石挡土墙,底板采用型凿岩机钻孔,孔距...
水电建筑工程中的土方、石方、堆砌石工程单价编制薛瑞斌各位同行大家好!集团公司组织的工程造价培训班的目的,是想让大家掌握工程造价的编...
第1页共57页编号:时间:2021年x月x日书山有路勤为径,学海无涯苦作舟页码:第1页共57页水利水电基本建设工程单元工程质量等级评定标准(七...
幸福闸进口浆砌石挡土墙,底板采用型凿岩机钻孔,孔距0.8m,排距,孔深。~。,单耗。~。采用电雷管进孔。电力并串起爆。闸室段及砼排架爆...
黔中水利枢纽三通一平及导流洞工程砂浆砌石工程施工监理施行细那么审定:周幸福牛吉勇孙发亮贵州江河水利监理黔中水利枢纽工程监理部二○一...
NT/ER09-02作业技术交底记录表编:平安措施〔作业指导书〕编及名称2转运站施工工程砌体工程施工潍坊水利记录人主持人交底人交底时间2006年1...
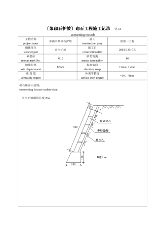
〔浆砌石护坡〕砌石工程施工记录建-13stoesettingrecords工程名称projectname幸福河浆砌石护坡施工constructionpany道第一工程砌体部位ston...
砌石工程施工工艺流程图测量放样基坑开挖、排水根底施工石块清洗潮湿片石砌筑砌体勾缝养生挂线施工基底处理检查、验收、签证砂浆搅拌质量检查
砌石工程监理施行细那么12.1总那么(1)本细那么编制根据:1)工程施工合同、质量监理合同。2)SL260-98?堤防工程施工?。3)SDJ207-82?水工...
浆砌石工程监理施行细那么一、总那么1.2本细那么适用于浆砌石体工程。1.3浆砌石工程施工监理应以施工过程现场控制为重点工程质量应实行单元...
浆砌片石挡土墙施工技术交底中铁十六局集团有限公司达陕高速公路D4合同段项目经理部2010年11月浆砌片石挡土墙施工技术交底1、砌石挡土墙1.1...
大坝C15混凝土砌毛石及坝体混凝土施工方案第一节工程概况1.1工程概述(1)工程位置册亨县三岔河水库位于贵州省册亨县巧马镇巧马林场的三岔...
水利水电基本建设工程单元工程质量等级评定标准(七)碾压式土石坝和浆砌石坝工程SL38-92说明总则第一部分碾压式土石坝工程第一章土石坝坝...
浆砌石挡土墙护坡方案砌筑工程施工方案一、工程概况:s234平桐线改建工程ptx-1标段,k0+000-k7+300深挖高填方段采用挡土墙防护,挡土墙基础...
浆砌石挡土墙护坡方案XX县区新城弃土区护坡景观工程浆砌筑挡墙施工方案一、工程概况二、主体工程施工方案三、施工组织保证措施四、劳动力计...
第1页共57页编号:时间:2021年x月x日书山有路勤为径,学海无涯苦作舟页码:第1页共57页水利水电基本建设工程单元工程质量等级评定标准(七...

