隐蔽天线产品单页资料 ※基站、直放站及室内分布类※ (V 1001) 天馈事业部 2 0 1 0 年 5 月 目 录 一、排气管型电调天线.....
精心整理隐蔽工程检查验收记录200 年月日质检表 4工程名称隐检项目石门镇农民饮用水工程填土施工单位隐检部位浙江府都建设有限公司①管道...
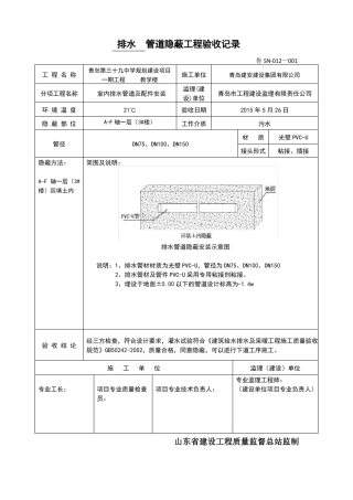
排水管道隐蔽工程验收记录鲁 SN-012—001工 程 名 称分项工程名称环 境 温 度隐 蔽 部 位管径隐蔽方法:A-F 轴一层(3#楼)回填...
隐蔽工程验收记录质控(建)表 4.1.5.3共 页 第 页工程名称分部(子分部)工 程 名 称隐蔽项目枋湖行包房工程主体结构分部(砌体结构...
房建、路桥隐蔽工程大汇总,实例解读一目了然!工程施工隐蔽工程是关键,如果隐蔽工程没有做好,表面做的再漂亮,也是徒劳。什么是隐蔽工程...
强弱电隐蔽工程注意事项(一)、电工国标规定家居中一般指弱电为电话、电视、宽带等,强电为电源线。两者不能同穿一根管内,平行距离为 30...
隐 蔽 工 程 验 收 记 录验收日期:年月日第页工程名称中州大道综合整治绿化工程第 15 标段检验批名称隐蔽工程验收内容部位规 格...
表 C3—5—1建筑节能隐蔽工程验收记录编号工程名称隐蔽验收部位隐检依据外墙玻化微珠保温隐检项目隐检时间施工图纸,验收规范外墙保温隐检...
表 C3-5-1隐蔽工程验收记录施工单位:晋城市瑞麒建筑工程有限公司编号:工程名称隐蔽验收部位隐检依据隐检内容:山西天巨重工机械有限公司...
归档编号C 3-3-1 给水管 道 系统隐蔽 压力(灌水)试验记录 工程名称 大连未来冶金 办公楼 施工单位 世达旺恒分公司 建设单位 ...
浙建监A 5-3 隐 蔽 工程报验申请表 工程名称:杭州千岛湖滨江度假酒店工程 编号:A 5-3 □□□ 致: 杭州信达投资咨询估价监理有...
87种隐蔽工程验收记录填写范例
87种隐蔽验收记录填写方法
抹 灰 工 程 隐 蔽 检 查 记 录 渝 建 竣 -72 工 程 名 称 水 韵 书 香 二 期 工 程 C2 栋 施 工 单 位 ...
株质安监统编 2008 施隐 - 1 隐蔽工程检查验收记录(一) 工程名称:栗雨城·颐景园住宅小区附属工程第四标段道路工程 306001□□ ...
496家用中央空调隐蔽工程完工报告书
1 / 9 隐 蔽 工 程 验 收 记 录 表 编 号 : BJ-001 工 程 名 称 35KV 北 镜 线 输 电 线 路 改 造 工 程...
01分项工程名称 监理(建设)单位 验收结论符合要求,同意进入下道工序。(公章) 专业监理工程师:(建设单位项目专业技术负责人): 年 月...
墙 体 节 能 工 程报 验 申 请 表工程名称:荷塘商业综合楼致: 繁昌县同力建设工程监理有限公司(监理单位)我单位已完成了南立...
隐 蔽 工 程 验 收 记 录建 设 单 位石阡县教育局监 理 单 位施 工 单 位质量情况转角处工 程 名 称 :石 阡 县 五...

