电脑桌面
添加小米粒文库到电脑桌面
安装后可以在桌面快捷访问

外墙外保温隐蔽工程验收记录

外墙外保温隐蔽工程验收记录_第1页
1/6
外墙外保温隐蔽工程验收记录_第2页
2/6
外墙外保温隐蔽工程验收记录_第3页
3/6
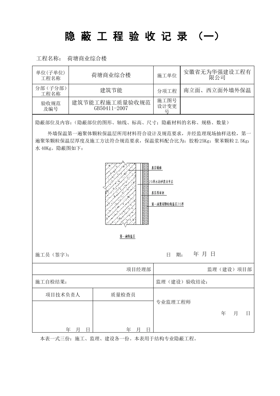
墙 体 节 能 工 程报 验 申 请 表工程名称:荷塘商业综合楼致: 繁昌县同力建设工程监理有限公司(监理单位)我单位已完成了南立面、西立面外墙墙体节能工程施工工作,现报上该工程报验申请表,请予以审查和验收。附件:隐蔽工程验收记录施工单位(章)项目经理日期年月日审核意见:项目监理机构总/专业监理工程师日期年月日本表一式三份:施工、监理、建设各一份。隐 蔽 工 程 验 收 记 录 (一)安徽省无为华强建设工程有限公司工程名称: 荷塘商业综合楼单位(子单位)工程名称分部(子分部)工程名称验收规范及编号荷塘商业综合楼建筑节能施工单位分项工程南立面、西立面外墙外保温建筑节能工程施工质量验收规范施工图号设计变更GB50411-2007号隐蔽部位及内容:(隐蔽部位的图形、轴线、标高、尺寸;隐蔽材料的名称、规格、数量)外墙保温基层处理所用材料符合设计及规范要求,界面剂施工方法符合规范要求,配合比为:界面剂 25Kg:中细砂 25Kg:水泥 25Kg,隐蔽图如下:施工员(签字):日期:年月日项目经理部施工自检结果:项目技术负责人质量检查员专业监理工程师年月日年月日年月日监理(建设)项目部监理(建设)验收结论:本表一式三份:施工、监理、建设各一份。本表用于结构专业隐蔽工程。隐 蔽 工 程 验 收 记 录 (一)安徽省无为华强建设工程有限公司工程名称: 荷塘商业综合楼单位(子单位)工程名称分部(子分部)工程名称验收规范及编号荷塘商业综合楼建筑节能施工单位分项工程南立面、西立面外墙外保温建筑节能工程施工质量验收规范施工图号设计变更GB50411-2007号隐蔽部位及内容:(隐蔽部位的图形、轴线、标高、尺寸;隐蔽材料的名称、规格、数量)外墙保温第一遍聚体颗粒保温层所用材料符合设计及规范要求,并经监理现场抽样送检,第一遍聚笨颗粒保温层厚度及施工方法符合规范要求,保温浆料配合比为:胶粉25Kg:聚苯颗粒 2.5Kg:水 40Kg。隐蔽图如下:施工员(签字):日期:年 月 日项目经理部施工自检结果:项目技术负责人质量检查员专业监理工程师年月日年月日年月日监理(建设)项目部监理(建设)验收结论:本表一式三份:施工、监理、建设各一份。本表用于结构专业隐蔽工程。隐 蔽 工 程 验 收 记 录 (一)安徽省无为华强建设工程有限公司工程名称: 荷塘商业综合楼单位(子单位)工程名称分部(子分部)工程名称验收规范及编号荷塘商业综合楼建筑节能施工单位分项工程南立面...

1、当您付费下载文档后,您只拥有了使用权限,并不意味着购买了版权,文档只能用于自身使用,不得用于其他商业用途(如 [转卖]进行直接盈利或[编辑后售卖]进行间接盈利)。
2、本站所有内容均由合作方或网友上传,本站不对文档的完整性、权威性及其观点立场正确性做任何保证或承诺!文档内容仅供研究参考,付费前请自行鉴别。
3、如文档内容存在违规,或者侵犯商业秘密、侵犯著作权等,请点击“违规举报”。

碎片内容

外墙外保温隐蔽工程验收记录

确认删除?
VIP
微信客服
  • 扫码咨询
会员Q群
  • 会员专属群点击这里加入QQ群
客服邮箱
回到顶部