江华 S355 分水岭至白芒营公路第 2 标段浆砌片石挡土墙(护脚墙)(K35+700-K35+720)首件工程施工技术方案湖南金沙路桥建设有限公司江...
新 建 铁 路格尔木至库尔勒线(青海段)GKQ HJL 4(CK27 2+000(不含)~C K 394+5 5 2(含))路基工程首件评估监理实施细...
首件工程样板制度1、为从源头抓好质量管理,深化提高施工质量管理水平,切实保证地铁工程质量,特制定本制度。2、首件验收范围:单位工程动...
长春至深圳公路新民至鲁北联络线通辽至鲁北段公路箱梁预制首件施工方案中冶交通通鲁项目第四分部 编制: 审核: 二零一五年八月目 录1 ...
延安安塞经志丹至吴起高速公路洞口工程首件工程评价报告江西有色工程有限公司LJ24 合同段项目经理部年 月 日延安安塞经志丹至吴起高速公...
重庆轨道交通九号线一期工程土建9标(溉澜溪站)溉澜溪站钻孔灌注桩(桩基开挖、钢筋笼制作及安装)首件验收施工小结中国建筑第四工程局有限...
张呼铁路客运专线 ZHJL-6 标段连续梁 0 号梁段支架现浇及 1 号梁段悬臂浇筑首件工程监理总结 编制 审核 批准 北京中铁诚业工程建...
路面边缘排水设施首件工程施工方案第一章 编制依据1、《公路工程质量检验评定标准》 JTG F80/1-2025;2、 设计施工图纸及设计技术交底...
目 录1 编制依据与范围..........................................11 、1 编制依据 ................ ERROR: REFERENCE SOURCE ...
桥面铺装首件施工方案神池至岢岚高速公路 TJ1 合同段项目经理部四川公路桥梁建设集团有限公司2025 年 8 月目 录一、 工程概况.........
首件钻孔灌注桩施工方案一、工程概况1、瑞平塘河大桥桩基为钻孔灌注桩,共有桩基 120 根,其中 Φ1.3m 为 88 根,Φ1.5m 为 32 根...
新建吴忠至中卫城际铁路施工组织设计/方案报审表(TA1)工程项目名称:吴忠至中卫城际铁路工程 施工合同段:吴忠至中卫城际铁路第四项目部...
山龙湾大桥及引道工程 LWS-02 合同段桥梁主塔施工首件工程监理总结 __________________ __________________山龙湾大桥及引道工程工程监...
贵州省道真至新寨高速公路河溪至流河渡段 TJ14 标段K121+230∼K134+370墩柱首件工程施工方案编制: 复核: 审核: 中交路桥北方工程有...
初支护首件工程监理总结---团结隧道右幅 K17+242~K17+248一、工程概况团结隧道为一座别离式隧道右幅起止桩为 K17+220~K18+095 全长 875...
09 分部抛石挤淤首件施工方案 内江城市过境高速公路 抛石挤淤首件工程施工方案 天津城建集团有限公司 内江城市过境高速公路项目八分部...
1承台首件施工总结京台高速廊坊段永定河特大桥,全长 7.108km,LQ3 合同全长3.494km/0.5 座。永定河特大桥设承台 30 个,本合同段设承...
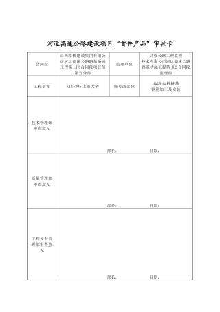
河运高速公路建设项目“首件产品”审批卡合同段山西路桥建设集团有限公司河运高速公路路基桥涵工程第 LJZ 合同段项目部第五分部监理单位...
龙湾大桥及引导工程首件工程认可制实施办法第一章总则第一条 为了加强龙湾大桥及引导工程施工质量(内在质量、外观质量、档案质量)的管理...
首件工程监理细则编制: 审核: 批准: 目 录一.编制依据二、工程概况三、首件工程监理预初审评估机构及职责四、首件工程划分原则及评...

