永银化工危险化学品重大危险源辨识xx 公司危险化学品重大危险源辨识报告年 月日页脚内容18永银化工危险化学品重大危险源辨识目 录第 1...
WORD 格式...危险化学品重大危险源辨识GB18218-2018(2018 年 11 月 19 日发布 2019 年 3 月 1 日起实施)前言本标准的全部技...
危 险 化 学 品 重 大 危 险 源 辨 识(GB18218-2009)2009年3月31日发布2009年12月1日实施前言本标准的全部技术内...
《危险化学品重大危险源辨识》(GB18218-2021)危险化学品重大危险源辨识 GB18218-202120140331发布20140701实施前 言本标准的...
危险化学品重大危险源辨识危险化学品重大危险源辨识前言本标准的全部技术内容为强制性的。本标准按照 GB/T1.1-2009 给出规则起草。本标准...
危 险 化 学 品 重 大 危 险 源 辨 识(GB18218-2009)2009年3月31日发布2009年12月1日实施前言本标准的全部技术内...
危险化学品重大危险源辨识 GB18218-2021前言2014-03-01 发布 2014-07-01 实施本标准的全数技术内容为强制性的。本标准代替 GB18218—2...
危险化学品重大危险源辨识GB18218-2018(2018 年 11 月 19 日发布 2019 年 3 月 1 日起实施)前言本标准的全部技术内容为强制性...
危 险 化 学 品 重 大 危 险 源 辨 识2014前言本标准的全部技术内容为强制性的。本标准代替GB18218—2009《重大危险源...
危 险 化 学 品 重 大 危 险 源 辨 识(GB18218-2009)2009年3月31日发布2009年12月1日实施前言本标准的全部技术内...
《危险化学品重大危险源辨识》(GB18218-2014)危险化学品重大危险源辨识 GB18218-201420140331发布20140701实施前 言本标准的...
危 险 化 学 品 重 大 危 险 源 辨识 Last updated on the afternoon of January 3, 2021危险化学品重大危险源辨识GB18...
应急预案流程图突发重大事件应急处置程序发生重大突发事件事发科室现场紧急处置拨打总机XXXXX报 告 总 值 班903122总机通知专项应急处...
重大危险源登记备案制度 第一章总则 第一条为全面掌握本县行政区域内重大危险源的基本情况,加强对重大危险源的监督管理,提高重大危险源...
下载后可任意编辑2024 年工贸企业重大危险源管理制度一、目的通过对本公司重大危险源的辨识和管理,预防重大事故的发生。二、适用范围本制...
单位:发生原因技 术 和 管 理 措 施责任部门完成时间1坍塌事故为零支架失稳坍塌1.未按报批的方案、施组、工法施工2.无专项方案、搭...
初中历史中国及世界重大事件时间表(一)中国历史重大事件一 、原始社会(约 170 万年前到约公元前 21 世纪)约 170 万年前 元谋人...
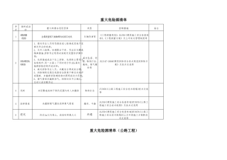
重大危险源清单序号1场所或活动道路测量(复测)重大的潜在危险因素金属测量塔尺碰触裸线或高压电线类型车辆伤害等控制措施《工程测量规范...
公路水运工程建设重大事故隐患清单管理制度第一条为强化公路水运工程建设安全生产管理工作,推动重大事故隐患管理工作,遏制重、特大生产安...
12 举报重大安全生产隐患和违规违法行为奖励制度 安全生产隐患和事故举报奖励制度 第一条为加强安全生产监督管理,动员社会各方面的力量...

