电脑桌面
添加小米粒文库到电脑桌面
安装后可以在桌面快捷访问

公路重大危险源清单VIP专享

公路重大危险源清单_第1页
1/7
公路重大危险源清单_第2页
2/7
公路重大危险源清单_第3页
3/7
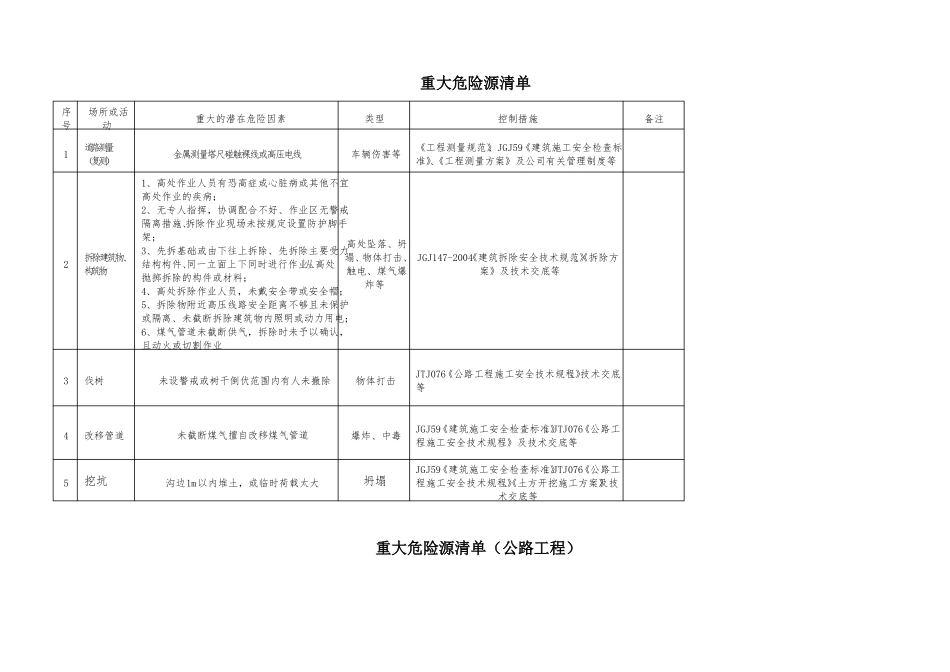
重大危险源清单序号1场所或活动道路测量(复测)重大的潜在危险因素金属测量塔尺碰触裸线或高压电线类型车辆伤害等控制措施《工程测量规范》、JGJ59《建筑施工安全检查标准》、《工程测量方案》及公司有关管理制度等备注21、高处作业人员有恐高症或心脏病或其他不宜高处作业的疾病;2、无专人指挥,协调配合不好、作业区无警戒隔离措施、拆除作业现场未按规定设置防护脚手架;高处坠落、坍3、先拆基础或由下往上拆除、先拆除主要受力拆除建筑物、塌、物体打击、 JGJ147-2004《建筑拆除安全技术规范》、《拆除方结构构件、同一立面上下同时进行作业、从高处构筑物触电、煤气爆案》及技术交底等抛掷拆除的构件或材料;炸等4、高处拆除作业人员,未戴安全带或安全帽;5、拆除物附近高压线路安全距离不够且未保护或隔离、未截断拆除建筑物内照明或动力用电;6、煤气管道未截断供气,拆除时未予以确认,且动火或切割作业伐树未设警戒或树干倒伏范围内有人未撤除物体打击JTJ076《公路工程施工安全技术规程》、技术交底等34改移管道未截断煤气擅自改移煤气管道爆炸、中毒JGJ59《建筑施工安全检查标准》、JTJ076《公路工程施工安全技术规程》及技术交底等JGJ59《建筑施工安全检查标准》、JTJ076《公路工程施工安全技术规程》、《土方开挖施工方案》及技术交底等5挖坑沟边1m以内堆土,或临时荷载太大坍塌重大危险源清单(公路工程)编制部门:安全管理部第 2 页 共7 页序号编号场所或活动重大的潜在危险因素1、深沟槽沟槽边无防护措施;6Zwy-06挖沟、槽2、机械挖土机械作业范围内,有其他人工交叉作业;3、深沟槽开挖未降水,出现流沙层;4、临近建筑物开挖深沟槽,缺少对建筑物的保护措施。1、起重机臂下有人作业或经过;2、起重吊运管道无人指挥,作业不协调。正常现在高处坠落、机械伤害、坍塌或建筑物倒塌√消□√预□√隔□减□√警□锁□JGJ59《建筑施工安全检查标准》、JTJ076《公路工程施工安全技术规程》、《土方开挖施工方案》及技术交底等状态时态类型拟采取的风险控制方法执行标准或文件备注7沟 槽 内 管Zwy-07道 安 装 作业架空线路安装正常现在起重伤害√消□√预□□减□隔√警□锁□√√预□消□□减□隔□锁□警√消□√预□□减□隔□锁□警√√预□消□□减□隔□锁□警√消□√预□□减□隔□锁□警√消□√预□□减□隔□锁□警JGJ59《建筑施工安全检查标准》、《安装方案》及技术交底等《建筑工程施工现场供用电安全规范》GB...

1、当您付费下载文档后,您只拥有了使用权限,并不意味着购买了版权,文档只能用于自身使用,不得用于其他商业用途(如 [转卖]进行直接盈利或[编辑后售卖]进行间接盈利)。
2、本站所有内容均由合作方或网友上传,本站不对文档的完整性、权威性及其观点立场正确性做任何保证或承诺!文档内容仅供研究参考,付费前请自行鉴别。
3、如文档内容存在违规,或者侵犯商业秘密、侵犯著作权等,请点击“违规举报”。

碎片内容

公路重大危险源清单

确认删除?
VIP
微信客服
  • 扫码咨询
会员Q群
  • 会员专属群点击这里加入QQ群
客服邮箱
回到顶部