2023年云南省曲靖市宣威市普立乡攀枝嘎村社区工作人员考试模拟试题及答案答题时间:120分钟试卷总分:100分试卷试题:共200题一.单选题(共1...
第一课:正确认识自我第一课时生命独特而可贵【教学目标】★情感、态度、价值观:体会生命的独特与可贵。★能力:通过认识生命的独特和可贵...
第二课:步入青春期的我第一课时:春蕾初绽【教学目标】★情感、态度,价值观:悦纳自己并尊重他人的青春期生理变化。★能力:具备处理青春...
2014-2015学年四川省攀枝花市米易中学高三(上)月段考生物试卷(12月份)一、选择题(每小题只有一个选项最符合题目要求,本部分共7小题,...
第1页共2页编号:时间:2021年x月x日书山有路勤为径,学海无涯苦作舟页码:第1页共2页攀枝花市民用居住建筑节能设计审查备案表备案编号:设...
四川省攀枝花市《教育专业能力测验》教师教育(说明:本题库收集历年及近期考试真题,全方面的整理归纳备考公考之用。)一、单选题1.教师的...
第1页,共18页2024年四川省攀枝花市中考历史模拟适应性训练试卷一、单选题:本大题共30小题,共60分。1.如图所示的内容反映出唐朝()A.男...
第1页,共16页2023年四川省攀枝花市中考道德与法治试卷一、选择题(本大题共20小题,共60分)1.2023年1月1日,《铁路旅客运输规程》正式施...
四川省攀枝花市第十二中学2013届高三语文《家》名著导读1觉新和梅的爱情悲剧:觉新和表妹钱梅芬青梅竹马,但梅的母亲和觉新的继母周氏在牌...
四川省攀枝花市第十二中学高三语文古文背诵段篇新人教版1、荆轲刺秦王太子及宾客知其事者,皆白衣冠以送之。至易水上,既祖,取道。高渐离...
四川省攀枝花市第十二中学高三语文古诗词背诵段篇新人教版12、卫风·氓氓之蚩蚩,抱布贸丝。匪来贸丝,来即我谋。送子涉淇,至于顿丘。匪我...
四川省攀枝花市第十二中学2013届高三语文《巴黎圣母院》名著导读1、愚人王选举1432年1月6日,巴黎市民沉浸在“愚人节”的狂欢中。法院大厅...
四川省攀枝花市第十二中学2013届高三语文《三国演义》名著导读1、桃园结义(1回)东汉末年为镇压黄巾起义,官府四处发放榜文,招兵买马。刘...
四川省攀枝花市第十二中学2013届高三语文《红楼梦》名著导读贾宝玉的故事第2回:宝玉得名和抓周王夫人生了一位公子,一落胎胞,嘴里便衔...
第1页共2页编号:时间:2021年x月x日书山有路勤为径,学海无涯苦作舟页码:第1页共2页攀枝花市公共建筑节能设计审查备案表备案编号:设计单...
攀枝花乡碧播村新农村建设调研报告(张萍)5篇XX县区攀枝花乡碧播村新农村建设调研报告碧播新农村建设指导员张萍(2011年5月30日)2011年,我...
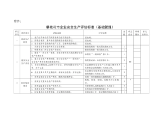
附件:攀枝花市企业安全生产评估标准(基础管理)单元序号评估项目评估内容评分标准分值单元总分单项得分单元实得分一依法生产经营1、生产...
宜宾职业技术学院毕业设计攀枝花市阳光丽景小区A幢住宅楼—技术标系部建筑工程系专业名称建筑设计技术班级建工1101姓名王海学号201012142指...
第1页共25页编号:时间:2021年x月x日书山有路勤为径,学海无涯苦作舟页码:第1页共25页攀枝花市国民经济和社会发展“十一五”规划纲要(20...
攀枝花市农村公路工程质量检验评定标准前言本标准编制依据:交通部《农村公路建设管理办法》(交通部[2004]3号令)、四川省《农村公路建设...

