第1页共4页编号:时间:2021年x月x日书山有路勤为径,学海无涯苦作舟页码:第1页共4页序号分部工程子分部工程分项工程1地基与基础无支护土...
一、升压站土建质量验收及评定范围表表4.0.1-1变电站工程质量验收及评定范围表工程编号工程名称验收单位标准编号单位工程子单位工程分部工...
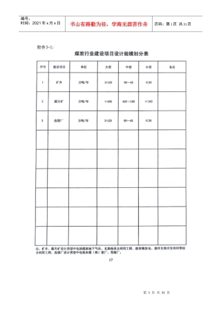
第1页共43页编号:时间:2021年x月x日书山有路勤为径,学海无涯苦作舟页码:第1页共43页附表1:工程设计行业划分表序号行业备注(一)煤炭(...
第1页共44页编号:时间:2021年x月x日书山有路勤为径,学海无涯苦作舟页码:第1页共44页工程项目划分表工程项目名称:蚌埠市龙子湖区李楼乡...
第1页共85页编号:时间:2021年x月x日书山有路勤为径,学海无涯苦作舟页码:第1页共85页4.2施工质量验收范围划分及通用表格表4.2.1-1常规锅...
2012年版建筑工程分部分项划分表序号分部工程子分部工程分项工程1地基与基础无支护土方土方开挖,土方回填。有支护土方排桩,降水与排水,...
第1页共2页编号:时间:2021年x月x日书山有路勤为径,学海无涯苦作舟页码:第1页共2页企划管理类职权划分表区分业务内容经办单位权限备注承...
第1页共31页编号:时间:2021年x月x日书山有路勤为径,学海无涯苦作舟页码:第1页共31页第2页共31页第1页共31页编号:时间:2021年x月x日书...
铝合金锭化学成分表合金牌号AC2AAC2BAC4BAC4DAC8BAC8CADC1ADC10ADC10ZADC12ADC12ZADC14YL108YL112YL113YL117Si%4.0-6.05.0-7.07.0-10.04.5-...
《3.4实际问题与一元一次方程——探究2球赛积分表问题》教学设计方案授课时间:2012年12月3日课题名称《3.4实际问题与一元一次方程——探究...
建筑工程的分部(子分部)工程、分项工程划分表B・O・1建筑工程的分部(子分部)工程、分项工程可按表B.0.1划分。表B・O・1建筑工程分部工...
文档关于征求输电线路及变电站工程项目划分意见的通知输电线路工程项目划分说明一、本划分表的编制依据为:《110-500kV架空送电线路工程施...
表B建筑工程的分部工程、分项工程划分(建筑工程施工质量验收统一标准GB50300-2013)序号分部工程子分部工程分项工程1地基与基础地基素土、...
母子公司管控体系制度汇编之浙江天能集团人力资源管控母子公司管控重大权责划分表服务单位:上海华彩管理咨询有限公司二零零六年四月本报告...
第1页共111页编号:时间:2021年x月x日书山有路勤为径,学海无涯苦作舟页码:第1页共111页标准化要素评审表1法律、法规和标准(应得100分、...
企划管理类职权划分表区分业务内容经办单位权限备注承办人组长科长副理经理助理总经理董事长人事业务1.年度经营方针拟订企□△△△○会有...
第1页共8页编号:时间:2021年x月x日书山有路勤为径,学海无涯苦作舟页码:第1页共8页单位、分部、分项工程划分表单位工程分部工程(子分部...
部门名称:建筑标准设计室因素名称因素编号指标权重主任主任工程师标准设计管理后勤辅助责任因素1_1风险控制责任701_2成本控制责任401_3决...
第1页共7页编号:时间:2021年x月x日书山有路勤为径,学海无涯苦作舟页码:第1页共7页高速公路单位、分部、分项工程划分表单位工程分部工程...
第0页共85页编号:时间:2021年x月x日书山有路勤为径,学海无涯苦作舟页码:第0页共85页4.2施工质量验收范围划分及通用表格表4.2.1-1常规锅...

