夹套罐设计说明书学院:山西大同大学工学院专业:材料成型及控制工程(焊接)班级:10材料一班姓名:王垠雨指导教师:魏雷目录1设计说明......
竣工资料工程名称建设单位设计单位监检单位安装单位特殊工种登记表编号No:建设单位工程名称施工部位施工日期序号姓名工种钢印号合格证号备...
压力容器制造通用工艺规程QB/GC23—D/0-2012题目射线照相检测工艺规程版次/修订号:D/0第1页共10页1.适用范围及照相质量等级1.1。本工艺规...
(文件编号:SD2012-002)内蒙古伊东集团东兴氯碱化工综合利用项目容器安装工程施工组织方案北京顺大封头制造有限公司安装队二零一二年二月...
压力容器质量控制点一览表一、压力容器生产过程停止点序号停止点停止时间确认内容和执行条例执行人确认人见证件1审图编制受压元件工艺流转...
更多企业学院:《中小企业管理全能版》183套讲座+89700份资料《总经理、高层管理》49套讲座+16388份资料《中层管理学院》46套讲座+6020份...
压力容器、压力管道知识培训教材二〇〇六年编制目录压力容器及压力管道法规知识................................71压力容器及压力管道法规...
对于压力容器操作人员,安全要求如下:.1、操作人员必须遵守压力容器安全操作规程;.2、压力容器操作人员必须是受过培训,经过考核并取得操...
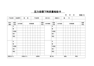
压力容器下料质量检验卡年月日检验-01产品名称设备图号规格产品材质设计压力试验压力编号板号规格检查内容允许误差实物检测检测评定板号规...
NO.压力容器安装质量证明书安装单位:容器名称及编号:煤气发生炉炉体汽包日期:年月日压力容器安装合格证工程名称:压力容器安装使用单位...
中建三局第三建设工程有限责任公司管理体系文件(依据TSG特种设备安全技术规范编制)压力管道压力容器安装维修改造质量手册编制:茹萍审核...
压力容器现场组焊工艺标准1.0适用范围本标准规定了压力容器现场组对和焊接的基本要求和工艺流程,不包含设备内件和附件安装。本标准适用于...
中华人民共和国行业标准JB4730—94压力容器无损检测Nondestructivetestingofpressurevessels1994-01-29发布1994-05-01实施中华人民共和国机...
第一章法规与标准1--1压力容器设计必须哪些主要法规和规程?答:1.《特种设备安全监察条例》国务院2003.6.12.《压力容器安全技术监察规程》...
前言1第1部分储罐设计分析2第1章储罐总体分析21.1储罐基本设计要求21.2储罐材料21.3储罐用钢板31.4配用锻件51.5配用螺栓、螺母5第2章储罐...
郑州大学论文题目:压力容器壳体的优化设计—中低压容器壳体的优化设计学生姓名贺李萍20080360109鲁灵涛20080360117王牧苏20080360123指导...
TSG特种设备安全技术规范TSGR0004—2009固定式压力容器安全技术监察规程SupervisionReguiationonSafetyTechnologyforStationaryPressureVes...
一、选择题(每题1分,共20分)1、《气瓶安全监察规程》规定,盛装一般气体的气瓶,每(B)年检验1次?A.2B.3C.52、气瓶的瓶体有肉眼可见的凸...
1.目的和适用范围为了使压力容器材料标识统一规范,具有唯一性和可追溯性。本规定适用于压力容器受压元件和焊接材料。2.材料标识的内容2.1...
压力容器安全技术监察规程目录第一章总则第二章材料第三章设计第四章安装使用管理与修理改造第五章定期检验第六章安全附件第一章总则第1条...

