- 1 - 附件1 企 业 安 全 隐 患 排 查 治 理 工 作 绩 效 评 估 办 法 ( 试 行 ) 为 建 立 健 全 安 全...
2 0 1 7 年安全隐患排查工作方案 批准: 审核: 编写: 发布日期: 2016年12 月 31 日 实施日期: 2017年01 月 01 日 一....
精品文档 . 企 业安全隐患排查检查记录表 检 查 部 门 检 查 人 员 检 查 时 间 序 号 检 查 内 容 检 查 方 式...
企业安全隐患排查内容 本 文 依 据 《 安 全 生 产 法 》 、 安 全 生 产 标 准 化 以 及 隐 患 排 查 治 理 ...
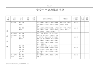
[键入文字] C:\iknow\docshare\data\cur_work\2701827346.docx 安全生产隐患排查清单 一级 类型 二级 类型 三级 类型 四级 类型...
安全生产隐患排查治理制度 第1 章:总 则 第一条:为建立安全生产事故隐患排查治理长效机制,强化安全生产主体责任,加强事故隐患监督管...
学校舍安全排查报告 王庄镇小屯小学校舍安全隐患排查报告 根据 XX 县区教体局、王庄镇中心校的指示精神,为了及时排除雨季校舍安全隐患...
下载后可任意编辑小学消防安全专项排查整治工作实施方案为确保学校安全稳定,彻底消除校园内消防安全隐患,提高我校综合防灾能力,让我校成...
下载后可任意编辑小学安全隐患排查整治行动方案学校的安全工作牵连千家万户,为切实加强我校的安全工作,保证学校安全万无一失。根据上级有...
下载后可任意编辑小学安全隐患排查整治工作方案为深化贯彻落实____县教育局____号《____开展____县中小学、幼儿园隐患大排查整改行动____》...
下载后可任意编辑客运隐患排查实施方案范文为深化贯彻执行宣威市事故隐患排查治理工作方案精神,促进我矿安全状况持续稳定好转,建立隐患排...
下载后可任意编辑客运企业隐患排查工作方案范文除隐患,制定隐患排查管理制度。第一条隐患是指不具备安全生产的基本条件、工作环境的危险状...
下载后可任意编辑客运企业隐患排查工作方案为仔细落实市委、市政府及市运政处关于安全工作的一系列指示精神,继续深化“安全生产年”活动,...
下载后可任意编辑安全风险大排查行动方案为仔细落实国家总局、省局和市委、市政府的决策部署,紧紧围绕“保食品药品安全”这个中心任务,努...
下载后可任意编辑安全隐患排查治理活动方案为全面贯彻运城市____年安全隐患排查的文件精神,仔细落实各项安全生产管理制度,健全安全生产责...
下载后可任意编辑安全隐患排查治理方案范文安全保证的措施一、安全目标安全管理目标为“四消灭、三减少、一实现”。1.四消灭⑴.消灭工程质...
下载后可任意编辑安全隐患排查治理方案范文安全保证的措施一、安全目标安全管理目标为“四消灭、三减少、一实现”。1.四消灭⑴.消灭工程质...
下载后可任意编辑安全隐患排查治理方案为贯彻落实《____进一步开展安全生产隐患排查治理工作____》(____号)和____市委宣传部、市安全生产监...
下载后可任意编辑安全隐患排查治理方案为贯彻落实《____进一步开展安全生产隐患排查治理工作____》(____号)和____市委宣传部、市安全生产监...
下载后可任意编辑安全隐患排查治理方案为贯彻落实《____进一步开展安全生产隐患排查治理工作____》(____号)和____市委宣传部、市安全生产监...

