电脑桌面
添加小米粒文库到电脑桌面
安装后可以在桌面快捷访问

企业安全生产隐患排查清单

企业安全生产隐患排查清单_第1页
1/8
企业安全生产隐患排查清单_第2页
2/8
企业安全生产隐患排查清单_第3页
3/8
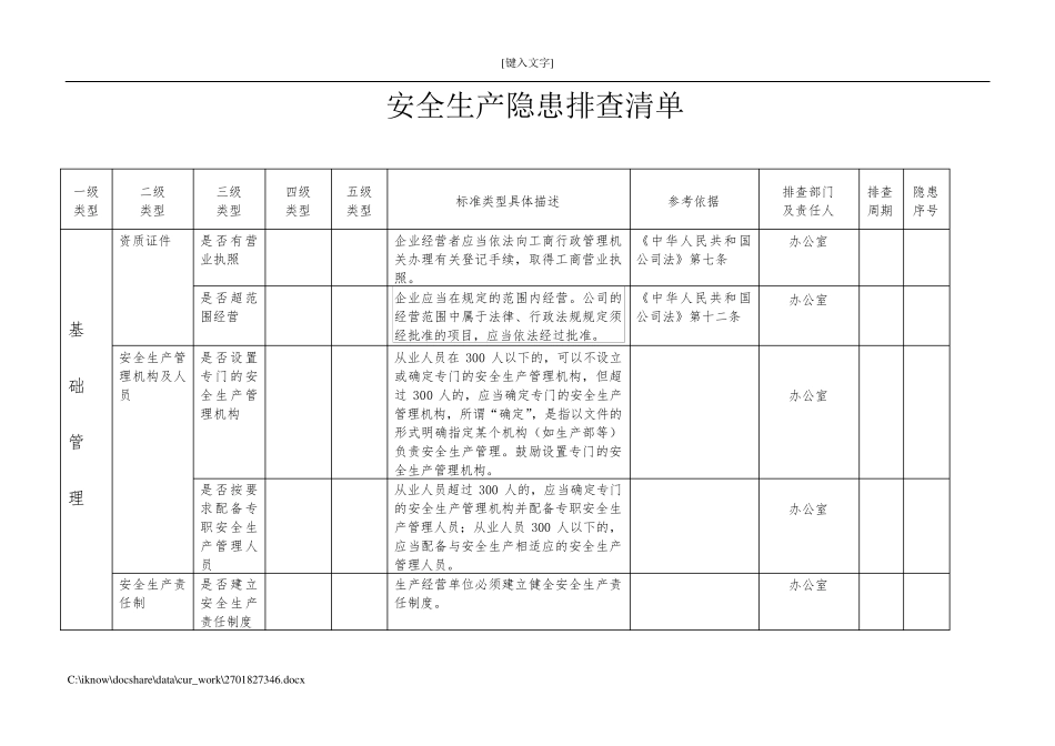
[键入文字] C:\iknow\docshare\data\cur_work\2701827346.docx 安全生产隐患排查清单 一级 类型 二级 类型 三级 类型 四级 类型 五级 类型 标准类型具体描述 参考依据 排查部门 及责任人 排查 周期 隐患 序号 基 础 管 理 资质证件 是否有营业执照 企业经营者应当依法向工商行政管理机关办理有关登记手续,取得工商营业执照。 《中华人民共和国公司法》第七条 办公室 是否超范围经营 企业应当在规定的范围内经营。公司的经营范围中属于法律、行政法规规定须经批准的项目,应当依法经过批准。 《中华人民共和国公司法》第十二条 办公室 安全生产管理机构及人员 是否设置专门的安全生产管理机构 从业人员在300 人以下的,可以不设立或确定专门的安全生产管理机构,但超过300 人的,应当确定专门的安全生产管理机构,所谓“确定”,是指以文件的形式明确指定某个机构(如生产部等)负责安全生产管理。鼓励设置专门的安全生产管理机构。 办公室 是否按要求配备专职安全生产管理人员 从业人员超过300 人的,应当确定专门的安全生产管理机构并配备专职安全生产管理人员;从业人员300 人以下的,应当配备与安全生产相适应的安全生产管理人员。 办公室 安全生产责任制 是否建立安全生产责任制度 生产经营单位必须建立健全安全生产责任制度。 办公室 [键入文字] C:\iknow\docshare\data\cur_work\2701827346.docx 一级 类型 二级 类型 三级 类型 四级 类型 五级 类型 标准类型具体描述 参考依据 排查部门 及责任人 排查 周期 隐患 序号 安全生产责任制度是否健全 生产经营的安全生产责任制度必须覆盖全员,构成安全生产责任体系,主要包括⑴ 主要负责人责任制; ⑵ 其他负责人责任制; ⑶ 各级负责人责任制;(4) 职能管理机构负责人及其工作人员责任制; (5) 班组长责任制;(6) 岗位人员责任制。 办公室 安全生产责任制度的内容是否符合有关要求 安全生产责任制度应当满足以下要求:(1)必须符合国家法律法规的规定,并适时修订;(2)必须体现“安全第一,预防为主、综合治理”的方针: (3)必须与单位的组织结构和管理体制及生产经营实际相适应:(4)体系清楚, 落实“层层有专责,人人管安全”的原则;(5)明确上下左右之间权限;(6)落实“管生产必须管安全”的原则,各部门负责人要对该部门的安全生产负责;(7)有保障安全生产责任制的贯彻执行的措施;(8...

1、当您付费下载文档后,您只拥有了使用权限,并不意味着购买了版权,文档只能用于自身使用,不得用于其他商业用途(如 [转卖]进行直接盈利或[编辑后售卖]进行间接盈利)。
2、本站所有内容均由合作方或网友上传,本站不对文档的完整性、权威性及其观点立场正确性做任何保证或承诺!文档内容仅供研究参考,付费前请自行鉴别。
3、如文档内容存在违规,或者侵犯商业秘密、侵犯著作权等,请点击“违规举报”。

碎片内容

企业安全生产隐患排查清单

您可能关注的文档

小辰+ 关注
实名认证
内容提供者

出售各种文档和资料

确认删除?
VIP
微信客服
  • 扫码咨询
会员Q群
  • 会员专属群点击这里加入QQ群
客服邮箱
回到顶部