施工组织设计(方案)报审表工程名称:致: (监理单位)我方已根据施工合同得有关规定完成了 ------- -施工方案 工程施工组织设计(方案)得...
XXXXXXXXXXXXXXXXXXXXXXX2 支 150m 烟囱钢爬梯更换工程二零一七年目录一、工程概况二、材质的选用三、置换施工1、总体部署2、垂直起吊装...
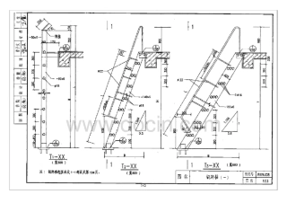
钢爬梯安装安全技术交底交底内容: 一、施工简介 本工程钢爬梯安装采纳人工分段吊装,单个爬梯由五节组成,竖向至下而上进行拼装。整个爬...
钢爬梯专项方案高端医疗装备制造项目钢结构围护工程编制人:审核人:批准:日期:年月日第一章编制依据及目的 4.编制依据编制目的第二章工...
陕09J08钢爬梯
目 录 页脚内容1 施工组织设计(方案)报审表 工程名称: 致: (监理单位) 我方已根据施工合同的有关规定完成了 --------施工方...
技术交底记录表C2-1编号工程名称东湖湾名苑501#楼、505#楼、506#楼交底日期2011年07月22日施工单位北京城建二公司第二十九项目经理部分项工...
米烟囱更换钢爬梯施工方案文档编制序号:[KK8UY-LL9IO69-TTO6M3-MTOL89-FTT688]2支150m烟囱钢爬梯更换工程施工方案二零一七年目录1、施工方...

