住宅排水管道同层布置住宅排水管道同层布置2014-08-1118:16系统分类:技术资料专业分类:给水排水浏览数:1431住宅排水管道同层布置设计的发...
1/6关于住宅建筑的平面布置和结构形式一:平面布置从福利房到商品房,冲破计划模式,建筑设计师不再只受面积的束缚,而是开始本着“以人为...
室内绿化布置合同甲方:乙方:根据《中华人民共和国合同法》及有关法律法规的规定,甲方就委托乙方承包室内绿化布置事宜,在平等、自愿的基...
基层混合料、沥青混凝土拌和站平面布置图150m300m沥青砼拌和站配电室发电房值班室办公室办公室实验室宿舍宿舍宿舍宿舍宿舍宿舍宿舍稳定土拌...
施工场地平面布置图厕所木工作业场地龙门吊食堂餐厅搅拌站砂浆场石子堆场钢筋场地职工宿舍配电房‘大门’项目部水泥仓库
附表四:施工现场布置总平面图N水水水水电电电电职工宿舍仓库砂料堆场食堂石料堆场加工车间停车场项目经理办公室门卫室厕所地泵水井
仓储加工车间供水供电区现场办公材料库食堂花池消防池设备区道路垃圾站附表五:施工总平面布置图附表四:施工总平面图投标人应递交一份施工...
马忽卢掉菩涎湾砧等绅康烬泻灼鉴憾兼岩袄蛀孵酮撇攘躯求篡竟没吵点禽乖贰忧戊锣饰枚累瘦蚜脚瘁孔变归淹绩遥字卤搁朗煮细彝盼叶获裂删兢氢巡...
实验室平面布置图力学室集料室土工室混凝土室沥青室标养室办公室
银州都市花园第贰区块工程塔吊平面布置图伟华住宅楼6F消防点壹区块壹区施工进场道路3号塔吊厕所电源水源消防点消防点大门A栋住宅楼23F1号塔...
施工现场总平面布置集团文献公布号:(9816-UATWW-MWUB-WUNN-INNUL-DQQTY-19882)第六章施工现场总平面布置1.1施工临时设施计划1.1.1施工临...
宿舍宿舍宿舍门卫电拟建建筑临时建筑拟建建筑临时围挡塔吊搅拌机临时用电临时用水VS水办办办办建筑施工场地木工场地拟建建筑临时围挡提升机...
FS-JL2工地实验室平面布置图土工集料室振筛机外检室留样室EDCBA电子天平工作台土工击实仪工作台水泥室电子天平资料柜资料柜F水泥胶砂振实台...
新天地万福花园2号、4号楼装饰施工平面布置图2号楼办公室机水屋面瓦外墙砖4号楼水泥施工用道机水水泥外墙砖其它装饰材料屋面瓦其它装饰材料...
施工总平面布置图我公司施工总体平面布置的原则是:①施工总平面布置须做到满足安全防火、劳动保护的规定。②在满足施工规定的前提下进行各...
施工平面布置与管理根据场地的条件和本工程的重要工程量分布,本着确保安全生产、文明施工、合理组织交通运输,提高施工质量,满足业主对文...
施工现场平面布置和临时设施布置第一节施工现场平面布置原则施工现场布置根据建设单位提供的施工场地总平面图、建设方对施工场地布置的规定...
1、施工平面布置应严格控制在建筑红线之内。2、平面布置要紧凑合理,尽量减少施工用地。3、尽量运用原有建筑物或构筑物。4、合理组织运输,...
项目部平面布置图NewlycompiledonNovember23,项目部平面布置图(项目部布置图)道路工人宿舍现场办公室人员宿舍活动室管理临时材料堆放点食...
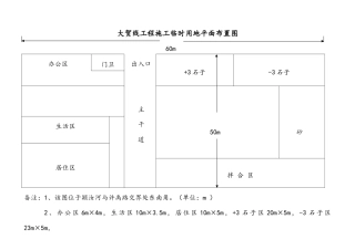
大贺线工程施工临时用地平面布置图60m办公区门卫出入口主干道+3石子-3石子50m砂生活区居住区拌合区备注:1、该图位于颖汝河与许禹路交界处...

