1基于统计分析下河南省生态环境系统建设摘 要在经济快速发展的当下,生态环境环境问题一步一步的展现在社会大众面前,生态与经济的联系也...
统计分析系统 V1.0设计说明书中科软科技股份有限公司4/13/2025目 录第一章 前言........................................................
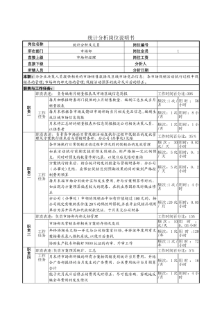
统计分析岗位说明书岗位名称统计分析及文员岗位编号所在部门市场部岗位定员1直接上级市场部经理岗位工资直接下级分析人所辖人员分析日期本...
摘 要我们国家在这几年的发展速度增快,经济相对较稳定,人们的收入较为平稳,一直处于持续增加的的过程。我们国家也连续颁布了各种政策,...
多元统计分析在农业现代化水平评价中的应用摘要 本文从农业现代化投入、农业现代化产出、农业产业化、农民现代化生活和农业可持续发展水平...
重点部门护理工作满意度调查情况 2024 年存在问题:一、急诊科:1、护患沟通欠缺.2、病房陈设过旧,床头柜上面放置物品过多较杂乱。二、门...
浅谈统计分析工作的重要性 北安市统计局综合股为什么要提起统计呢?统计有什么重要性呢? 就目前现状而言,统计在一些地方,还没有引起足...
云南省 陆良县杜公河治理工程 C5(K12+550-K13+750)中间产品质量统计分析 云南马龙县通达建筑建材实业有限公司二〇一五年 月1、C5 标...
金融记录分析 形成性考核册作业 4一、选择题1,息差旳计算公式是(C)A,利息收入/获利性资产-利息支出/付息性负债 B,非利息收入/总资...
一、单选题1, 下列中,(A)不属于金融制度。 A,机构部门分类 2,下列中,(D)是商业银行。 D,邮政储蓄机构 3,《中国记录年鉴》...
记录分析软件应用一、判断题1.spss可以读取excle格式的数据文献和文本文献。2.当我们新建一种spss数据文献时,首先应在数据编辑器窗口中的...
一、单选题1, 下列中,(A)不属于金融制度。 A,机构部门分类 2,下列中,(D)是商业银行。 D,邮政储蓄机构 3,《中国记录年鉴》...
金融记录分析 形成性考核册作业(上)电大金融系资料 -01-12 17:31:57 阅读 120 评论 0 字号:大中小 订阅 金融记录分析 形成性...
手术科室质量与安全管理指标统计分析表(______科室__月份)序号指标内容同期比变化趋势1科室运行(1)门诊人次:_____去年同期门诊人次:...
急诊科质量与安全管理指标统计分析表(__月份)序号指标内容同期比变化趋势1科室运行(1)急诊人次:_____去年同期急诊人次:_____急诊分诊...
建设工程质量的统计分析和试验检测方法第一节 质量统计分析 1.工程质量统计及抽样检验的基本原理和方法■质量数据的特征值■质量数据的分...
幼儿园儿童出勤统计分析表托幼机构名称:年份月份在 册儿童数(1)应出勤日 数(2)出 勤 情 况缺 勤 原 因 分 析应 出 勤人 次...
电大天堂【金融记录分析】形成性考核册答案【金融记录分析】形考作业一:一、单项选择题1、A 2、B 3、B 4、B 5、A 6、D 7、B 8、C ...
大工春《社会调查与记录分析》在线作业 1一、多选题(共 5 道试题,共 30 分。)1. 测量尺度旳重要类型包括()。. 定量尺度. 定类尺...
安全隐患排查统计分析表第 1 季度企业名称:深圳市震华数码科技有限公司年 月 日一般隐患情况序号隐患内容整改措施整改责任人整改完成...

