我国城镇居民的消费影响因素分析姓名:毕雅颖班级:统计0901学号:2009111039指导教师:郑华章内容摘要随着经济水平的不断发展,人们的消费...
我国大学生起薪影响因素研究基于“中国大学毕业生就业与能力年度调查(2008)摘要:基于麦可思(MYCOS)2008年大学毕业生就业与能力年度调查数...
我国实际利用外资总额影响因素的计量分析指导老师:闫观渭小组成员:曾路彭小燕李鹏君杨文祥钟国鹏一、我国实际利用外资总额影响因素研究课...
我国冷链物流发展现状及其制约因素分析【摘要】我国冷链物流进入快速发展期,文中阐述冷链物流的发展现状,分析了制约其发展的诸多因素,并...
电子白板应用课堂教学的制约因素目前,虽然电子白板在课堂教学模式改革过程中的推动作用十分明显,但我仍强烈地感到其优势潜力并未充分发挥...
沉浮与什么因素有关【教学目标】科学概念:1、物体的沉浮与自身的质量和体积都有关。2、不同材料构成的物体,如果体积相同,重的物体容易沉...
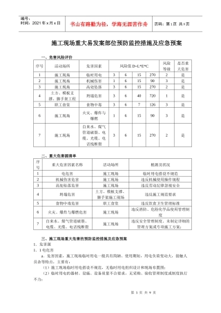
第1页共9页编号:时间:2021年x月x日书山有路勤为径,学海无涯苦作舟页码:第1页共9页施工现场重大易发案部位预防监控措施及应急预案一、危...
影响农村初中生学习英语的因素众所周知,在我国农村中学教学质量相对较差,特别是农村的初中英语。农村的学生对学习英语的积极性不高,有的甚...
第八课第第八课第22框框国际关系的决定性因素:国际关系的决定性因素:国家利益国家利益时政播报一国国际际交交往往剪剪影影习近平会见美国...
工艺过程危险、有害因素的风险分析编制:审核:批准:XXXX化工有限公司目录1危险、有害因素的辨识结果及依据说明-------------------------...
DDDDDD□□□□□□□□□ia□□□□□□□□□□□□□□□□20□□□□□□□□30□□□□□□□40□□□□□□50□□□□□□□□□□□...
必修二3.2农业区位因素与地域类型(一)(一)、展示目标:1、影响农业区位选择的因素2、农业地域的形成过程3、世界主要农业地域类型的形成...
第1页共55页法规控制技术控制系统管理编号:时间:2021年x月x日书山有路勤为径,学海无涯苦作舟页码:第1页共55页第一章实施职业安全卫生管...
第1页共60页编号:时间:2021年x月x日书山有路勤为径,学海无涯苦作舟页码:第1页共60页多因素试验设计与优化李瑞雪什么是试验设计:试验设...
第1页共5页编号:时间:2021年x月x日书山有路勤为径,学海无涯苦作舟页码:第1页共5页职业病危害评价、职业病危害因素检测与评价的基本仪器...
字母所含的原因因素归类[ai](2个):IiYy[ei](4个):AaHhJjKk[i:](8个):EeBbCcDdGgPpTtVv[ju:](3个):UuQqWw[e](7个):FfLlMmNnSsXxZz
第1页共55页编号:时间:2021年x月x日书山有路勤为径,学海无涯苦作舟页码:第1页共55页各岗位工种安全生产操作规程和危险因素提醒及防范措...
影响课程实施的因素一般影响课程实施的因素有很多,主要包括以下四个因素:(一)课程方案的特征课程方案本身的一些特征是影响课程实施的重...
非生物因素(红、蓝、绿光)影响蚕虫发育制作:番禺区石楼镇第二中学七(2)何雪莹陈洁晴指导老师:谭大江作品编号:7260203001提出问题:...
第1页共2页编号:时间:2021年x月x日书山有路勤为径,学海无涯苦作舟页码:第1页共2页什么因素导致安全期避孕不安全?不少人认为在女性的安...

