xx 筒仓工程Ⅱ 号仓锥壳板施工方案工程名称: xx 筒仓工程Ⅱ号仓锥壳板工程 文件编号: 受控标识: 实施日期: 年 月 日xxxx 公...
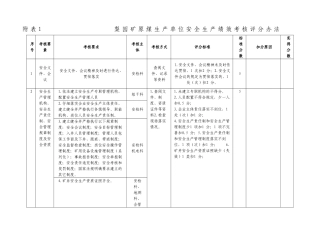
附 表 1 梨 园 矿 原 煤 生 产 单 位 安 全 生 产 绩 效 考 核 评 分 办 法序号考核要素考核要求考核主体考核方式...
第一部份:外购原煤验收管理办法一、目的为进一步法律规范原煤的进厂数量、质量验收过程控制,减少环节漏洞,规避企业经营风险,特制定外购...
原煤供应实施计划方案1.1 业务操作流程煤炭业务操作流程主要是由以下五大步骤组成:☆拟定销售计划☆拟定采购计划☆采购入库☆出库销售☆...
原煤地销系统场内道路及场坪工程工程安全运输方案车辆运输安全1. 施工场地制定了有针对性的车辆运输安全管理制度。2. 规定商品商品混凝土...
原煤上仓设备溜槽改造检测、修理安全技术措施a 停产期间,将对原煤上仓设备溜槽进行改造检测、修理,为了进一步保证现场作业施工安全,特...
准备车间原煤运输系统班长岗位工作职责1 工作职责1.1 仔细贯彻落实上级工作安排决议、决定和规章管理制度,执行上级领导下达指令;1.2 ...
绪 论一、本论文讨论的目的和意义随着计算机技术的飞速进展,计算机在工业自动化领域中的应用越来越广泛。可编程控制器就是其中的佼佼者,...
**县战略储藏 10 万吨原煤煤场建设项目可行性研究报告***煤炭经营有限责任公司二 0 一一年十一月第一章 总 论1.1 项目名称和承办单...
第 一 章 总 论第 一 节 项 目 概 述草坪县下藤桥洗煤厂于2025年9 月经草坪县工商行政管理局注册成立,从事原煤洗选加工的企业...
建设项目环境影响报告表(报批版)项目名称:建设年入洗原煤 3 0 万吨洗煤厂项目 建设单位:唐 山 大 河 商 贸 有 限 公 司 ...
目录第一章:总论 ················································41.1项目说明 ·...
内蒙古亿成实业有限公司年入洗原煤120 万吨洗煤厂建设项目可行性讨论报告第一章 总论1. 项 目 概 况1.1 项 目 名 称 : 年 入...
华坪县定华能源有限责任公司年入洗原煤60万吨生产线可行性报告 一、公司概况华坪县定华能源有限责任公司是由公司董事长陈定华同志在“华坪...
华坪县定华能源有限责任公司年入洗原煤60万吨生产线可行性报告 一、公司概况华坪县定华能源有限责任公司是由公司董事长陈定华同志在“华坪...
淮南矿业(集团)有限责任公司丁集矿井选煤厂项目项目建议书 工程编号:F2896 工程规模:6.0Mt/a总 经 理:周少雷:邓晓阳处 长:吕建...
煤矿实行原煤洗选调整商品煤品种结构的调研报告煤矿实行原煤洗选调整商品煤品种结构的调研报告调查调研煤矿实行原煤洗选调整商品煤品种结构...
煤矿原煤生产工作汇报煤矿原煤生产工作汇报进入今年以来,原煤部针对矿井生产衔接实际,结合两级公司年度工作要求,以强化基础管理为前提,...
原煤采购合同模板标准版本签订日期:XX 年 XX 月 XX 日原煤采购合同模板 供方:(甲方) 需方:(乙方) 为明确责任、履行约定,经甲乙...
原煤购销合同 2025标准版本签订日期:XX 年 XX 月 XX 日原煤购销合同 2025 甲方(供货方):__________________ 乙方(购货方):____...

