电脑桌面
添加小米粒文库到电脑桌面
安装后可以在桌面快捷访问

原煤单位绩效考核03版

原煤单位绩效考核03版_第1页
1/9
原煤单位绩效考核03版_第2页
2/9
原煤单位绩效考核03版_第3页
3/9
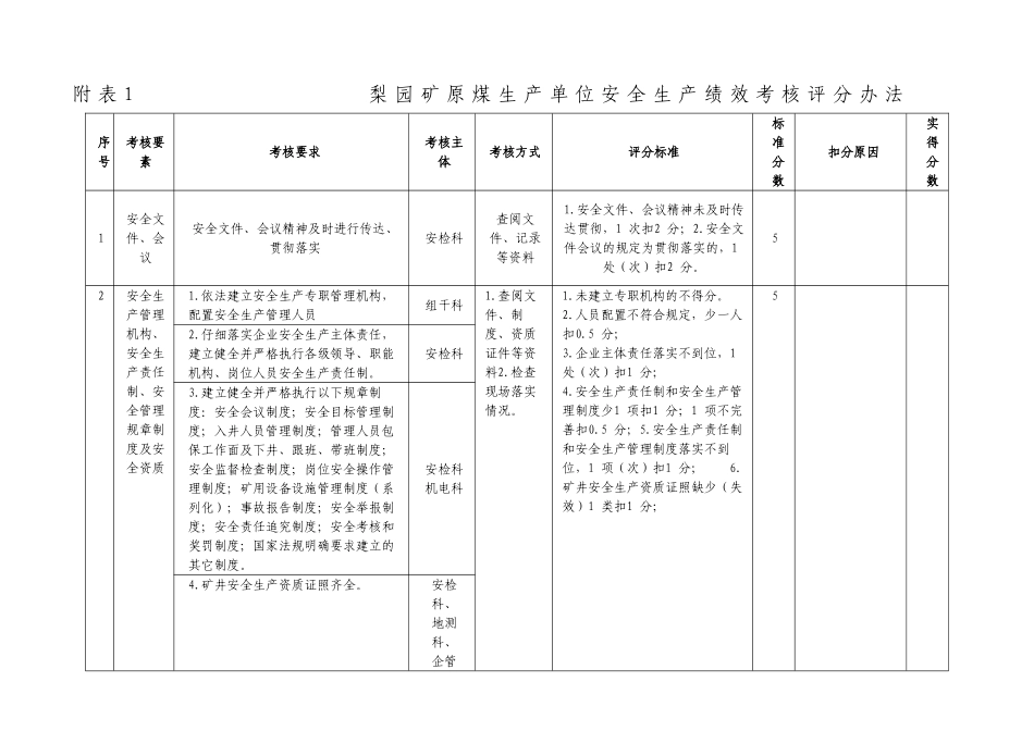
附 表 1 梨 园 矿 原 煤 生 产 单 位 安 全 生 产 绩 效 考 核 评 分 办 法序号考核要素考核要求考核主体考核方式评分标准标准分数扣分原因实得分数1安全文件、会议安全文件、会议精神及时进行传达、贯彻落实安检科查阅文件、记录等资料1.安全文件、会议精神未及时传达贯彻,1 次扣2 分;2.安全文件会议的规定为贯彻落实的,1处(次)扣2 分。5 2安全生产管理机构、安全生产责任制、安全管理规章制度及安全资质1.依法建立安全生产专职管理机构,配置安全生产管理人员组干科1.查阅文件、制度、资质证件等资料2.检查现场落实情况。1.未建立专职机构的不得分。 2.人员配置不符合规定,少一人扣0.5 分; 3.企业主体责任落实不到位,1处(次)扣1 分; 4.安全生产责任制和安全生产管理制度少1 项扣1 分;1 项不完善扣0.5 分;5.安全生产责任制和安全生产管理制度落实不到位,1 项(次)扣1 分; 6.矿井安全生产资质证照缺少(失效)1 类扣1 分;5 2.仔细落实企业安全生产主体责任,建立健全并严格执行各级领导、职能机构、岗位人员安全生产责任制。安检科3.建立健全并严格执行以下规章制度:安全会议制度;安全目标管理制度;入井人员管理制度;管理人员包保工作面及下井、跟班、带班制度;安全监督检查制度;岗位安全操作管理制度;矿用设备设施管理制度(系列化);事故报告制度;安全举报制度;安全责任追究制度;安全考核和奖罚制度;国家法规明确要求建立的其它制度。安检科 机电科4.矿井安全生产资质证照齐全。安检科、 地测科、 企管科、 总办室、 职教中心3安全生产治理工程计划项目区域瓦斯治理、区域水害治理、安全生产隐患治理等工程计划项目按集团计划开工,加强施工管理,按期验收、移交和投入使用相关生产业务科室1.查阅工程开工、施工管理、竣工验收、移交等资料;2.检查现场工程进度。1.工程项目没有按期开工,1 处(次)扣1 分; 2.工程项目没有 根 据 计 划 进 度 施 工 , 1 处(次)扣1 分;3.工程项目没有按规定期限验收、移交投入使用,一个工程项目扣2 分。10 4安全技术管理1.建立总工程师负责的技术管理网络体系。总办室1.查阅文件、措施、记录、台帐、图表、图纸等资料。2.检查现场规程、措施落实情况。1.技术管理制度缺1 项扣0.5分;2.技术管理制度1 项(次)执行不到位扣1 分;3.图纸、资料管理不到位,1 处(次)扣0.5 分;4.有突出危险的新建矿井及...

1、当您付费下载文档后,您只拥有了使用权限,并不意味着购买了版权,文档只能用于自身使用,不得用于其他商业用途(如 [转卖]进行直接盈利或[编辑后售卖]进行间接盈利)。
2、本站所有内容均由合作方或网友上传,本站不对文档的完整性、权威性及其观点立场正确性做任何保证或承诺!文档内容仅供研究参考,付费前请自行鉴别。
3、如文档内容存在违规,或者侵犯商业秘密、侵犯著作权等,请点击“违规举报”。

碎片内容

原煤单位绩效考核03版

您可能关注的文档

确认删除?
VIP
微信客服
  • 扫码咨询
会员Q群
  • 会员专属群点击这里加入QQ群
客服邮箱
回到顶部