一般工业项目可行性研究报告文字模板.DOC*提示:以下两行标题和本页下方的投资单位名称录入后,可分别选定后由您自己改变成您喜欢的字体字...
第1页共88页编号:时间:2021年x月x日书山有路勤为径,学海无涯苦作舟页码:第1页共88页客户服务部管理手册客户服务流程及方法详解1.0客户...
第1页共83页编号:时间:2021年x月x日书山有路勤为径,学海无涯苦作舟页码:第1页共83页芈蕿肇羂薇薈袇膇薃薇罿肀葿薆肁芅莅薅螁肈芁薄袃芄...
第1页共64页编号:时间:2021年x月x日书山有路勤为径,学海无涯苦作舟页码:第1页共64页会议制度一、为了严肃纪律,提高会议效率,无论何种...
目录一、公司安全管理组织机构图··········································二、生产安全责任...
安全生产管理制度目录(09年修订版)序号目录备注一、安全生产管理体系1.安全生产保证体系2.安全生产管理体系结构图二、安全生产管理制度1....
挡土墙工程施工组织设计编制日期:二0一0年二月目录一、编制说明···································...
第一部分、编制依据1.1、工程招标文件。1.2、GB/T19001-2000《质量管理体系标准》、GB/T24001-1996《环境管理体系规范及使用指南》和GB/T28...
目录A1施工现场质量管理检查记录A2施工组织设计报审表A3进场设备报验单A4施工技术方案报审表A5施工测量放线报验单A6施工进度计划报审表A7施...
第1页共65页编号:时间:2021年x月x日书山有路勤为径,学海无涯苦作舟页码:第1页共65页安全生产监督检查管理制度中铁八局集团城市轨道交通...
元江至蔓耗高速公路(红河段)抗滑桩专项施工方案编制:审核:批准:云南建投元蔓高速土建六分部年月日目录抗滑桩专项施工方案一、工程概况...
第**章安全管理体系及保证措施第一节安全生产目标安全方针:“安全第一、预防为主、综合治理”。安全目标:无安全责任事故,深化“以人为本...
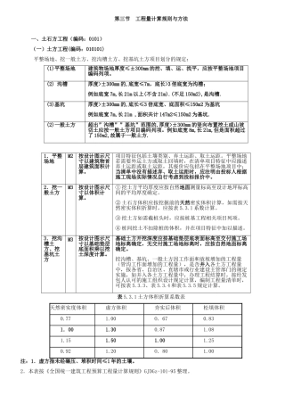
第三节工程量计算规则与方法一、土石方工程(编码:0101)(一)土方工程(编码:010101)平整场地、挖一般土方、挖沟槽土方、挖基坑土方项目...
总目录第一章编制说明..........................................................................41.1编制依据...........................
华容县华奥房地产建设项目华容县华奥房地产建设项目可可行行性性研研究究报报告告编制单位:岳阳华奥纺织有限公司编制单位:岳阳华奥纺织有...
********三村滩土地开发项目工程施工组织设计2012年9月1日目录第一节、施工组织设计总说明第二节、工程概况第三节、施工组织机构设置及说明...
一、工程概况1.1工程概况建筑场地位于昌黎县汇文东街与东山路交叉口,场地地形平坦,为第四纪山前冲洪积平原地貌。本次基坑开挖范围主要为地...
目录1.编制依据..............................................41.1施工图纸.............................................41.2主要应用...
目录项目管理机构配备项目管理机构配备施工组织机构设置为承建成都市路下穿隧道工程,拟组建中铁局成都市路南延线与大道下穿立交桥项目经理...
目录一、物业概况与物业管理特点…………………………………02二、质量管理目标和采用的管理方式…………………………03三、管理服务内容及...

