酒店工程部绩效考核细则工程部绩效考核标准细则工程部门实行积分考核制度,每月每人基本分数100分,与工资相挂钩,每违反一项,根据不同标...
个人简介---杨晓涛姓名:手机:出生日期:户口所在地:职称:毕业学校:本科毕业时间:山东######设计院2002-2005结构设计工作职责和业绩:...
-北方联合电力有限责任公司和林发电厂工程部竣工档案归档细则和林发电厂工程部档案室二零一四年七月二十二日和林发电厂工程部竣工档案归档...
第1页共10页编号:时间:2021年x月x日书山有路勤为径,学海无涯苦作舟页码:第1页共10页工程部服务规范及工作标准(部门根据工作需要进行修...
第1页共23页编号:时间:2021年x月x日书山有路勤为径,学海无涯苦作舟页码:第1页共23页工程部岗位设置及人员编制方案恩富酒工程〔2010〕1...
工程部年终工作总结20XX年时间飞逝,20xx年即将结束。在这一年里,工程部全体员工在公司的质量方针指引下、在公司和项目领导正确指导下,以...
物业工程部工作参考计划一份好的工作打算,是建立正常的工作秩序,提高工作效率的重要手段。以下是关于2020物业工程部工作打算,欢迎参考!2...
房地产工程部工作流程图工程部工作业务流程工程测绘工作业务流程行政、方案部门下达测绘方案并下发相关土地资料工程部签发联络单给部部并订...
物业工程部年度工作参考计划范文【物业工程部XX年度工作打算】依照《物业治理公司开展思路及详细施行方案》的打算,和公司在20xx年的情况,...
物业工程部2020年度工作参考计划范文依照《物业治理公司开展思路及详细施行方案》的打算,和公司在20XX年的情况,在综合考虑研讨的情况下,...
最新(总结范文)工程部年终总结及工作参考计划范文工程部20xx年末总结及20xx事情规划范文一继往开来的20xx年马上过,工程部全部员工在公司...
最新(工作参考计划)2020年工程部年工作参考计划范文酒店工程部20xx年事情规划范文时间如梭,眨眼新的一年曾经到来,面临酒店业合作愈来愈猛...
最新(总结范文)工程部年终总结及工作参考计划第1篇:20xx工程部年末总结及20xx事情规划继往开来的20xx年马上过,工程部全部员工在公司的...
物业工程部年度工作总结2020物业工程部年度工作总结范文时光飞逝,2020年即将结束,首先感谢公司对我工作的肯定,将我提升为工程部主管。在...
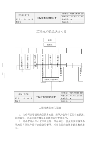
空调工程主管电气工程主管工程部工作手册工程技术部岗位职责文件编号:WS/S-MN-001-001实施日期:*/*/年*/月*/日页码:共18页第1页版本号码...
物业接管工作手册(参考样本)戴德梁行物業管理有限公司謹呈目录第一节接管验收工作内容和程序一、物业管理的验收内容二、接管验收项目及标准...
第1页共11页2011上半年工作总结暨下半年工作计划——地产集团工程部2011年是地产集团高速发展的一年,在集团董事长亲自领导下、集团各位领...
工程部管理制度为更好的规范公司工程开发及建设项目管理,根据国家、行业管理部门的有关法律、法规、规章、规定,结合公司的实际情况,保证...
工程部工作制度及流程一.收发文管理制度1.其它部门送达工程部各种函件的管理制度(1).公司其他部门的来函(包括内部通启,通知,报告等)...
-1-亲爱的朋友,很高兴能在此相遇!欢迎您阅读文档工程部经理年终工作总结,这篇文档是由我们精心收集整理的新文档。相信您通过阅读这篇...

