[键入文字]第四篇工程管理细则第一章工程管理任务、目标第一条工程管理的任务、目标1.1工程管理的任务自项目土地出让手续完成,场地接收开...
工程管理操作规范V1.0二零零二年四月目录1.目标.........................................................................................
[键入文字]第四篇工程管理细则第一章工程管理任务、目标第一条工程管理的任务、目标1.1工程管理的任务自项目土地出让手续完成,场地接收开...
第1页共60页编号:时间:2021年x月x日书山有路勤为径,学海无涯苦作舟页码:第1页共60页工程管理手册(试行)编制:工程管理部签发:时间:二...
第1页共44页编号:时间:2021年x月x日书山有路勤为径,学海无涯苦作舟页码:第1页共44页施工管理流程与表格工具1.项目工程管理流程________...
第1页共105页编号:时间:2021年x月x日书山有路勤为径,学海无涯苦作舟页码:第1页共105页xxx(中国)置业有限公司工程管理手册第2页共105...
第1页共6页编号:时间:2021年x月x日书山有路勤为径,学海无涯苦作舟页码:第1页共6页室内外抹灰工程现场控制要点一、标段工程师管理程序1...
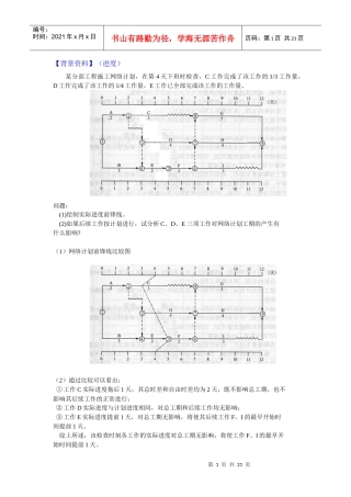
第1页共57页编号:时间:2021年x月x日书山有路勤为径,学海无涯苦作舟页码:第1页共57页工程管理手册第2页共57页第1页共57页编号:时间:20...
绿化工程管理作业指引编制日期审核日期批准日期流程要素流程目标:流程时间要求流程监控点数目流程主要责任岗位流程涉及职位数目修订记录日...
第1页共44页编号:时间:2021年x月x日书山有路勤为径,学海无涯苦作舟页码:第1页共44页施工管理流程与表格工具1.项目工程管理流程________...
第0页共153页编号:时间:2021年x月x日书山有路勤为径,学海无涯苦作舟页码:第0页共153页房地产开发项目工程管理流程指引对于普通的房地产...
第1页共63页编号:时间:2021年x月x日书山有路勤为径,学海无涯苦作舟页码:第1页共63页目录前言……………………………………………………...
XXXX房地产开发有限责任公司工程项目管理流程1XXXX房地产开发有限责任公司工程项目管理程序2012年7月5日目录第一章项目部工作职责、范围1、...
工程管理信息化发展研究一.建设工程信息化的背景建设工程是一种具有高度组织性、目的性的大规模经济活动,是对于原有固定资产的改造或者建...
(建筑工程管理)室内装修环保知识室内装修环保知识工程部二00六年三月室内装修环保知识一、家装环保有标准吗?家装环保有标准,建设部颁布...
恒泽·天城恒泽·天城项目管理制度手册项目管理制度手册恒泽·天城恒泽·天城工程项目管理制度总则工程名称:恒泽·天城(以下简称本发展项...
慈濟大學校園營建工程管理要點92年06月27日校長核准辦理96年07月09日修訂校長核准97年05月20日修訂校長核准98年05月05日修訂校長核准一、目...
恒大地产集团重庆有限公司成品住宅精装修工程管理手册(2011年版)恒大地产集团重庆有限公司编制二0一一年五月第1页共113页编号:时间:202...
第一部分房地产开发工程建设流程管理12第一章施工准备阶段工作流程管理房地产开发建设过程中,工程建设工作早在开发报建时即已展开,在企业...
第1页共212页编号:时间:2021年x月x日书山有路勤为径,学海无涯苦作舟页码:第1页共212页成都置信地产公司工程管理程序第2页共212页第1页...

