GHL--250 高速混合制粒机设备手册 GHL—250 高速混合制粒机设备手册 一,湿法混合制粒的特点(简介) 1.湿法制粒设备的原理与应用 在...
定位控制指令(F174)(数据表控制) 根据顺序指定的数据表执行定位操作 当执行条件R10 打开,脉冲以1000Hz的频率从Y0 端输出,并且定...
FPGA+C6748高速数据采集处理开发板
下载后可任意编辑某高速项目质量管理系统及监控系统建设方案为进一步提高工程项目管理的质量和效率,结合其他工程项目管理的经验,本项目拟...
广西高速公路施工标准化技术指南(桥梁施工分册)公路建设标准化技术指南桥梁子书广西交通投资集团有限公司2011 年 4 月1则总...............
1*******************交通组织和交通控制应急预案***************在****强有力的支持下,安全保通工作有序地开展。项目部全体人员遵循“安...
方案编号:XXXX 工程悬索封网跨越 xxxx 高速公路施 工 方 案XXXXX 公司XXXX 年 XX 月施工方案签名页项目名称xxxxxx 线路工程作...
山区施工便道设计与维护中交一公局万利万达项目总部万利六分部0前言施工便道作为高速公路建设施工准备阶段的重要环节,其服务功能的匹配度...
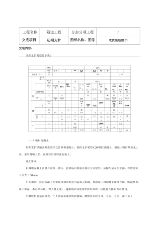
工程名称隧道工程分部分项工程/交底项目初期支护图纸名称、图号成贵施隧附 01交底内容:围岩支护类型见下表:H 如w«D 訂譚U 潭mJMMNJM...
下载后可任意编辑2024 高速收费中队长个人工作总结___年是收获的一年,在业务大比武中与 11 站同事共同学习、共同努力,最终获得良好的...
下载后可任意编辑2024 高速个人年终总结不平凡的___年已悄然过去,充满希望的___年已然来临,今日我们怀着激动的心情迎来了___年年终总结...
下载后可任意编辑2024 高速收费站工作总结范文___年是我省公路事业实现跨越式进展的又一年,也是我站监控工作逐渐走向完善的一年。作为分...
下载后可任意编辑2024 高速收费站防雷击预案高速公路征管所(站)防雷设计引言高速公路收费站一般由建筑物、供配电系统、收费系统、监控系统...
下载后可任意编辑2024 高速服务区安全生产工作总结为认真贯彻落实省交通运输厅、___交控集团关于防范化解重大风险工作要求,有效化解___交...
下载后可任意编辑2024 高速收费站效能建设工作总结范文第一篇。高速收费站效能建设工作总结效能是指员工在履行岗位职责和任务中所表现出来...
下载后可任意编辑2024 高速收费站工作总结温馨___路和谐大家庭___年,___高速___东收费站,大胆更新服务理念,创新服务思维模式,将过去人...
下载后可任意编辑2024 高速年度考核个人总结1、工作业务方面。从我来到___站的近___个月里,我和大家一起学习和工作,彼此建立了真挚的友...
下载后可任意编辑2024 高速公路收费所安全生产工作总结(一)、调整管理机构,落实岗位职责1、进一步完善了安全管理机构,因人员变动,我...
宜张高速公路第二标段项目经理部环、水保施工专项方案一、编制说明............................................................. - 1...
DNT 系列 高速洗浆机 使用说明书 诸城市天工造纸机械有限公司 一、概 述 1 对于制浆造纸企业来说,浆料的洗涤与浓缩都是生产中的重...

