电脑桌面
添加小米粒文库到电脑桌面
安装后可以在桌面快捷访问
标签“交线”的相关文档,共3条
  • 提优点4  截面或交线问题

    提优点4 截面或交线问题VIP

    截面或交线问题【知识拓展】1.空间几何体截面的主要原理为两个基本事实及两个性质.(1)两个基本事实为:① 如果两个不重合的平面有一个公共...

    2025-10-28发布59 浏览16 页29 次下载599.08 KB
  • 模块二任务4截交线的投影

    模块二任务4截交线的投影VIP

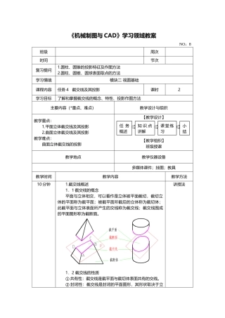
    《机械制图与 CAD》学习领域教案NO:8班级周次时间节次复习提问1.圆柱、圆锥的投影特征及作图方法2.圆柱、圆锥、圆球表面取点的方法学习情...

    2025-09-07发布149 浏览7 页14 次下载694.5 KB
  • 第5章-立体表面的交线

    第5章-立体表面的交线VIP

    第5章立体表面的交线一、切割体及截交线的概念1、切割体——基本几何体被平面切去某些部分后的形体。(a)顶尖(b)拨叉轴2、平面切割体——平...

    2024-11-18发布188 浏览43 页13 次下载3.03 MB
确认删除?
VIP
微信客服
  • 扫码咨询
会员Q群
  • 会员专属群点击这里加入QQ群
客服邮箱
回到顶部