美容美发场所卫生监督量化分级管理评分表单位名称:地 址: 负 责 人: 联系电话:评查内容分值评查标准扣分原因或合理缺项得分卫生许可...
美 容 美 发 场 所 卫 生 管 理 制 度(一)证照管理制度一、 按《公共场所卫生管理条例》相关规定依法办齐卫生许可证、从业人...
目 录摘 要....................................................................................................................IA...
经营场所方位图 北西 东 南 新 开 路 解 放 道说明:① 请标明方向指示 ② 请绘制主要道路和建筑物,标出企业具体位置经营...
2.5 医疗器械住所(经营场所)、库房地理位置示意图及其场所平面图(注明使用面积) 2。5。1 XXX 医疗器械有限公司住所(经营场所)地理...
经侦歇台子办案场所装修工程施工组织设计二〇一四年八月二十四日目录一、工程概况及特点二、编制依据三、施工部署四、工程施工计划及其说明...
生产线作业现场应急处置预案1 总则1.1 目的:为法律规范突发生产安全事故现场应急管理和响应程序,提高对突发事故的应急处置能力,作好事...
ICS 13.220。20 C 80 DB23黑 龙 江 省 地 方 标 准DB 23/T1533—2024 粮食储存场所消防安全管理技术法律规范2013 -11 —21...
租赁场所(室内)安全管理规定一、总则1、根据“谁主管、谁负责"的原则,落实租赁场所安全管理,法律规范租赁场所租赁行为,明确租赁双方的安...
目次前言..。。...。.。 。。 。. . 0 。. 。 。 .。.。。.。.。。。..。...。. ... 。。.. l 范围.。 。. . 。 。 . 。...
特 定 场 所 消 毒 技 术 方 案(第一版)一、消毒原则(一)范围和对象确定.根据流行病学调查结果确定现场消毒的范围、对象和时...
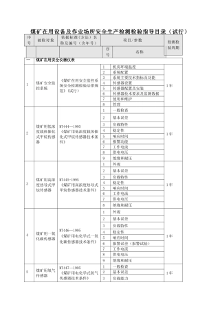
煤矿在用设备及作业场所安全生产检测检验指导目录(试行)序号被检对象依据标准(方法)名称及编号(含年号)项目/参数检测检验周期序号名称...
烟花爆竹零售经营户主要负责人安全责任制 一、仔细贯彻执行《安全生产法》和《烟花爆竹安全管理条例》等法律及其实施条例、细则以及其他法...
玉田县中小学劳动实践基地(场所)建设和使用目标量化考核细则(试行)考核项目权重系数考 核 内 容赋 分 办 法考 评办 法考核得分...
游泳场所卫生管理制度游泳馆安全管理制度 为了贯彻落实《游泳管理办法》,履行公共场所安全管理职责,维护游泳场所的治安秩序,保障游泳者...
游泳场所管理办法第一条为加强对游泳场所的管理,保障游泳者的健康和安全,根据《全民健身条例》《公共场所卫生管理条例》等法规规定,结合...
温州市公共场所卫生管理台帐-—-游泳场所篇( 年 )单位名称: 单位地址: 卫生管理员: 温州市创建国家卫生城市领导小组办公室印制温州...
消防安全“九小场所”界定标准本标准所称的消防安全“九小场所”是指达不到《消防安全重点单位界定标准》,但又具有一定规模的下列餐饮、购...
浅谈大型场所消防安全隐患及对策摘要:大型场所规模大、人员多而复杂,具有用火用电多等特点,一旦管理、组织不好,容易引起火灾或导致其他灾...
通州区预防接种临时接种场所要求一、接种场所要求1、接种单位必须具有医疗机构执业许可证。承接接种的医务人员必须接受过区县卫生行政部门...

