浙江财经学院东方学院学年论文论文题目:浅析我国工程索赔现状学生姓名吴振浩指导教师陈佳骊分院工商管理分院专业名称工程管理班级08工程管...
浅析古州平定刻花瓷的工艺特色及装饰艺术摘要:素以“文献名邦”著称的古州平定被誉为“中国刻花瓷之乡”。平定刻花瓷具有返璞归真的灵性,...
近年来,随着长江口深水航道治理的成功,进出镇江的超大型船舶(《长江江苏段船舶定线制规定》)规定,“超大型船舶”系指船舶实际淡吃水9....
浅析小额信贷的风险控制一、引言发展小额信贷对于创业就业,缓解中小企业融资困境有着重要现实意义。但小额信贷可能面临类似次级贷款的风险,...
浅析如何培养学生在数学教学中的解题能力摘要:教学关键是教会学生用所学的知识解决实际问题,即要提高学生的解题能力。文章从培养学生“数...
毕业论文题目:浅析绿色贸易壁垒对广东农产品出口贸易的影响及应对策略系部工商管理年级2010级专业国际贸易实务学生姓名尤奔学号1004053328...
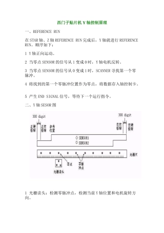
西门子贴片机Y轴控制原理一、REFERENCERUN在STAR轴、Z轴REFERENCERUN完成后,Y轴就进行REFERENCERUN。顺序如下:1Y轴正向运动。2当零点SENS...
浅析房地产热和金融业的关系以及对策摘要:近几年来,随着我国经济的快速发展、城市化进程的加快、居民收入水平的提高及政府启动内需的政策...
浅析小学美术学科教学评价观念的转变【内容摘要】:评价是决定某一事物的价值,教学评价是在所获得信息前提下,对教学过程及其效果的价值作...
浅析电子商务时代电子货币的发展及其作用李庆媛兰州大学物理科学与技术学院06级电子商务2班兰州730000摘要在互联网高速发展的今天,电子货...
毕业论文题目:浅析我国企业的品牌经营与管理学院(直属系):管理学院年级、专业:2007级市场营销学生姓名:曾明月学号:312007110202409指导教师...
中央广播电视大学人才培养模式改革和开放教育试点会计学专业毕业论文浅析企业资金管理模式的现状与问题学员姓名曹丽艳学号0832001452905入...
暨南大学研究生课程论文题目浅析我国高速公路行业税收专业理财规划年级2010年冬季在职研究生时间2011年2月28日姓名金鑫浅析我国高速公路行...
2011届毕业设计(论文)材料袋温州电大分校会计类设计(论文)题目浅析负债经营学号0933001403592姓名戴晓丹资料目录1毕业设计(论文)定稿...
浅析农村初中语文学困生的成因及对策开远第七中学白正林摘要:农村初中语文学困生的问题,不是个别班级和个别学校的问题,在农村,特别是在...
浅析我国现行公积金制度存在的问题及对策——关于住房公积金利率政策研究内容摘要伴随着利率市场化的不断逼近,利率风险的研究与管理在金融...
浅析价值工程如何应用于建筑策划阶段【摘要】价值工程是“通过各相关领域的协作,对所研究对象的功能与费用进行系统分析,不断创新,旨在提高...
摘要:本文介绍了手机二维码业务和技术的进展情况,从手机二维码的技术特点出发,相对RFID分析了其优势和局限性,总结了手机二维码技术适合...
浅析农村合作医疗制度的问题及对策摘要:新农村合作医疗制度的快速发展,无疑说明了农民对健康保障制度的迫切需要,也说明了新农村合作医疗...
浅析沥青路面产生裂缝的原因及防治措施[摘要]沥青路面在铺筑使用后会产生各种各样裂缝,由于路表水的浸入,裂缝两侧的路面结构层和土路基的...

