园林绿化设计合同范本合同编号:_______________________________________-园林景观工程委托设计合同委托方(以下简称甲方):设计方(以下...
园林绿化施工组织设计方案目录第一部分工程概况及施工组织机构3一、工程概况..............................................................
园林绿化种植工程施工方案一、绿化工程的前期要求(一)绿化施工前的准备1、绿化施工期:专业绿化工程和各项建设工程的附属绿化工程,应与...
目录第一部分绿化养护大类.....................................2一、草坪..............................................2二、绿篱、定...
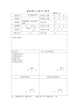
园林绿化工程开工报告穗园绿施管1—1工程名称韶关市汇展华城小区景观工程合同开工日期年月日工程地点韶关市区合同竣工日期年月日工程类别园...
园林绿化施工组织设计方案目录第一部分施工组织机构..................3一、施工组织机构图................................................
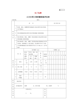
建2-1-1土方分项工程质量检验评定表工程名称:部位:保证项目项目质量情况1柱基、基坑、基槽和管沟基底的土质必须符合设计要求,并严禁扰...
ICS65.020.40B61备案号:14313-2003北京市地方标准DBDB11/T212—2003城市园林绿化工程施工及验收规范CodeforConstructionandAcceptanceofLa...
园林绿化工程施工组织设计第一篇工程概况第二篇施工规划第三篇施工程序第四篇园林工程施工方法第五篇绿化工程施工方法第六篇施工进度计划表...
园林绿化工程开工报告绿施管1—1工程名称小区景观工程合同开工日期年月日工程地点合同竣工日期年月日工程类别园林建筑、水电安装、绿化合同...
建2-1-1为了免费土方分项工程质量检验评定表工程名称:部位:保证项目项目质量情况1柱基、基坑、基槽和管沟基底的土质必须符合设计要求,...
7园林绿化工程通用部分检查用表…………………………………….…......…587.1施工现场质量管理检查记录…………………………………………...
第8章、主要分项工程施工方案与措施根据本工程实际情况,本方案将其分电气工程、绿化工程二大部份,并分别就其施工方案、方法及措施等进行...
中华人民共和国教育部东北林业大学毕业论文论文题目:双鸭山市南市区5号地块园林绿化工程施工组织设计学生XXX指导教师:XXX教授学院:成人...
一、编制依据1、《工程测量规范》GB50026-932、《园林绿化工程施工及验收规范》(CJJ82-2012)3、《城市道路绿化规划与设计规范》(CJJ75-9...
园林绿化种植工程施工方案一、绿化工程的前期要求(一)绿化施工前的准备1、绿化施工期:专业绿化工程和各项建设工程的附属绿化工程,应与...
园林绿化施工承包合同发包方(全称):(以下简称甲方)承包方(全称):(以下简称乙方)依照《中华人民共和国合同法》及其他有关法律、行...
园林绿化关键技术----园林讲座教材提纲问题的提出:第一,2013年8月,武隆仙女山工地200余株马褂木栽植4个月后,陆续死亡;2013年10月,北...
目录第一章编制说明2第二章:工程概况及特点5第三章施工现场总平面布置8第四章施工组织机构设置及管理10第五章施工部署14第六章主要分部分...
园林绿化工程监理规划〔例如〕欧旺云一、工程工程概况工程名称:×××绿化晋级改造工程工程地点:×××街建立:×××理会监理:×××建...

