第一章编制说明1、编制依据1.1仙河公园园林绿化及景观工程招标文件。1.2北京创翌高峰园林工程咨询有限责任公司。1.3答疑文件1.4现场的施工...
目录一、监理工程概况二、监理范围和服务内容,监理依据三、监理机构设施(框图)、组成人员名单,监理人员岗位职责四、监理工作程序、方法...
园林绿化工程竣工资料归档目录工程名称:共页第页序号标题名称表格号页码备注第一分册合同文件类1监理合同2施工合同3分包合同4其他合同5施...
四川师范大学龙泉新校区园林绿化三标段工程施工组织设计成都市锦绣园林建筑工程有限责任公司2010年3月目录第一部分编制说明第二部分工程目...
总目录第一部分、施工组织设计...................................1第一章编制说明.......................................................
《园林绿化专业基础与实务》考试大纲根据原北京市人事局《北京市人事局关于工程技术等系列中、初级职称试行专业技术资格制度有关问题的通知...
目录1.………………………………………………开工报告2.…………………………………………施工组织设计3.……………………………………...
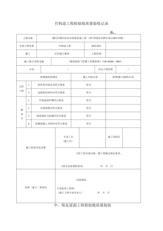
竹构造工程检验批质量验收记录编:工程名称漯河沙澧河滨水区绿地景观工程〔107国道沙河桥至嵩山路沙河桥〕分部工程名称竹构造工程验收部位...
目录第一章、工程概况第二章、编制依据第三章、绿化工程各程序技术措施(一)、工程施工计划说明及施工准备(二)、各分部分项工程的主要施...
九、施工组织设计目录1、编制依据及说明2、工程概况3、工期及质量目标4、施工准备情况5、施工方案及工艺要求6、工期保证措施7、质量保证措...
1.工程概况及专业工程特点:1.1工程概况本工程位于莱西市沙岭河公园(北京路-济南路)段。该路段长450米,宽50米绿化面积2.25万平方米。1....
城市园林绿化用植物材料木本苗前言为适应北京城市园林绿化行业的发展要求,依据GJ/T34-91《城市绿化和园林绿地用植物材料木本苗》,特制定...
吉林龙城帝景一期园林绿化景观工程施工方案吉林市艾琳园林绿化有限责任公司2013年10月10日一、编制说明1、编制原则:1.1质量目标明确。在施...
施工现场安全管理资料天津园林绿化工程有限公司《安全管理》资料天津一期景观工程安全管理资料目录1、项目经理部安全管理机构设置。2、项目...
为了免费,删掉此行即可园林绿化工程开工报告穗园绿施管1—1工程名称韶关市汇展华城小区景观工程合同开工日期年月日工程地点韶关市区合同竣...
城市园林绿化企业资质年检申报表企业名称:(章)填报日期:年月日证书编号:中华人民共和国建设部制一、企业基本情况企业名称联系电话主管...
东林寺园林绿化工程施工组织设计目录第一章施工组织设计整体概述…………………………………P3-5第二章主要分项分部工程的施工方案和施工工...
园林绿化施工方案目录第一章工程概况第二章工程目标第三章编制依据第四章项目经理部组织设置第五章质量保证措施第六章质量通病防治措施第七...
营口经济技术开发区山海广场绿化景观工程五标段自检汇总表施工单位:葫芦岛市鑫海市政建设有限责任公司年月日序号品名设计要求(含设计变更...
目录第一章工程概况.............................................1第二章施工准备工作计划.....................................4第三章...

