电脑桌面
添加小米粒文库到电脑桌面
安装后可以在桌面快捷访问

城市园林绿化用植物材料木本苗(PDF整理版含表)VIP免费

城市园林绿化用植物材料木本苗(PDF整理版含表)_第1页
1/9
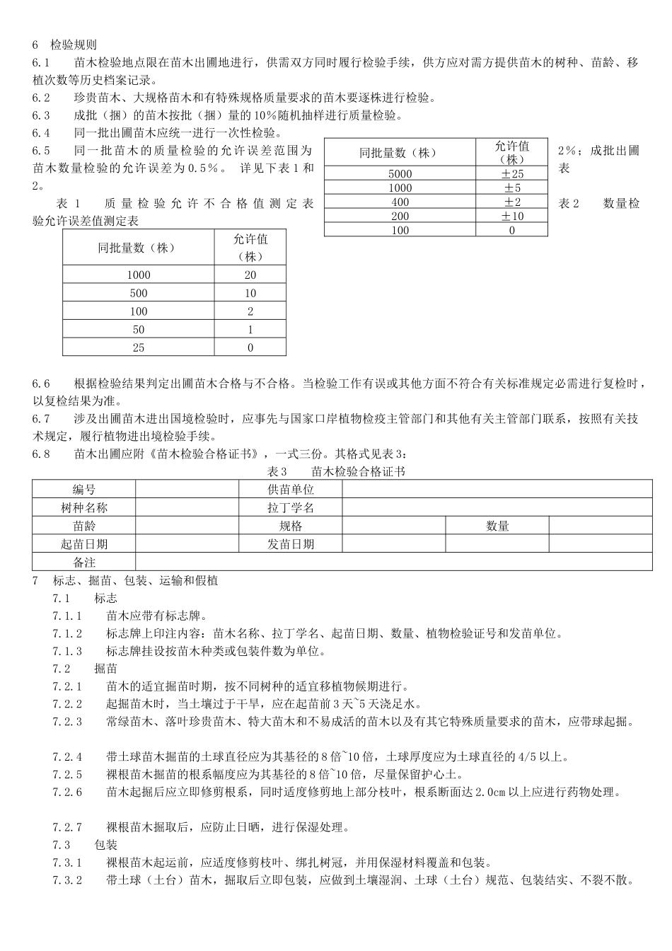
城市园林绿化用植物材料木本苗(PDF整理版含表)_第2页
2/9
城市园林绿化用植物材料木本苗(PDF整理版含表)_第3页
3/9
城市园林绿化用植物材料木本苗前言为适应北京城市园林绿化行业的发展要求,依据GJ/T34-91《城市绿化和园林绿地用植物材料木本苗》,特制定本标准。本标准附录A、附录B、附录C、附录D和附录E为规范性附录。本标准由北京市园林局提出。本标准起草单位:北京市园林科学研究所。本标准主要起草人:吴西蒙、陈晓。城市园林绿化用植物材料木本苗1范围本标准规定了北京市用于城市园林绿化露地栽植苗木的规格、质量、检验、验收以及标志、掘苗、包装、运输与假植等基本技术要求。北京城市园林绿化露地栽植苗木树种参照《北京市区城市绿地植物规划》的具体要求选择应用。本标准适用于北京城市园林绿化露地栽植苗木。2规范性引用文件下列文件中的条款通过本标准的引用而成为本标准的条款。凡是注日期的引用文件,其随后所有的修改单(不包括勘误的内容)或修订版均不适用于本标准,然而,鼓励根据本标准达成协议的各方研究是否可使用这些文件的最新版本。凡是不注日期的引用文件,其最新版本适用于本标准。GJ/T34-91城市绿化和园林绿地用植物材料木本苗3术语和定义下列术语和定义适用于本标准。3.1苗木类型按苗木的生物学特性分为常绿乔木、落叶乔木、常绿灌木、落叶灌木、常绿藤木、落叶藤木、竹类等种类;按苗木的自然形态分为丛生型、单干型、多干型、匍匐型等类型。3.2丛生型苗木自然生长的树形呈丛生状的苗木。3.3单干型苗木自然生长或经过人工整形后具1个主干的苗木。3.4多干型苗木自然生长或经过人工整形后具有3个以上主干的苗木。3.5匍匐型苗木自然生长的树形呈匍匐状的苗木。3.6小乔木自然生长的成龄树株高在5m~8m的乔木。3.7中乔木自然生长的成龄树株高在8m~15m的乔木。3.8大乔木自然生长的成龄树株高在15m以上的乔木。3.9干径指乔木主干离地表面1.3m处的直径。3.10基径指苗木主干离地表面0.3m处的直径。3.11冠径指乔木树冠垂直投影面的直径。3.12蓬径指灌木、灌丛垂直投影面的直径。3.13树高指从地表面至乔木正常生长顶端的垂直高度。3.14分枝点高指从地表面到乔木树冠的最下分枝点的垂直高度。3.15灌高指从地表面至灌木正常生长顶端的垂直高度。3.16移植次数苗木培育的全过程中移植的次数。4技术要求4.1对使用苗木的基本要求4.1.1应选择当地适生树种,包括乡土树种以及引种驯化成功并已得到广泛应用的树种。4.1.2使用苗木的树种(品种)应有标牌,标明种类(中文植物名称与拉丁学名)、规格、数量和质量。4.1.3应用的苗木应具备生长健壮、枝叶繁茂、冠形完整、色泽正常、根系发达、无病虫害、无机械损伤、无冻害等基本质量要求。4.1.4使用的苗木应经过移植培育。5年生以下的移植培育至少1次;5年生以上(含5年生)的移植培育至少2次。野生苗和山地苗应经北京本地苗圃养护培育3年以上,适应当地环境和生长发育正常后才能应用。4.1.5栽植苗木必须经过植物检疫。外埠苗木进入北京市域应经法定植物检疫主管部门检验,签发检疫合格证书后,方可应用。具体检疫要求按国家和北京市有关规定执行。4.2各类型苗木规格质量标准4.2.1乔木类常用苗木主要规格质量标准见附录A、附录B。4.2.1.1乔木类苗木主要质量要求:具主轴的应有主干,主枝3个~5个,主枝分布均匀,乔木类苗木主要质量要求以干径、树高、冠径、主枝长度、分枝点高和移植次数为规定指标。4.2.1.2落叶大乔木慢长树干径5.0cm以上,快长树干径7.0cm以上;落叶小乔木干径3.0cm以上;常绿乔木树高2.5m以上。4.2.1.3行道树用乔木类苗木主要质量规定指标为:落叶乔木类干径不小于7.0cm,主枝3个~5个,分枝点高不小于2.8m(特殊情况下可另行掌握);常绿乔木树高4.0m以上。4.2.1.4高接乔木嫁接时间应在3年以上,接口平整、牢固。4.2.2灌木类常用苗木主要规格质量标准见附录C。4.2.2.1灌木类苗木主要质量标准以主枝数、蓬径、苗龄、高度或主枝长、基径、移植次数为规定指标。4.2.2.2丛生型灌木主要质量要求:灌丛丰满,主侧枝分布均匀,主枝数不少于5个,主枝平均高度达到1.0m以上。4.2.2.3匍匐型灌木主要质量要求:应有3个以上主枝达到0.5m以上。4.2.2.4单干型灌木主要质量要求:具主干,分枝均匀,基径在2.0cm以上,树高1.2m以上。4.2....

1、当您付费下载文档后,您只拥有了使用权限,并不意味着购买了版权,文档只能用于自身使用,不得用于其他商业用途(如 [转卖]进行直接盈利或[编辑后售卖]进行间接盈利)。
2、本站所有内容均由合作方或网友上传,本站不对文档的完整性、权威性及其观点立场正确性做任何保证或承诺!文档内容仅供研究参考,付费前请自行鉴别。
3、如文档内容存在违规,或者侵犯商业秘密、侵犯著作权等,请点击“违规举报”。

碎片内容

城市园林绿化用植物材料木本苗(PDF整理版含表)

墨香书阁+ 关注
实名认证
内容提供者

热爱教学事业,对互联网知识分享很感兴趣

确认删除?
VIP
微信客服
  • 扫码咨询
会员Q群
  • 会员专属群点击这里加入QQ群
客服邮箱
回到顶部