国电饶平海山风电场工程110kV升压站土建工程施工方案目录1、编制依据.....................................................................
升压型DC-DC电源转换器信息学院电子科学与技术系模拟电子技术课程设计《模拟电子技术课程设计》课程特点模拟电子技术实验老师:给出实验...
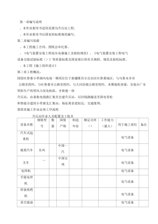
第一章编写说明、本作业指导书适用范围为升压站工程。、本作业指导书以国家的标准规范编写。第二章编写依据、本工程施工合同、图纸会审纪要...
升压站电气试验进度汇总、常规电气试验序号试验载体试验项目数量单位计划试验时间实际试验时间完成情况(是/否)报告出具时间(有/无)备注...
11工程概况和主要工程量1.1工程概况本工程为连江黄岐风电场工程升压站电气安装工程,风电场规划风机12台,装机容量共30MW。本工程线路分为A...
-1-莱州龙泰热电有限公司110KV升压站设备安装施工技术安全组织措施—•工程概况:110KV升压站设备安装,主要工作内容包括:主变压器安装、...
中作能建湖南指指火电导设公书编制单位湖北华能随县界山风电场期工程项目部工程名称华能随县界山风电场期工程单位工程110kV升压站建筑工程...
第1页共62页编号:时间:2021年x月x日书山有路勤为径,学海无涯苦作舟页码:第1页共62页隔离升压变压器安装分项工程报验申请表工程名称:松...
第1页共34页编号:时间:2021年x月x日书山有路勤为径,学海无涯苦作舟页码:第1页共34页华能繁峙上狼涧49.MW风电场升压站土建工程质量验收...
升压站建筑工程施工方案1适用范围本施工方案适用于江苏华电滨海风电项目,升压站的墙体砌筑及抹灰、楼地面及室内外装饰、屋面保温及防水、...
中广核利川元堡风电场土建工程施工强制性条文执行计划表工程编号工程名称责任单位执行表号执行条号单位工程子单位工程分部工程子分部工程分...
1表风电场工程施工安全强制性条文通用部分执行记录表编号工程名称单位(子单位)工程名称分部(子分部)工程名称分项工程名称施工单位项目...
升压站电气试验进度汇总一、常规电气试验序号试验载体试验项目绝缘油容解气体全分析绕组直流电阻数量单位计划试验时间实际试验时间完成情况...
检测与试验计划1编制依据1.1《砌筑砂浆配合比设计规程》JGJ/T98-20111.2《普通混凝土配合比设计规程》JGJ55-20111.3《建筑用砂》GB/T14684-...
目录一、编制依据............................................................3二、项目简介............................................
湖南省火电建设公司作业指导书编制单位中国能源建设集团湖南省火电建设公司工程名称华能布尔津风电场一期49.5MW升压站工程单位工程110kV升...
1敦煌光伏园区2#110kV升压站工程第一卷建筑工程施工技术方案甘肃瑞丰电力工程有限公司敦煌光电园区2#110kV升压站建设工程施工项目部二0一三...
新疆华电达坂城新能源有限公司100MW风电项目三标段:110kV升压站设备及箱变安装、调试施工施工组织设计投标人:日期:2016年02月17日目录一...
升压站土建工程施工进度计划表分部分项工程名称0七月份010八月份010九月份000十月份01十一月份000形象进度十一二月份月份0010010二月份080...
第1页共13页编号:时间:2021年x月x日书山有路勤为径,学海无涯苦作舟页码:第1页共13页国电谏壁发电厂上大压小扩建工程升压站受电前质量监...

