电脑桌面
添加小米粒文库到电脑桌面
安装后可以在桌面快捷访问

升压站电气施工组织设计VIP免费

升压站电气施工组织设计_第1页
1/19
升压站电气施工组织设计_第2页
2/19
升压站电气施工组织设计_第3页
3/19
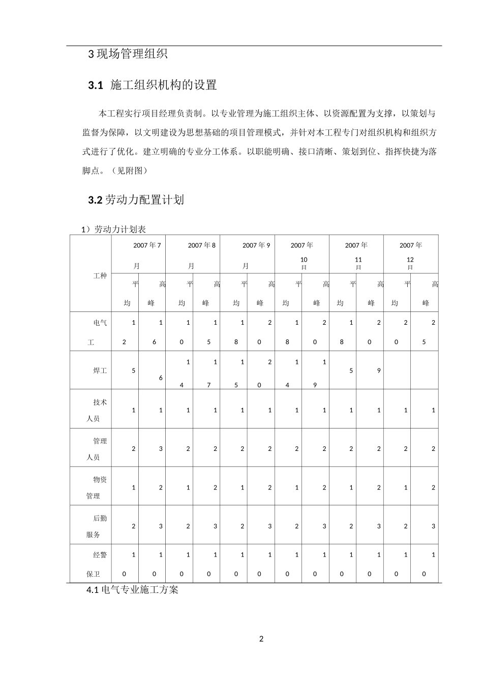
11工程概况和主要工程量1.1工程概况本工程为连江黄岐风电场工程升压站电气安装工程,风电场规划风机12台,装机容量共30MW。本工程线路分为A、B两条架空集电线路,将12台风机分两组接入白云岭110kV升压站内的35kV配电装置中,其中A回集电线路包括1#—5#和8#共6台风机;B回集电线路包括6#、7#和9#—12#共6台风机。1.2主要工程量1).风机基础接地装置安装a.风机基础接地极安装b.风机基础接地线敷设安装2).风机内电气安装a.塔筒内盘柜安装b.塔筒内高压电缆、控制电缆敷设c.风机内电缆终端头制作2施工总平面布置施工总平面布置本着“有利施工、有利排水、节约用地、方便运输、保证安全”的原则,针对连江黄岐风电工程施工场规划要求,合理规划布置在指定区域内。2.1施工现场布置1)附件储藏针对目前风电工程,所有电气附件储藏在每台风机塔筒内。不会导致误用附件。2)组合场针对风电工程场地宽大和设备成套、简单的特点,不再设专门的组合场,采用就地组合就地安装的方式。3)发电机针对风电工程安装,风机位置间距比较特殊,不能采用火电供用电措施。在每台风机安装时使用发电机带动照明及电动工具。23现场管理组织3.1施工组织机构的设置本工程实行项目经理负责制。以专业管理为施工组织主体、以资源配置为支撑,以策划与监督为保障,以文明建设为思想基础的项目管理模式,并针对本工程专门对组织机构和组织方式进行了优化。建立明确的专业分工体系。以职能明确、接口清晰、策划到位、指挥快捷为落脚点。(见附图)3.2劳动力配置计划1)劳动力计划表2007年72007年82007年92007年2007年2007年月月月10月11月12月工种平高平高平高平高平高平高均峰均峰均峰均峰均峰均峰电气111112121222工260580808005111211焊工5647504959技术111111111111人员管理232222222222人员物资121212121212管理后勤232323232323服务经警111111111111保卫0000000000004.1电气专业施工方案34.1.1施工组织电气专业工程质量标准“确保达标投产,争创国优工程”。满足安装需要和必要的形象进度为宗旨,以点带面,以样板事例带动整个工程,对施工中的重点、难点和关键点,超前策划、预控和过程控制相结合,充分的施工准备、严密的专业施工组织、合理安排工序的交叉、与安装工程和其它标段密切配合、施工资料与工程同步。1)施工管理策划选取工程管理经验丰富的技术管理人员;组织职工岗前培训,并根据工程的进展情况安排进厂。超前策划:超前编制施工组织专业设计、施工作业指导书,安排P3施工进度计划和机械、物资及周转材料的进出场计划。开展QC小组活动,对施工质量的薄弱环节进行预控。对施工危险因素和环境因素进行辨识,制定控制对策,并编制安全文明施工防护设施的投入计划等。2)建立完善的施工资料板块根据本工程资料管理文件,技术人员建立相关的资料系统归档文件包。和业主、监理专业人员共同编制专业项目划分文件,制作质量验收单模版。根据我公司的程序文件要求及创国家优质工程材料要求,编制本工程施工过程控制等一系列的记录表模版,方便以后施工。3)资源准备:与甲方确定设计图纸的交付时间。周转性材料,按照计划用量提前准备齐全并修整完善。主材:根据施工图做出材料的预算,并将材料购买齐全,提前复试,保证施工需要。措施用料:将施工用的角铁、扁钢、钢管备足。劳动保护用品、用具准备齐全。5)做好工序的交接a.接地极安装。b.接地线敷设及安装。c.风机内盘柜安装。d.风机内高压电缆、控制电缆敷设。e.风机内高压电缆、控制电缆终端制作。44.1.2施工现场人员及资格序号作业人员冈位或数量资格职责1作业人员20特殊工种作业人员必须经过劳动局特殊工种培训,并取得相应工种的合格证,作业时持证上冈严格遵守各项管理规章制度和操作规程。施工前熟悉有关资料,明确自己的施工范围及方法,了解施工工艺及安全注意事项,注意文明施工。施工结束后,清理施工现场。2施工负责人1有整体指挥能力,责任心强熟悉整负责组织、协调现场施工,对现场施工的人员组织、施工进度、施工安全全面负责。3技术员2有施工经验,熟悉图纸,能现场解决一般问题并了解验收要求,责任心强全面负责该项施工的技术工作...

1、当您付费下载文档后,您只拥有了使用权限,并不意味着购买了版权,文档只能用于自身使用,不得用于其他商业用途(如 [转卖]进行直接盈利或[编辑后售卖]进行间接盈利)。
2、本站所有内容均由合作方或网友上传,本站不对文档的完整性、权威性及其观点立场正确性做任何保证或承诺!文档内容仅供研究参考,付费前请自行鉴别。
3、如文档内容存在违规,或者侵犯商业秘密、侵犯著作权等,请点击“违规举报”。

碎片内容

升压站电气施工组织设计

您可能关注的文档

确认删除?
VIP
微信客服
  • 扫码咨询
会员Q群
  • 会员专属群点击这里加入QQ群
客服邮箱
回到顶部