电脑桌面
添加小米粒文库到电脑桌面
安装后可以在桌面快捷访问

110升压站作业指导书VIP免费

110升压站作业指导书_第1页
1/17
110升压站作业指导书_第2页
2/17
110升压站作业指导书_第3页
3/17
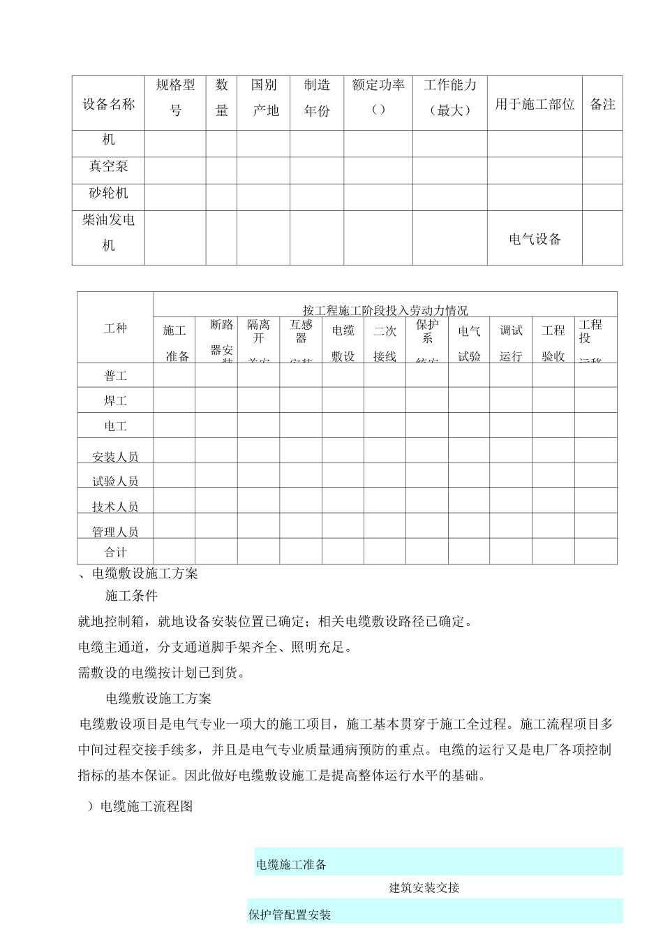
第一章编写说明、本作业指导书适用范围为升压站工程。、本作业指导书以国家的标准规范编写。第二章编写依据、本工程施工合同、图纸会审纪要。、《电气装置安装工程高压电器施工及验收规范》、《电气装置安装工程电气设备交接试验标准()》等质量标准及国家现行的有关规程、规范及验收标准。、本工程《施工组织设计》第三章工程概况:国投吐鲁番小草湖风电场一期项目位于新疆维吾尔自治区吐鲁番地区,与乌鲁木齐市公路里程约,与吐鲁番市公路里程约,与大河沿镇公路里程约。本期装机容量,安装台广东明阳生产的型风力发电机组,并新建一座升压站,由条集电线路汇集至自建升压站,以回线路输送至国电青松和鲁能合建的小草湖北汇集站,场址离省道较近,交通便利。第四章施工作业总体工序流程升压站作业人员配置及工机具设备名称规格型号数量国别产地制造年份额定功率()工作能力(最大)用于施工部位备注汽车式起重机电气设备载重汽车东风中国一汽电气设备叉车—中国宝鸡电气设备电焊机电气设备手提电焊机电气设备焊条烘烤机电气设备真空滤油电气设备设备名称规格型号数量国别产地制造年份额定功率()工作能力(最大)用于施工部位备注机真空泵砂轮机柴油发电机电气设备工种按工程施工阶段投入劳动力情况施工准备断路器安装隔离开关安互感器安装电缆敷设二次接线保护系统安电气试验调试运行工程验收工程投运移普工焊工电工安装人员试验人员技术人员管理人员合计、电缆敷设施工方案施工条件就地控制箱,就地设备安装位置已确定;相关电缆敷设路径已确定。电缆主通道,分支通道脚手架齐全、照明充足。需敷设的电缆按计划已到货。电缆敷设施工方案电缆敷设项目是电气专业一项大的施工项目,施工基本贯穿于施工全过程。施工流程项目多中间过程交接手续多,并且是电气专业质量通病预防的重点。电缆的运行又是电厂各项控制指标的基本保证。因此做好电缆敷设施工是提高整体运行水平的基础。)电缆施工流程图电缆施工准备建筑安装交接保护管配置安装)施工前的准备人员要求及机具配备()作业人员资格及要•作业人员在施工前必须经过三级安全教育,认真学习安全规程,并经过考试合格,方能参加作业。.作业人员必须熟悉设计图纸并参加安全技术交底。.参加作业人员必须熟练掌握电缆桥架安装及电缆敷设的安装方法及工艺要求。.电焊工必须经培训合格并明确接地装置焊接的要求。.参加高压电缆头制作人员必需持证上岗。.作业人员必须掌握安全用电的方法熟悉各项操作规程。()施工所需机械、工器具交流电焊机台铁锤〜磅把活动扳手寸〜寸把运输用长板车辆汽车吊辆力矩扳手套砂轮机台电缆号牌机台锯弓把电吹风汽油喷灯施工材料准备()主材.电缆支架的型号、规格符合设计要求,数量、配件齐全。并经验收合格。.电缆的型号、规格、长度应符合订货要求,附件齐全,电缆外观无损伤,电缆封端应严密。()辅助材料准备.扎带.电缆号牌技术准备()图纸齐全并经会审无误。()作业指导书已编制并批准。()电缆敷设质量通病预防措施编制完成。建筑安装的交接()电缆沟、竖井及电缆室等处的地坪及抹面工作应结束。()埋件数量、位置应符合设计。()电缆沟排水畅通,电缆室、电缆沟等处的临时设施、废料清理干净。()施工通道畅通。)施工方法及质量要求电缆支架的制作安装()电缆支架安装符合设计要求。()支架全长应有良好的接地。电缆敷设()电缆敷设前的检查工作.电缆通道畅通,排水良好。隧道内照明、通风符合要求。.电缆型号、规格应符合设计要求。.电缆外观应无损伤、绝缘良好。.电缆敷设前应按设计和实际路径计算每根电缆的长度,合理安排每盘电缆,避免浪费。.敷设路径中有可能损伤电缆的锐角、切割边缘、螺栓等已采取相应措施。.电缆敷设前电气试验合格。()电缆敷设的要求.高底压电力电缆,强电、弱电控制电缆应按顺序分层配置,一般情况宜由上而下布置。•电缆的最小弯曲半径应符合规范要求。.电缆终端处应留有适当的长度,但不可太长以免浪费。.电缆敷设时,不应损坏电缆沟、隧道、电缆井的防水层。.电缆必需架设在电缆盘上敷设,架设电缆时应使电缆从盘的上方拉出。不应使电缆在地面...

1、当您付费下载文档后,您只拥有了使用权限,并不意味着购买了版权,文档只能用于自身使用,不得用于其他商业用途(如 [转卖]进行直接盈利或[编辑后售卖]进行间接盈利)。
2、本站所有内容均由合作方或网友上传,本站不对文档的完整性、权威性及其观点立场正确性做任何保证或承诺!文档内容仅供研究参考,付费前请自行鉴别。
3、如文档内容存在违规,或者侵犯商业秘密、侵犯著作权等,请点击“违规举报”。

碎片内容

110升压站作业指导书

您可能关注的文档

wxg+ 关注
实名认证
内容提供者

该用户很懒,什么也没介绍

确认删除?
VIP
微信客服
  • 扫码咨询
会员Q群
  • 会员专属群点击这里加入QQ群
客服邮箱
回到顶部