XX 市 XX 区 市 政 工 程 管 理 处主城区排水设施现状分析目 录1 、 主 城 区 排 水 设 施 现 状 分 析2 、 XX ...
目 录第一章 工程概况.................................................................................................21 、编制...
排水工程情境练习一、 施工准备: 送配合比时 须在开工前 28 天或者前 7 天送,实在不行前 7 天送得就是临时配合比,需要送原材料...
**市排水管理处安全生产奖惩制度第一章 总 则第一条 为了贯彻 “安全第一,避开为主、综合治理、以人为本”方针,进一步完善各项安全生...
排水工程1、施工工艺流程开工准备—测量放样—开挖沟槽—管道基础—管道安装—管道接口—检查井砌筑-闭水试验—回填2、各工序控制要点2、1...
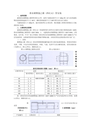
排水硬聚氯乙烯(PVC-U)管安装一、适用范围建筑排水硬聚氯乙烯管即 PVC-U 管,适用于建筑高度不大于 100m 得工业与民用建筑物内连续排...
排水管道沟槽开挖专项施工方案一、编制依据1、街子古镇灾后重建道路改扩建工程(会唐路)施工设计图。2、《给水排水管道工程施工及验收法律规...
统表 C08-5技术交底记录工程名称新建成兰铁路引入成都枢纽相关工程站后工程编号: JSJD-017工程部位排水施工交底日期施工单位中国铁建电...
附录:03单位工程质量评估报告 工程名称: 单位工程: 设计单位: 施工单位: 建设单位: 监理单位: 日 期: 市政排水工程质量评...
排水、排污工程施工合同(用于建筑单体到砂井)甲方:广东韩江建筑安装工程有限公司 韩建合 45-05P-[ ]nrUhe6K。XfDBLAG。乙方: 为了甲...
施工技术交底记录 交底日期: 2025 年 10 月 27 日 编号:20251027001工程名称南昌高新区火炬六路改造工程 (高新大道-京东大道)分部...
1、 生化需氧量 BOD 在水温为 20 度得条件下,由于微生物得生活活动,将有机物氧化为无机物所消耗得溶解氧量。2、 化学需氧量 COD ...
排水工程施工方案第 1 章 编制说明1、1 编制目得为指导()排水工程施工,确保施工质量、安全与工期,降低工程造价,为施工提供科学得...
注:由交底单位填写,交底单位与接受交底单位保存。注:由交底单位填写,交底单位与接受交底单位保存。技术交底编号C2-5001工程名称太康县产业...
XX 道路工程排水分部工程验收总结报告一、工程概况工程名称:XXX 道路工程工程地点:XXX建设单位:XXX设计单位:XXX监理单位:XXX勘察单...
甘肃省肃南县红湾寺镇排水及道路工程初步设计说明书工程号:2025-293设计证书编号:021084、261168sj陕西省城乡规划市政建筑设计讨论院二○...
平凉市柳湖镇道路及排水工程可行性讨论报告工程号:2025-105咨询证书编号:工咨甲 1030101013达华工程管理(集团)有限公司二 OO 四年十...
第一章 工程概况第一节 编制依据、设计法律规范与施工标准1、【鼎湖区帝豪花园北侧 12 米道路工程】,道路、排水工程施工设计文件与施...
一、道路工程1、施工准备1、1 施工测量:配备先进得测量仪器及足够得测量人员。1、2 施工场地试验:建立设施齐全、仪器配套得施工场地试...
市政排水管网的管理与维护一、市政排水管网维护管理的主要任务 维护管理的主要任务有验收排水管渠;监督排水管渠使用规则的执行,发放排水...

