(浏览56 次) No. 英文单词 简写 中文 1 screw scr 螺丝 2 nut nut 螺母 3 washer wash 垫圈 4 head hd 头 5 thread...
下载后可任意编辑安全演讲稿:安全,一颗小小的螺丝 安全是什么?一张纸,一句话,还是一个感叹号?都不是!假如把人比做是一个螺帽,那么,...
气动扳手 -- 螺丝及螺帽最大扭力参考值标准紧固转矩N.M 螺栓规格T 0.5T 1.8T 2.4T N.M N.M N.M N.M M1 0.0195 0.0098 0.035...
第一部分 基 础 知 识 第一章 度量 当今世界上长度计量单位主要有两种,一种为公制,计量单位为米(m)、厘米(cm)、毫米(mm)等...
紧固件英语翻译及螺丝标准件英语对照大全 螺丝标准件英语对照表 No. 英文单词 简写 中文 1 screw scr 螺丝 2 nut nut 螺母 3...
★美标UU 型开式螺旋扣 产品代号 型号(in.) 使用负荷(t) 重量(kg/件) 尺寸参数(mm) A B G L1 L2 d BB GH3101 1/4×4 0.2...
经常见到的螺丝规格与标识 (2010-10-27 09:12:12) 转载 A: 公制螺丝 B: 美规螺丝 C: 英制螺丝 A: 公制机械螺丝: Metric Ex: ...
常用螺栓、螺丝图解 d=(0.06+0.013*n)*25.4 其中N 表示如#4,#6#8#10 等,D 则等于换算出的公制尺寸 美制牙为55 度角,美制都是用牙...
常用螺丝和螺母的选材及性能介绍 课程刚要: 1. 常用螺丝及螺母的选材. 2. 常用螺丝及螺母的性能. 3. 图纸中对材料及热处理标注事项....
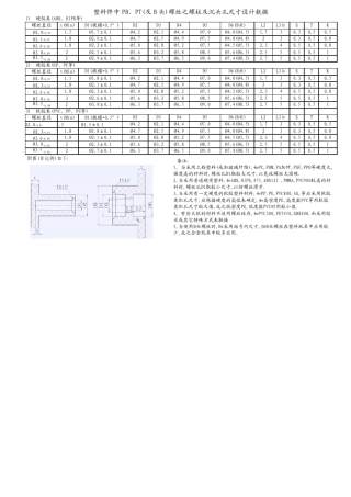
3-06 常用螺丝及螺丝孔规格表 1. 螺纹联接的用途及特征 a. 普通螺纹主要用于紧固联接, 其牙型角为60度, 螺距分为粗牙和细牙. 粗牙...
一 、 螺 丝 通 用 技 术 条 件 如 无 其 它 规 定 ,则 按 本 公 司 以 下 要 求 : 1. 外 观 质 量 检 查...
机加物料采购单
塑胶螺丝柱的设计总结
塑料件中PB、PT_及B头_螺丝之螺柱及沉头孔尺寸设计数据2
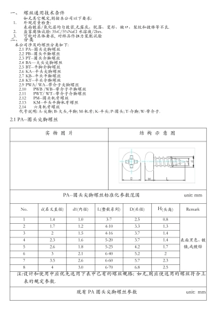
中英对照螺丝名称 中文名稱 英文名稱 六角螺絲(栓) HEX HEAD CAP SCREWS(HEX BOLTS) 六角機械螺絲 HEX HEAD MACHINE BOLTS ...
文案大全★美标型开式螺旋扣产品代号型号()使用负荷重量件尺寸参数XXXXXXXXXXXXXXXXXX<文案大全J!-1'匕©UL3XXXXXXXXXXXX★美标'型开式螺...
螺丝产品标准: 螺丝产品解释: 根据以上三种螺丝规格标准表,我们对螺丝专用词汇对照什么样的螺丝产品有了进一步了解。如何读懂螺丝标注...
国家标准螺丝规格表,螺丝牙距规格表 我们螺丝行业的螺丝生产厂家,在生产制造当中,销售过程当中,服务客户过程当中,遇到客户问,什么样...
1 冷镦成型工艺设计理论 目 录 1. 形状、尺寸 2. 坯料准备 3. 自动锻压机的型号 4. 凹模孔的直径 5. 滚压螺纹坯径尺寸的确定...
List of screw drives(螺丝刀型号)/附 PHILLIP 螺丝头规格 A screw drive is the system used to turn a screw.[1] At a...


