范围本工艺标准适用于钢结构安装工程,大六角高强度螺栓连接的施工技术。施工准备材料:螺栓、螺母、垫圈均应附有质量证明书,并应符合设计...
规格 规格 规格 规格 规格 规格 规格 规格 规格 M3*6 M4*8 M5*8 M6*10 M8*12 M10*16 M12*20 M14*25 M16*25 M3*8 M4*10...
螺距 头径 头厚 对边 螺纹千件重dlPdkksbKgM350.55.532.50.66M360.55.532.50.71M360.55.532.50.71M360.55.532.50.7M380.55.532.50.8M38...
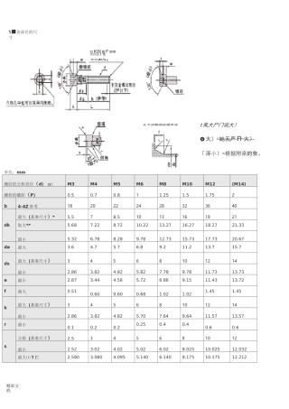
1.各部位的尺寸 单位:mm 螺纹的公称直径(d)(2) M3 M4 M5 M6 M8 M10 M12 (M14) 螺栓的螺距(P) 0.5 0.7 0.8 1 1.25 1.5 1...
螺距 头径 头厚 对边 螺纹千件重dlPdkksbKgM350.55.532.50.66M360.55.532.50.71M360.55.532.50.71M360.55.532.50.7M380.55.532.50.8M38...
PartNumberl(mm)`螺纹有效长度` (mm)lg(mm)`螺纹规格`s_max(mm)K_max(mm)D(mm)dk_max(mm)扳手槽深度_min(mm)r(mm)M1.6×2.5_GB/T70.1(内六...
内六角螺丝标准
PartNumberl(mm)`螺纹有效长度` (mm)lg(mm)`螺纹规格`s_max(mm)K_max(mm)D(mm)dk_max(mm)扳手槽深度_min(mm)r(mm)M1.6×2.5_GB/T70.1(内六...
PartNumberl(mm)`螺纹有效长度` (mm)lg(mm)`螺纹规格`s_max(mm)K_max(mm)D(mm)dk_max(mm)扳手槽深度_min(mm)r(mm)M1.6×2.5_GB/T70.1(内六...
PartNumberl(mm)`螺纹有效长度` (mm)lg(mm)`螺纹规格`s_max(mm)K_max(mm)D(mm)dk_max(mm)扳手槽深度_min(mm)r(mm)M1.6×2.5_GB/T70.1(内六...
内六角圆柱头螺钉(GBT70.1—2000)
精彩文档t 風大尸门说大)❻ 大)=她无严 n 大)「涿小)=根据附亲的隹。单位:mm螺纹的公称直径(d)(2)M3M4M5M6M8M10M12(M14)螺栓...
“感恩祖国书香校园”六角丛书优秀书展活动海报 *月**日 (海报参考模板 2)上帝你好。请你走进校园组织一次文化活动吧。以下是考参 通...
大六角高强度螺栓连接工程质量管理1、依据标准:《建筑工程施工质量验收统一标准》 GB50300-2001《钢结构工程施工质量验收规范》 GB50205...
制作六角螺母工作页要点学习任务二六角螺母的制作学习目标¤1.能运用分度头对圆钢进行等分划线。¤2.能正确选择正确的加工方法完成六角螺...
. . 学习任务二六角螺母的制作学习目标¤ 1 .能运用分度头对圆钢进行等分划线。¤ 2 .能正确选择正确的加工方法完成六角螺母的加工...
1.各部位的尺寸单位:mm螺纹的公称直径(d)(2)M3M4M5M6M8M10M12(M14)螺栓的螺距(P)0.50.70.811.251.51.752b参考1820222428323640dk最大(基准...
仅供参考[整理]第1页共3页安全管理文书六角滚筒安全操作规程日期:__________________单位:__________________仅供参考[整理]第2页共3页六...
..六角螺栓规格表大全如下:规格(直径×长度)每千个螺栓重量(公斤)规格(直径×长度)每千个螺栓重量(公斤)不带螺母带螺母不带螺母带螺母M10...
南水北调中线水源工程供水调度运行管理专项工程管理码头连接路实体段六角块施工质量评定表施工单位:水电三局工程管理码头施工项目部合同编...

