电脑桌面
添加小米粒文库到电脑桌面
安装后可以在桌面快捷访问

内六角螺栓尺寸表VIP免费

内六角螺栓尺寸表_第1页
1/6
内六角螺栓尺寸表_第2页
2/6
内六角螺栓尺寸表_第3页
3/6
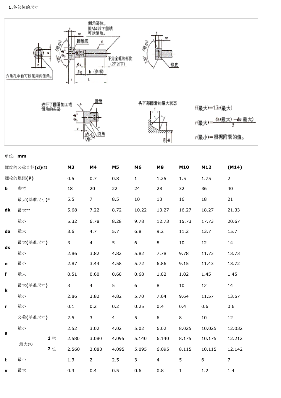
1.各部位的尺寸 单位:mm 螺纹的公称直径(d)(2) M3 M4 M5 M6 M8 M10 M12 (M14) 螺栓的螺距(P) 0.5 0.7 0.8 1 1.25 1.5 1.75 2 b 参考 18 20 22 24 28 32 36 40 dk 最大(基准尺寸)* 5.5 7 8.5 10 13 16 18 21 最大** 5.68 7.22 8.72 10.22 13.27 16.27 18.27 21.33 最小 5.32 6.78 8.28 9.78 12.73 15.73 17.73 20.67 da 最大 3.6 4.7 5.7 6.8 9.2 11.2 13.7 15.7 ds 最大(基准尺寸) 3 4 5 6 8 10 12 14 最小 2.86 3.82 4.82 5.82 7.78 9.78 11.73 13.73 e 最小 2.87 3.44 4.58 5.72 6.86 9.15 11.43 13.72 f 最大 0.51 0.60 0.60 0.68 1.02 1.02 1.45 1.45 k 最大(基准尺寸) 3 4 5 6 8 10 12 14 最小 2.86 3.82 4.82 5.70 7.64 9.64 11.57 13.57 r 最小 0.1 0.2 0.2 0.25 0.4 0.4 0.6 0.6 s 公称(基准尺寸) 2.5 3 4 5 6 8 10 12 最小 2.52 3.02 4.02 5.02 6.02 8.025 10.025 12.032 最大(1) 1 栏 2.580 3.080 4.095 5.140 6.140 8.175 10.175 12.212 2 栏 2.560 3.080 4.095 5.095 6.095 8.115 10.115 12.142 t 最小 1.3 2 2.5 3 4 5 6 7 v 最大 0.3 0.4 0.5 0.6 0.8 1 1.2 1.4 dw 最小 5.07 6.53 8.03 9.38 12.33 15.33 17.23 20.17 w 最小 1.15 1.4 1.9 2.3 3.3 4 4.8 5.8 螺纹的公称直径(d)(2) M16 (M18) M20 (M22) M24 (M27) M30 螺栓的螺距(P) 2 2.5 2.5 2.5 3 3 3.5 b 参考 44 48 52 56 60 66 72 dk 最大(基准尺寸)* 24 27 30 33 36 40 45 最大** 24.33 27.33 30.33 33.39 36.39 40.39 45.39 最小 23.67 26.67 29.67 32.61 35.61 39.61 44.61 da 最大 17.7 20.2 22.4 24.4 26.4 30.4 33.4 ds 最大(基准尺寸) 16 18 20 22 24 27 30 最小 15.73 17.73 19.67 21.67 23.67 26.67 29.67 e 最小 16.00 16.00 19.44 19.44 21.73 21.73 25.15 f 最大 1.45 1.87 2.04 2.04 2.04 2.89 2.89 k 最大(基准尺寸) 16 18 20 22 24 27 30 最小 15.57 17.57 19.48 21.48 23.48 26.48 29.48 r 最小 0.6 0.6 0.8 0.8 0.8 1 1 s 公称(基准尺寸) 14 14 17 17 19 19 22 最小 14.032 14.032 17...

1、当您付费下载文档后,您只拥有了使用权限,并不意味着购买了版权,文档只能用于自身使用,不得用于其他商业用途(如 [转卖]进行直接盈利或[编辑后售卖]进行间接盈利)。
2、本站所有内容均由合作方或网友上传,本站不对文档的完整性、权威性及其观点立场正确性做任何保证或承诺!文档内容仅供研究参考,付费前请自行鉴别。
3、如文档内容存在违规,或者侵犯商业秘密、侵犯著作权等,请点击“违规举报”。

碎片内容

内六角螺栓尺寸表

您可能关注的文档

确认删除?
VIP
微信客服
  • 扫码咨询
会员Q群
  • 会员专属群点击这里加入QQ群
客服邮箱
回到顶部