施工方案一、施工工艺流程:表面处理-—-环氧底漆二道—--—玻璃布--环氧面漆—-玻璃布-—环氧面漆--环氧面漆(三布五油)1、表面处理1。1、...
第1页共36页编号:时间:2021年x月x日书山有路勤为径,学海无涯苦作舟页码:第1页共36页中华人民共和国石油天然气行业标准SY/T0447—96埋...
第0页共52页编号:时间:2021年x月x日书山有路勤为径,学海无涯苦作舟页码:第0页共52页五、施工组织设计1.投标人编制施工组织设计的要求:...
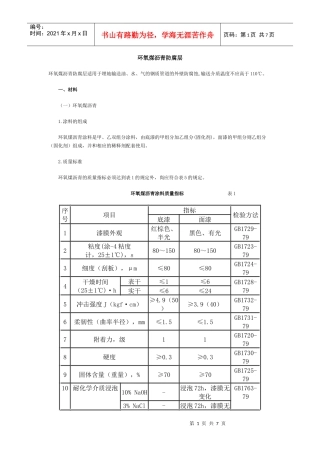
第1页共7页编号:时间:2021年x月x日书山有路勤为径,学海无涯苦作舟页码:第1页共7页环氧煤沥青防腐层环氧煤沥青防腐层适用于埋地输送油、...
第1页共8页编号:时间:2021年x月x日书山有路勤为径,学海无涯苦作舟页码:第1页共8页电子封装用复合导热绝缘环氧胶粘剂的研制电子封装用复...
第1页共22页编号:时间:2021年x月x日书山有路勤为径,学海无涯苦作舟页码:第1页共22页环氧自流平解决方案一、工程概况项目名称:环氧2mm...
第1页共8页编号:时间:2021年x月x日书山有路勤为径,学海无涯苦作舟页码:第1页共8页环氧砂浆地坪施工方案一、施工概况:项目位于,拟采用...
中海石油中捷石化GH403环氧煤沥青冷缠带外防腐层施工方案篇一:中海石油中捷石化GH403环氧煤沥青冷缠带外防腐层施工方案环氧煤沥青冷缠带外...
第1页共11页编号:时间:2021年x月x日书山有路勤为径,学海无涯苦作舟页码:第1页共11页环氧石英石地坪项目概况项目概况:一、项目名称:二...
第1页共6页编号:时间:2021年x月x日书山有路勤为径,学海无涯苦作舟页码:第1页共6页国内外环氧氯丙烷生产应用及市场分析沈菊华(中国石化...
第1页共7页编号:时间:2021年x月x日书山有路勤为径,学海无涯苦作舟页码:第1页共7页2mm厚环氧自流平地坪施工方案(一)基层处理·原找平地...
耐腐蚀复合材料管道——球墨铸铁环氧内衬外涂复合管道近几年,国际上已经发表了一些金属-塑料复合管加工技术的专利,西欧、北美在这方面处...
TSZS002-2003特种设备安装改造维修告知书施工单位:山东正泰工业设备安装有限公司设备种类:压力容器施工类别:安装告知日期:2007年月日...
环氧氯丙烷-甘油安全生产要点1工艺简述1.1环氧氯丙烷生产环氧氯丙烷的主要原料是丙烯、氯气和消石灰。将气化丙烯和氯气在高温氯化反应器中...
国内外环氧氯丙烷生产应用及市场分析沈菊华(中国石化上海石油化工研究院,201208)摘要:对国内外环氧氯丙烷生产技术发展动向和市场供需作了...
环氧自流平解决方案一、工程概况项目名称:环氧2mm自流平地坪项目性质:地坪涂装项目地址:指导思想:精心组织,精心施工,严格管理,交优...
环氧砂浆地坪施工方案一、施工概况:项目位于,拟采用环氧砂浆地坪地坪。面积㎡,地坪厚度㎜,环氧地坪颜色:中灰色。通道线:中黄色。通道...
高光型热固性环氧粉末涂料项目可行性研究报告(立项+批地+贷款)编制单位:北京中投信德国际信息咨询有限公司编制时间:二〇二四二〇二四年...
第1页共57页编号:时间:2021年x月x日书山有路勤为径,学海无涯苦作舟页码:第1页共57页环氧丙烷行业调研报告2012-6-20第2页共57页第1页共5...
目录第一章总论..............................................................................................................71.1设...

