HVX 系 列 中 压 真 空 断 路 器中 压 户 内 开 关 设 备产品目录2施 耐 德 电 气善 用 其 效 尽 享 其 能施 ...
ltOF-XChange Viewew.docu-track.cCick o buy NW!PDrwwomltOF-XChange Viewew.docu-track.cCick o buy NW!PDrwwomltOF-XChange Vi...
弹簧管式一般压力表、压力 真空表和真空表检定规程 Verification Regu lation Of Bou rdon Tu be Pressu re Gau ge、Pressu ...
节能幕墙 —— 真空玻璃幕墙摘 要:本文从贯彻《公共建筑节能标准》入手,简要介绍了既能达标、又能通透的节能幕墙--真空玻璃幕墙。一...
一、使用范围本标准规定了 VS1 型户内高压真空断路器的维护检修项目和标准,以便使运行中的设备更加安全并延长使用寿命,本标准适用于变...
压力容器安装质量证明书压力容器名称(规格) :安装单位:安装许可证编号:建设(使用)单位:安装监检单位:目录序号安 装 记 录 表...
西安风华药业有限公司脉动真空灭菌柜再确认方案第 1 页 共14 页脉动真空灭菌柜再确认方案目 录1 概述2 确认目的3 适用范围4 确认...
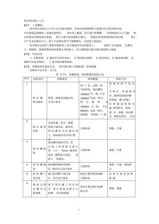
下载后可任意编辑10kV 柱上真空断路器技术法律规范书议12024 年 4 月 19 日 临 武 分 公 司 10kV 及 以 下 工 程10kV 柱...
下载后可任意编辑分 包 协 议 书 协议编号: 签定地点: 签订日期: 年 月 日甲 方 : 乙 方 : 甲 方 将 其 承 包 ...
10kV户外柱上真空断路器技术协议书下载后可任意编辑 辽宁润之峰科技有限公司新乡市裕诚电气有限公司 2024 年 03 月 下载后可任意编辑...
1研究报告真空热管汽-水换热器行业深度研究报告一、行业概述1.行业背景及发展历程(1) 真空热管汽-水换热器作为一种高效的传热设备,其应用...
1研究报告中国高真空隔膜阀项目投资可行性研究报告一、项目概述1.项目背景(1)随着我国经济的持续发展,高技术产业在国家战略中的地位日益凸...
建设项目环境影响报告表项目名称:稀硫酸真空浓缩循环套用和结晶分离装臵节能技改项目建设单位(盖章) :******有限公司编制日期:江苏省...
. . 离心泵的气蚀现象与允许吸上真空高度( 一) 离心泵的气蚀现象由离心泵的工作原理可知,在离心泵叶轮中心( 叶片入口 ) 附近形成低...
华电国际莱州电厂一期(2×1000MW)工程脱硫岛工程下载后可任意编辑真空皮带脱水机技术协议买 方:华电国际莱州项目筹建处设计单位:福建龙...
下载后可任意编辑铁路真空联合堆载预压施工方案12024 年 4 月 19 日南沙港铁路 NSGZQ-6 标插塑板+真空堆载联合预压施工方案中铁港航...
下载后可任意编辑下载后可任意编辑安全指南衷心感谢使用尼鲁电气( 上海) 有限公司生产的 NVS 型中压真空断路器( 以下简称断路器) , ...
方 案 报 审 表工 程 名 称 : 山 西 国 金 一 期 2×350MW 煤 矸 石 发 电 供 热 工 程 编号: WGJDL-FD-TSS-QJ-...
真 空 盘 式 连 续 干 燥 机使 用 说 明 书石家庄英之杰化工机械有限公司一、 概述新型真空盘式连续干燥机系列是河北大学化工...
下载后可任意编辑真空清洗炉操作维护保养说明书1.1 概述1.2 工作原理1.3 技术特征1.4 结构简介1.5 技术指标1.6 安装1.7 使用1.8 清...

