电脑桌面
添加小米粒文库到电脑桌面
安装后可以在桌面快捷访问
标签“JH20”的相关文档,共2条
  • JH5、JH8绞车、JH14绞车、JH20绞车说明书

    JH5、JH8绞车、JH14绞车、JH20绞车说明书

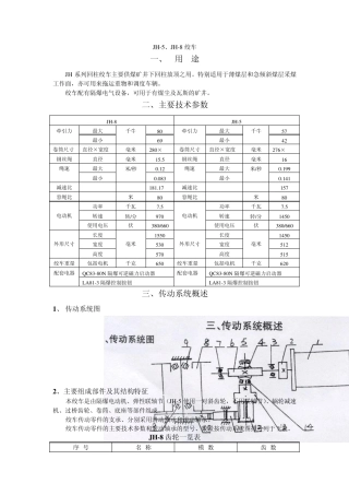
    JH-5、JH-8 绞车 一、 用 途 JH 系列回柱绞车主要供煤矿井下回柱放顶之用。特别适用于薄煤层和急倾斜煤层采煤工作面,亦可用来拖运重...

    2025-01-31发布199 浏览17 页24 次下载7.44 MB
  • JH20回柱绞车说明书

    JH20回柱绞车说明书

    JH-20型回柱绞车 执行标准: JB/T 3685-2015《回柱绞车》 使 用 说 明 书 开 封 市 华 强 煤 矿 机 械 有 限 公 司 K...

    2025-01-31发布180 浏览21 页6 次下载2.43 MB
确认删除?
VIP
微信客服
  • 扫码咨询
会员Q群
  • 会员专属群点击这里加入QQ群
客服邮箱
回到顶部