第1页共32页编号:时间:2021年x月x日书山有路勤为径,学海无涯苦作舟页码:第1页共32页医院感染管理监测制度1.感染管理办公室必须对病人开...
饮料包装机械什么是行业研究报告行业研究是通过深入研究某一行业发展动态、规模结构、竞争格局以及综合经济信息等,为企业自身发展或行业投...
道路工程机械什么是行业研究报告行业研究是通过深入研究某一行业发展动态、规模结构、竞争格局以及综合经济信息等,为企业自身发展或行业投...
第1页共13页编号:时间:2021年x月x日书山有路勤为径,学海无涯苦作舟页码:第1页共13页医疗器械不良事件监测管理办法(讨论稿)第一章总则第...
华蓥市空气自动监测系统设备及安装招标项目要求一、总体要求:(一)系统组成※1、大气污染物监测包括:SO2监测仪(原理为定电位电解法)、N...
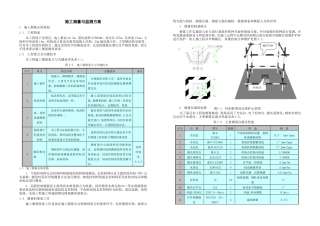
分类号单位代码密级学号学生毕业设计(论文)题目基于单片机的矿井瓦斯检测系统设计作者院(系)能源工程学院专业指导教师答辩日期2013年6月1...
施工测量与监测方案1施工测量总体规划1.1工程简述本工程地下室两层,地上最高42.5m。基坑面积37600㎡,南北长257m,东西宽154m,大面积开挖...
高炉喷吹专用煤什么是行业研究报告行业研究是通过深入研究某一行业发展动态、规模结构、竞争格局以及综合经济信息等,为企业自身发展或行业...
大水头煤矿监测监控系统设计编制:通防部:生产部:安检室:通防副总:安全副总:安全矿长:总工程师:矿长:编制单位:通防部编制日期:201...
中医医疗机构什么是行业研究报告行业研究是通过深入研究某一行业发展动态、规模结构、竞争格局以及综合经济信息等,为企业自身发展或行业投...
大型电力企业大型电力企业变压器在线监测系统变压器在线监测系统技术方案技术方案南京发拉利科技有限公司让我们的客户充分享受到高可靠性、...
第6号《尾矿库安全监督管理规定》已经2006年4月6日国家安全生产监督管理总局局长办公会议审议通过,现予公布,自2006年6月1日起施行,原国...
IC(半导体)什么是行业研究报告行业研究是通过深入研究某一行业发展动态、规模结构、竞争格局以及综合经济信息等,为企业自身发展或行业投资...
地下工程和深基坑安全监测预警系统标准化作业指导书http://jk.gzcetc.cn/广州市建设工程质量安全检测中心目录第一篇网络平台操作篇...........
晋江市房地产什么是行业研究报告行业研究是通过深入研究某一行业发展动态、规模结构、竞争格局以及综合经济信息等,为企业自身发展或行业投...
油气勘查工程什么是行业研究报告行业研究是通过深入研究某一行业发展动态、规模结构、竞争格局以及综合经济信息等,为企业自身发展或行业投...
煤层气勘查资源什么是行业研究报告行业研究是通过深入研究某一行业发展动态、规模结构、竞争格局以及综合经济信息等,为企业自身发展或行业...
小红沟煤矿安全监测设施说明小红沟安全监测监控系统使用是北京长安公司开发研究的KJ2000监测监控系统,该系统投入国债资金约76.8万,于2002...
贵州省水城县万营水库大坝安全监测工程仪器设备安装埋设施工措施工程名称:贵州省水城县万营水库工程合同编号:承包人:四川华远建设工程有...
抗生素类化学原料药什么是行业研究报告行业研究是通过深入研究某一行业发展动态、规模结构、竞争格局以及综合经济信息等,为企业自身发展或...

