乡镇非煤矿山安全生产专项整治工作实施方案 为落实省、市、县非煤矿山安全生产专项整治工作方案的要求,深化贯彻落实县委、县政府关于加强...
乡镇非煤矿山安全生产专项整治工作实施方案 乡镇非煤矿山安全生产专项整治工作实施方案 为落实省、市、县非煤矿山安全生产专项整治工作方...
目 录一、立项依据及意义........................................1(一)立项依据.............................................1(二)...
中 省 属 金 属 非 金 属 矿 山企 业 采 掘 施 工 队 备 案 登记 表备 案 单 位 : ( 盖章 )采 掘 施 工 ...
非煤矿山脚步丈量平安生产工作报告 依据县非煤矿山平安生产专业委员会关于印发《全县非煤矿山“脚步丈量”平安生产专项整治工作实施方案》...
非煤矿山安全生产排查治理工作总结 为切实维护我市非煤矿山行业形势稳定,根据市应急管理局、市经信局《关于印发市非煤矿山安全生产隐患集...
**市非煤矿山坍塌事故应急救援演练方案 一、指导思想 以《中华人民共和国安全生产法》、《生产安全事故应急预案管理办法》(安监总局 17...
********采石场复工复产方案***年**月**日*******采石场复工复产方案根据***县安全生产监督管理局整体部署,为确保我厂在复工复产过程中安全...
非煤矿山工作总结(共五则)第一篇:非煤矿山工作总结 非煤矿山工作总结 1 为仔细贯彻落实国家矿山安全监察局《关于开展非煤矿山安全生...
非煤矿山安全生产工作总结 第 1 篇:非煤矿山安全生产工作总结各产矿镇政府、非煤矿山企业:2024 年,我市非煤矿山安全生产工作在市委...
非煤矿山地下开采的根本概念矿石和废石的概念〔1〕矿物——在地壳中,由于地质作用形成的自然元素和自然化合物,统称为矿物。〔2〕矿石——...
XXX 露 天 矿 山生产平安事故应急救援预案应 急 预 案 版 本 号 : XR/ABYA 2024 应 急 预 案 名 称 : 生 产 平 ...
金属非金属露天矿山安全生产标准化相关制度种类及要求——建立健全主要负责人、分管负责人、安全生产管理人员、其他职能部门与岗位的安全生...
1第九章矿山企业的成本管理第一节原矿成本的控制第七十七条井下采矿成本的控制。是指在原矿成本形成过程中,对从采场设计开始,经掘进、采...
绿色矿山评分表—级二级检查内容标准分加分评分说明考核方法依据或标准检查记录得分、矿区环境矿容矿貌矿区按生产区、管理区、生活区和生态...
金属非金属矿山平安检查表〔地下开采〕矿山企业名称: 检查时间: 年 月 日序号检查工程检查内容依据标准检查方法检查结果一平安管理制...
附 件 1金属非金属露天开采矿山风险分级管控隐患排查治理体系建设实施指南(试用版)目 录附件 1.......................................
金属非金属地下矿山平安生产标准化评分方法1.平安生产方针与目标元素自评评分表〔100 分〕1.1 方针〔 50 分〕自评得分工程评分内容评分...
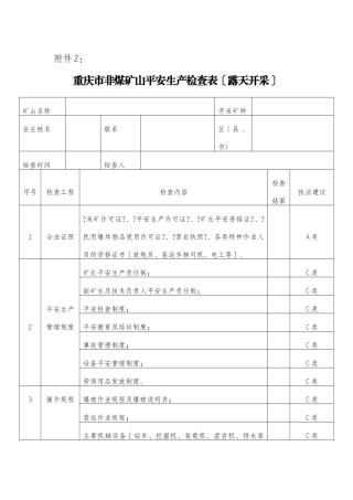
附件 2:重庆市非煤矿山平安生产检查表〔露天开采〕矿山名称开采矿种业主姓名联系 区 ( 县 、市)检查时间检查人序号检查工程检查内容...
《矿山规章制度》目录矿长责任制………………………………………………………………1 安全矿长责任制……………………………………………...

