电脑桌面
添加小米粒文库到电脑桌面
安装后可以在桌面快捷访问

重庆市非煤矿山安全生产执法检查表

重庆市非煤矿山安全生产执法检查表_第1页
1/6
重庆市非煤矿山安全生产执法检查表_第2页
2/6
重庆市非煤矿山安全生产执法检查表_第3页
3/6
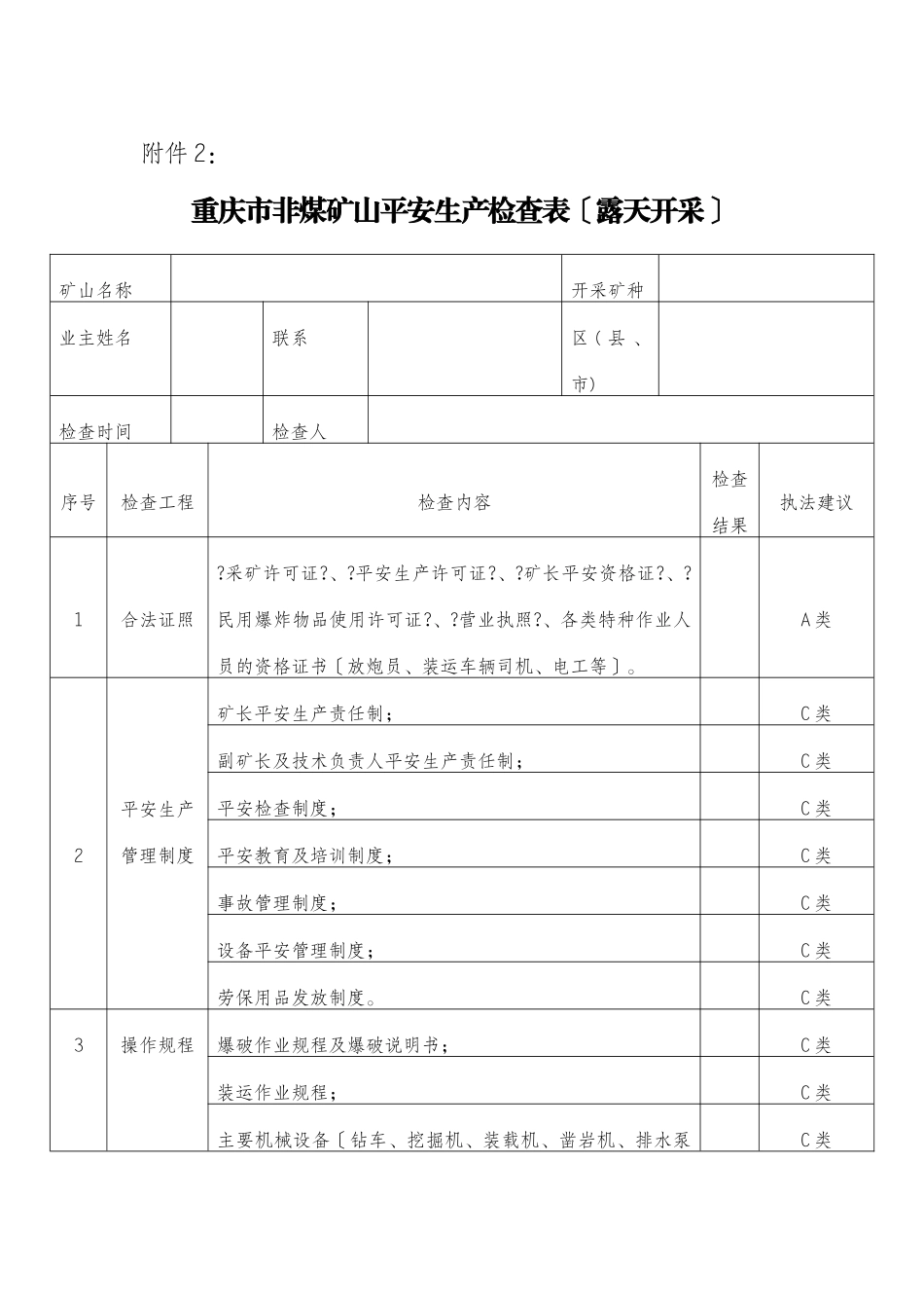
附件 2:重庆市非煤矿山平安生产检查表〔露天开采〕矿山名称开采矿种业主姓名联系 区 ( 县 、市)检查时间检查人序号检查工程检查内容检查结果执法建议1合法证照?采矿许可证?、?平安生产许可证?、?矿长平安资格证?、?民用爆炸物品使用许可证?、?营业执照?、各类特种作业人员的资格证书〔放炮员、装运车辆司机、电工等〕。A 类2平安生产管理制度矿长平安生产责任制;C 类副矿长及技术负责人平安生产责任制;C 类平安检查制度;C 类平安教育及培训制度;C 类事故管理制度;C 类设备平安管理制度;C 类劳保用品发放制度。C 类3操作规程爆破作业规程及爆破说明书;C 类装运作业规程;C 类主要机械设备〔钻车、挖掘机、装载机、凿岩机、排水泵C 类等〕操作规程。4各种记录日常平安检查记录〔采场、边坡等〕;C 类平安教育培训制度及培训记录;C 类平安事故(隐患)处理记录;C 类凹陷露天开采排水记录;C 类炸药、雷管领、退记录;C 类劳保用品发放记录。C 类5机构及专〔兼〕职人员是否有专门平安管理机构〔安监科、平安科等〕;C 类专〔兼〕职的平安人员不少于 1 人;C 类6应急救援预案是否制定事故应急救援预案。B 类7平安投入有工伤保险凭据;有安措费用方案和投入使用凭证。C 类8劳动防护用品平安帽、保险绳、口罩、耳罩或耳塞、劳保服等是否有合格证。员工是否根据要求穿戴劳动防护用品。B 类有无防尘措施,有无防尘水管;是否实行湿式打眼;手持式钻孔作业是否戴防尘罩;装运点是否采纳喷雾洒水。B 类有无防噪声措施,凿岩机作业是否实行防噪声措施〔耳罩或耳塞〕,空压机是否实行隔音或远离作业人员的措施或其它措施。B 类9采场平安环境采场岩层稳定性是否良好〔顺山开采、层理发育、裂隙发育、掏底开采等,那么稳定性差〕;C 类是否有畅通的排水沟〔重点是页岩矿山〕;B 类平安警示标志〔采场进出口、电器设备开关处、爆破警戒等〕;B 类采场有无危及平安的悬石、松石、浮石;B 类是否有防洪、排水系统设备〔重点是凹陷露天开采〕;B 类是否越界开采〔查是否超出采矿许可证圈定的拐点〕。B 类10采场平安根本参数及状况采场的布置和开采方式是否与原设计有重变化。B 类是否根据平安评价要求保证开采现场平安生产条件。B 类开采顺序是否由上向下分层开采或台阶开采;B 类分层开采:平台高度不大于 10 m(石灰岩)或 8m〔页岩〕; 平台宽度不小于 20m;台阶开采:台阶高度不大于 6m〔石灰岩,机械装运〕...

1、当您付费下载文档后,您只拥有了使用权限,并不意味着购买了版权,文档只能用于自身使用,不得用于其他商业用途(如 [转卖]进行直接盈利或[编辑后售卖]进行间接盈利)。
2、本站所有内容均由合作方或网友上传,本站不对文档的完整性、权威性及其观点立场正确性做任何保证或承诺!文档内容仅供研究参考,付费前请自行鉴别。
3、如文档内容存在违规,或者侵犯商业秘密、侵犯著作权等,请点击“违规举报”。

碎片内容

重庆市非煤矿山安全生产执法检查表

您可能关注的文档

确认删除?
VIP
微信客服
  • 扫码咨询
会员Q群
  • 会员专属群点击这里加入QQ群
客服邮箱
回到顶部