电线规格与直径对比表1。5——1.3822.5-—1.7844--2。2576——2。765 表 3.2。12 BV 型绝缘电线的绝缘层厚度序号 1 2 3 4 5 6 7...
套管(焊镀锌钢管无缝PE 管3210 D21.3X2。9 D22X3。0 14dn3250D33.7X3.2D32X3。5dn4065D42。4X3.6D38X3.5dn5065D48。3X3.6D45X3。5dn638...
直径2 米2.2 米2.4 米2.5 米2。6米2。8米3 米直径3.2 米3。4米3。5米3。6米3。8米4。0米4。2米140。0360。0400。0450.0470。0490。05...
标准电线平方数和直径一览表 电线(平方毫米)导体直径(毫米)25℃铜线载流量1。51。3818A2。51。7826A42。2538A62。7644A101。33×768A161...
标准电线平方数和直径一览表 电线(平方毫米)导体直径(毫米)25℃铜线载流量1。51.3818A2.51。7826A42。2538A62.7644A101。33×768A161。...
挤压丝锥公制螺纹底孔直径一览表 螺纹公称尺寸 M×P推举 钻头直径 D 最小直径最大直径M2× 0。41。831。811.85M2。2× 0。452。001...
标准电线平方数和直径一览表 电线(平方毫米) 导体直径(毫米)25℃铜线载流量1。51。3818A2.51.7826A42.2538A62.7644A101。33×768A161....
复杂地质大直径超长钻孔灌注桩施工与控制摘 要晋陕黄河特大桥主桥桥墩桩基施工水文地质情况复杂,本文阐述了在黄河砂性地质上施工钻孔灌注...
嘉华东海里住宅(1—4#楼、地下室)三管旋喷桩、大直径搅拌桩专项施工方案一、编制依据本支护是根据以下文件结合现行的施工技术法律规范和...
钢绞线(STRAND WIRE) 1.概述 (1)定义:用配制好的钢丝在机器上按规定一次多根捻制成绞线称钢绞线。 (2)种类和用途:钢绞线根据配制的钢...
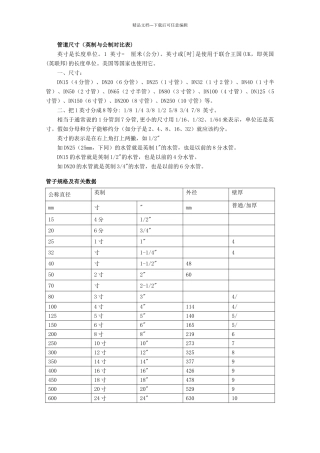
A 系列为国际通用系列(俗称英制管) B 系列为国内沿用系列(俗称公制管) (mm)公称直径钢管外径A 系列(英制管)B 系列(公制管)DN...
管路直径之最大流速与流量表液体在管道和管道附件流动中,由于管壁的阻力而损失的扬程称为管道阻力。下表为:阀及弯管折合直管长度管路直径(...
碳钢、合金钢管道公称直径、外径对比表序号公称直径外径Φ(mm)DN(mm)B(in)1103/814、172151/218、20、223203/425、28425132、3453211—438...
超大直径盾构施工技术综述超大直径盾构施工技术综述3超大直径盾构施工关键技术综述王华伟(中铁十四局集团有限公司)、工程概况1・1 地理...
1kV 单芯低烟无卤耐火电缆 DW-NH(B)-YJE DW-NH(A)-YJE标称截面mm2导体直径mm电缆近似外径mm电缆近似重量kg/kmDW-NH(B)-YJEDW-NH(A)-YJED...
1电线电缆国标直径规范电线电缆国标直径规范一、电线平方数及直径换算办法常识电线的规范在世界上常用的有三个规范:别离是美制(AWG)、英...
南水北调东线一期工程鲁北段工程小运河段工程标段 3(合同编号:NSBD/LBD-XYH003)多头小直径水泥土搅拌桩试桩方案中国水利水电第**工程局...
电缆直径对照表
电缆直径和载流量对照表 1、综述 铜芯线的压降与其电阻有关,其电阻计算公式: 20℃时:17.5÷截面积(平方毫米)=每千米电阻值(Ω) ...
电缆直径和电线截面积电流对照表 1、综述 铜芯线的压降与其电阻有关,其电阻计算公式: 20℃时:17.5÷截面积(平方毫米)=每千米电阻值...

