下载后可任意编辑基坑降水、搅拌桩、土钉墙施工方案1. 概述拟建的**皇冠假日酒店位于**市**镇,是一栋五星级酒店大楼,工程投资建设单位为...
下载后可任意编辑*****大酒店工程冬 季 施 工 方 案 编 制 人:审 核 人:批 准 人: 编制单位:**************工程公司编制...
江 津 区 几 江 街 道 中 央 大 道 路 灯 及 其 配 套 安 装工 程施工组织设计下载后可任意编辑 一 、 工 程 概 ...
下载后可任意编辑照明工程施工方案 第 一 章 编制说明 1.1、本《施组》的编制力求做到详细,具有可操作性和实施性,尽量做到能用于指...
下载后可任意编辑一、工程概况 本工程通风空调专业包括车站通风空调系统及空调水系统。其中通风系统按区域可分为南、北站厅送排风系统及站...
下载后可任意编辑1工程概况1.1系统概况1.1.1建筑概况本车库为机械停车库,位于地下,属于一类防火建筑。车库建筑面积约为 4 千多平米,分...
XX 氯碱工程项目**螺杆压缩机安装方案目 录1 编制说明................................................................................
下载后可任意编辑某碱厂 75T 锅炉热电节能技改工程保温施工方案编制: 日期:审核: 日期:审批: 日期:下载后可任意编辑一、工程概况 ...
下载后可任意编辑第一章编制说明一 编制目的 根据工期要求,结合项目施工生产实际情况,为确保优质、安全完成本工程电缆敷设的施工任务,...
下载后可任意编辑星元·南岸花园样板区景观工程(绿化)施工组织设计第一章 工程概况 3第二章 施工准备3第一节 人员准备3第二节 材料...
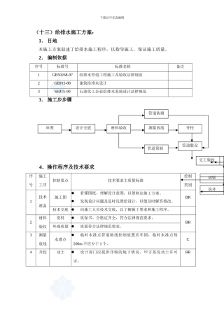
下载后可任意编辑(十三)给排水施工方案: 1. 目地 本施工方案叙述了给排水施工程序,以指导施工,保证施工质量。 2. 编制依据序号...
下载后可任意编辑 1.1编制依据 1.1.1xx_建筑设计院设计的施工图纸 1.1.2本工程招标文件及答疑纪要 1.1.3中华人民共和国现行的《建筑安...
下载后可任意编辑宁乡大玺门安置小区 2#栋工程基坑支护施工方案 编制: 审核: 批准: 中太建设集团股份有限公司宁乡大玺门安置小区项...
下载后可任意编辑某某游泳池施工方案一、方案依据《某某网球场——游泳池招标书》《某某网球场——游泳池》建施 1/2,2/2 及结施 1/2,2...
下载后可任意编辑第一章 编制说明1.1 编制依据1、《汶川县**镇(县城)地震灾后恢复重建自来水厂工程》的招标文件。2、广州市公用事业规...
下载后可任意编辑基坑支护工程设计与施工方下载后可任意编辑案下载后可任意编辑目 录第一部分:设计方案...................................
下载后可任意编辑三轴深层搅拌桩专项施工方案 编制: (职务: 职称 ) 审核: (职务: 职称 ) 审批: (职务: 职称 )2013...
下载后可任意编辑 第一章 施工方案一、编制依据标准 1.《民用建筑电气设计法律规范》(JGJ/T116-92) 2.《民用建筑设计防火法律规范...
下载后可任意编辑 沟槽降水施工方案编制人: 编制日期:2010 年 10 月 19 日审核人: 审核日期:2010 年 10 月 19 日审批人:...
下载后可任意编辑本页为作品封面,下载后可以自由编辑删除,欢迎下载!!! 精 品文档1【精品 word 文档、可以自由编辑!】******综合...

