- 1 - 外环北路北延跨 *** 河大桥工程气泡混合轻质土施工方案外环北路北延跨永 *** 大桥工程设计施工总承包项目经理部二 零 一 ...
. 精品技术交底记录工程名称吴忠市区 2015 年金积八期城市棚户区改造项目施工四标段B-2#住宅楼交 底 日 期施工单位安徽四建控股集团...
附录“二十”S012/ 招标文件 /一期总包 /报价文件 : KK:ZJ:dh(2013.11.17) AP20/1 施工准备总包回填前上报回填计划、回填土专项技术...
第三建筑工程有限公司中国建筑股份有限公司CHINA STATE CONSTRUCTION ENGRG.CORP.LTD 五龙口城中村改造项目N08-02 地块、N10-01 地块...
房山区河北镇棚户区改造水泥二厂片区土地开发项目(回迁安置房地块)土方回填施工方案编制:审核:审批:北京城建五建设集团有限公司201 ...
回填土工程施工分包合同发包方(以下简称甲方) : 河北博杰房地产开发有限公司承包方(以下简称乙方) :根据《中华人民共和国合同法》...
工程名称施工组织设计编制人 ____________________ 审批 ______________________ 日期 :寸录第一章编制依据第一章工程概况第二章施工...
安全技术交底回填土作业安全技术交底编号工程名称交底日期施工单位分项名称交底提要:交底内容:(一) 施工现场安全注意事项:1. 入场前...
一、工程概况本工程为运城深国投商业中心,位于运城市河东街与学院路交叉口东北角,建筑面积约为46463 平方米,建筑总高度地上三层,地下...
安县乐兴镇卫生院改扩建工程基础回填土施工方案编制单位: 四川集多隆建筑工程有限公司编制日期:二0 一二年十二月目 录1.编制依据2.分...
. 可编辑文档回填土工程施工方案. 可编辑文档目录一、工程概况 ................................................................. 1...
目录一. 工程简况 11.1 编制说明 1 1.2 编制依据 1 二. 施工准备 12.1. 人员组织 1 2.3. 施工时间按排2 2.4. 机具配备 2...
一、 工程简况本工程为运城深国投商业中心,位于运城市河东街与学院路交叉口东北角,建筑面积约为46463 平方 M,建筑总高度地上三层,地...
安全技术交底表表 AQ-C11-1 编号工程名称施工单位交底部位工种(一) 施工现场安全注意事项:1. 入场前必须进行安全教育培训,经考试合格...
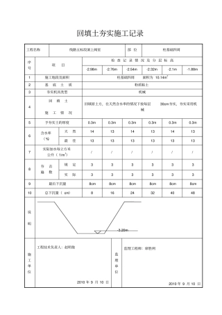
回填土夯实施工记录工程名称线路五标段洞上阀室部 位柱基础四周序号项目检 查 记 录 情 况 及 分 层 标 高-2.98m-2.76m-2.54m-2...
目录工程概况中科院中关村 号楼基础埋深标高-12.01m, 复合桩地基,基础开挖采用土钉墙边坡支护方式,基础底板 1.6m 厚,底板外模采用...
目录第一章 工程概况.................................................................第二章 进度安排和劳动力组织....................
工程名称交底部位工程编号日 期交底内容:机械回填土本技术交底内容适用于工业与民用建筑物、构筑物大面积平整场地、大型基坑和管沟等回填...
1DOODOODDODDODDOODOODDDDD编制人:审批人:编制时间:二 0一五年五月二十日河南省宏岩建设有限公司室外土方回填施工方案一、施工概况:1...
单元工程施工质量报验单(承包 [ ] 质报 号)合同名称:**县 2013 年农村饮水安全工程(二期)施工Ⅳ标合同编号:**NYSG-2013-02-04...

