电脑桌面
添加小米粒文库到电脑桌面
安装后可以在桌面快捷访问

回填土夯实施工记录VIP免费

回填土夯实施工记录_第1页
1/11
回填土夯实施工记录_第2页
2/11
回填土夯实施工记录_第3页
3/11
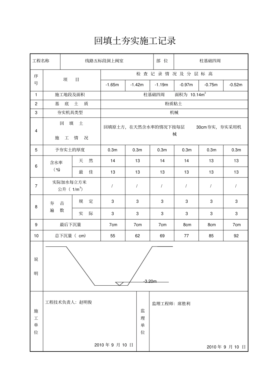
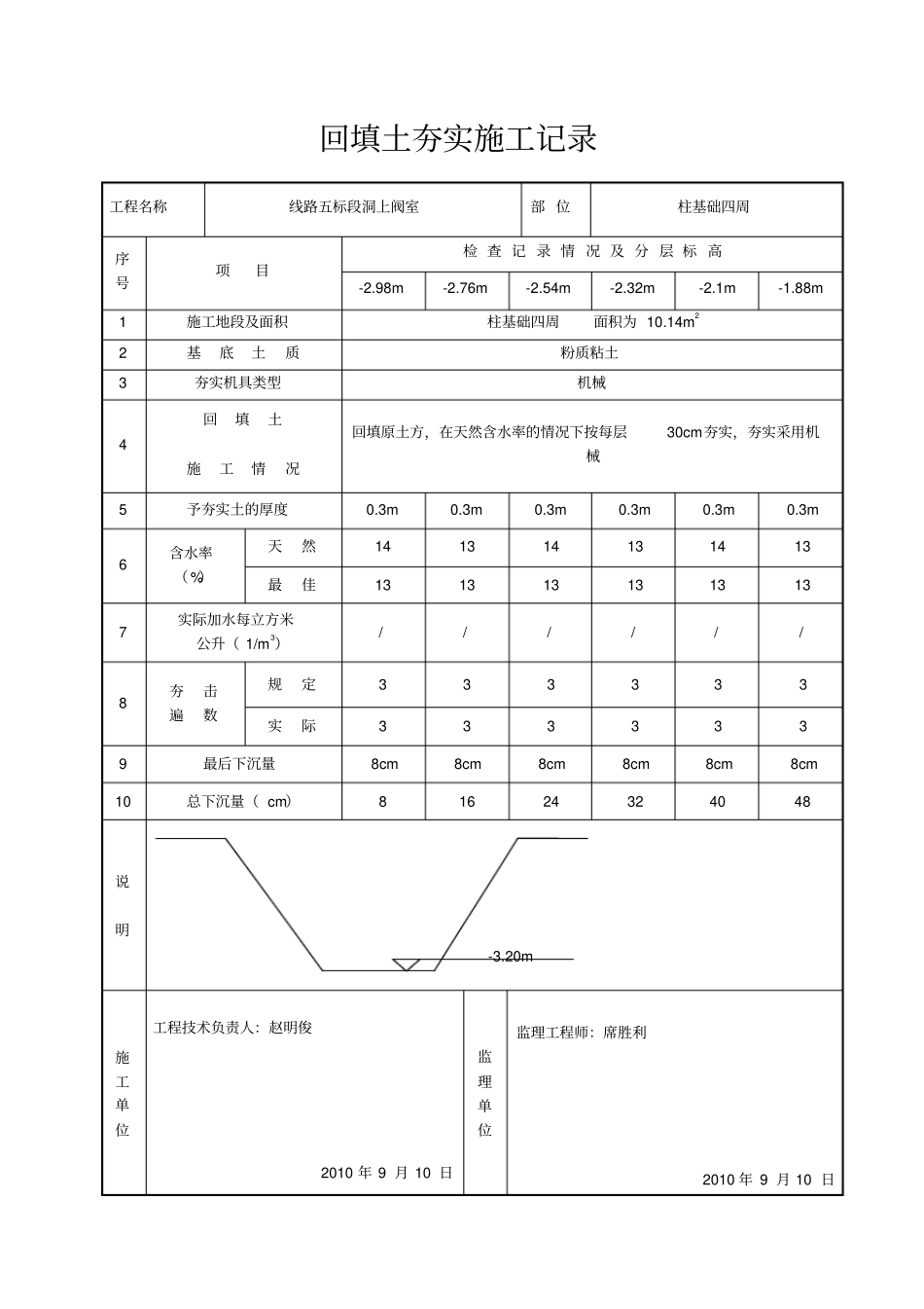
回填土夯实施工记录工程名称线路五标段洞上阀室部 位柱基础四周序号项目检 查 记 录 情 况 及 分 层 标 高-2.98m-2.76m-2.54m-2.32m-2.1m-1.88m1 施工地段及面积柱基础四周面积为 10.14m22 基底土质粉质粘土3 夯实机具类型机械4 回填土施工情况回填原土方,在天然含水率的情况下按每层30cm夯实,夯实采用机械5 予夯实土的厚度0.3m 0.3m 0.3m 0.3m 0.3m 0.3m 6 含水率(%)天然14 13 14 13 14 13 最佳13 13 13 13 13 13 7 实际加水每立方米公升( 1/m3)/ / / / / / 8 夯击遍数规定3 3 3 3 3 3 实际3 3 3 3 3 3 9 最后下沉量8cm8cm8cm8cm8cm8cm10 总下沉量( cm)8 16 24 32 40 48 说明施工单位工程技术负责人:赵明俊2010 年 9 月 10 日监理单位监理工程师:席胜利2010 年 9 月 10 日-3.20m 回填土夯实施工记录工程名称线路五标段洞上阀室部 位柱基础四周序号项目检 查 记 录 情 况 及 分 层 标 高-1.65m-1.42m-1.19m-0.97m-0.75m-0.52m1 施工地段及面积柱基础四周面积为 10.14m22 基底土质粉质粘土3 夯实机具类型机械4 回填土施工情况回填原土方,在天然含水率的情况下按每层30cm夯实,夯实采用机械5 予夯实土的厚度0.3m 0.3m 0.3m 0.3m 0.3m 0.3m 6 含水率(%)天然14 13 14 14 13 13 最佳13 13 13 13 13 13 7 实际加水每立方米公升( 1/m3)/ / / / / / 8 夯击遍数规定3 3 3 3 3 3 实际3 3 3 3 3 3 9 最后下沉量7cm7cm7cm8cm8cm7cm10 总下沉量( cm)55 62 69 77 85 92 说明施工单位工程技术负责人:赵明俊2010 年 9 月 10 日监理单位监理工程师:席胜利2010 年 9 月 10 日-3.20m 回填土夯实施工记录工程名称线路五标段洞上阀室部 位柱基础四周序号项目检 查 记 录 情 况 及 分 层 标 高-0.31m1 施工地段及面积柱基础四周面积为 10.14m22 基底土质粉质粘土3 夯实机具类型机械4 回填土施工情况回填原土方,在天然含水率的情况下按每层30cm夯实,夯实采用机械5 予夯实土的厚度0.3m 6 含水率(%)天然13 最佳13 7 实际加水每立方米公升( 1/m3)/ 8 夯击遍数规定3 实际3 9 最后下沉量9cm10 总下沉量( cm)101 说明施工单位工程技术负责人:赵明俊2010 年 9 月 10 日监理单位监理工程师:席胜利2010 年 9 月 10 日-3.20m 回填土夯实施工...

1、当您付费下载文档后,您只拥有了使用权限,并不意味着购买了版权,文档只能用于自身使用,不得用于其他商业用途(如 [转卖]进行直接盈利或[编辑后售卖]进行间接盈利)。
2、本站所有内容均由合作方或网友上传,本站不对文档的完整性、权威性及其观点立场正确性做任何保证或承诺!文档内容仅供研究参考,付费前请自行鉴别。
3、如文档内容存在违规,或者侵犯商业秘密、侵犯著作权等,请点击“违规举报”。

碎片内容

回填土夯实施工记录

确认删除?
VIP
微信客服
  • 扫码咨询
会员Q群
  • 会员专属群点击这里加入QQ群
客服邮箱
回到顶部