文档来源为 :从网络收集整理.word 版本可编辑 .欢迎下载支持 . 0文档收集于互联网,如有不妥请联系删除. 中国铁道建筑总公司工程技术...
聚乙烯丙纶防水卷材施工方案目录一、工程概况· · · · · · · · · · · · · · · · · · · · · · ...
SBC120聚乙烯丙纶复合防水卷材施工方案 1号楼工程设计为地下一层、 地上二层的钢筋砼框架结构、 钢结构,建筑面积为 7019.54m2,建筑基...
技 术 交 底 卡施工单位:十四建设集团云南第四建筑安装工程有限公司编号:工程名称曼纳汇都财富广场工程施 工 班 组分部分项工程名...
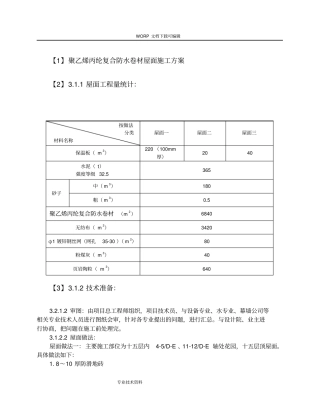
WORP 文档下载可编辑专业技术资料【1】聚乙烯丙纶复合防水卷材屋面施工方案【2】3.1.1 屋面工程量统计:按做法分类材料名称屋面一屋面二...
增强保护层聚乙烯丙纶复合防水卷材与改性沥青防水卷材比较及应用辽宁水文地质工程地质勘察院于海龙戚和清关键词:聚乙烯丙纶复合防水卷材推...
下载后可任意编辑防水工程劳务协议书甲方:郑州市亚东建安 · 东岸尚景 6# 楼项目部 (以下简称甲方)乙方:河南金源防水防腐保温有限...
下载后可任意编辑聚乙烯丙纶板施工工艺标准12024 年 4 月 19 日下载后可任意编辑聚乙烯丙纶地下室防水施工工艺标准适用于各类工业民用...
下载后可任意编辑聚乙丙烯丙纶复合防水卷材防水专项施工方案12024 年 4 月 19 日下载后可任意编辑聚乙丙烯丙纶复合防水卷材专项施工方...
下载后可任意编辑丙纶布防水施工方案12024 年 4 月 19 日下载后可任意编辑丙纶布防水施工方案一、施工准备:(一)机具准备:搅拌容器、...
下载后可任意编辑表 C1-3 技术交底记录工程名称北塘 TBD 项目北塘小镇西区中式住宅 E 区交底部位屋面防水层交底工程编号日期 -5-28...
下载后可任意编辑 精品文档下载 最新资料,word 文档,可以自由编辑!!下载后可任意编辑【本页是封面,下载后可以删除!】1.聚乙烯丙纶...
下载后可任意编辑防水施工方案一、编制依据:本施工方案编制根据《地下工程防水技术法律规范》GB50108-2001 及《地下防水工程质量验收法律...
下载后可任意编辑聚乙烯丙纶复合防水卷材施工工艺说一、施工准备 一个施工组 7 人:清理基层 1 人,制运胶 3人,铺贴卷材 2 人,复...
下载后可任意编辑 精品文档下载 1最新资料,word 文档,可以自由编辑!!下载后可任意编辑【本页是封面,下载后可以删除!】华泰工业园 ...
下载后可任意编辑聚乙烯丙纶复合防水卷材施工方案产 品 介 绍 一、组成 聚乙烯丙纶防水卷材是采纳聚乙烯、高强丙纶无纺布、黑色母、抗...
下载后可任意编辑防水施工技术交底工程名称商丘建业二期工程分部(项)工程丙纶防水卷材施工分项工程名称:卫生间、阳台防水施工交底内容:...
下载后可任意编辑山西陆通隰州大酒店防水工程专项施工方案编制:审核:审批:山西陆通隰县弘圣凯项目部二〇一一年六月下载后可任意编辑根据...
第 1 页 共 2 页技术交底记录表 C2-1编号工程名称承德华北物流中心D 地块 D-8# 、D-9#楼交底日期施工单位中太集团承德分公司平泉...
下载后可任意编辑丙纶卷材防水施工方案 1、材料要求 本工程地下室防水卷材采纳 400g/m2 聚乙烯丙纶复合防水卷材 2 道,卷材应有出厂...

